EasyManua.ls Logo

Sony HCD-DP800AV - Page 55

Sony HCD-DP800AV
84 pages
Print Icon
To Next Page IconTo Next Page
To Next Page IconTo Next Page
To Previous Page IconTo Previous Page
To Previous Page IconTo Previous Page
Loading...
55
HCD-DP800AV
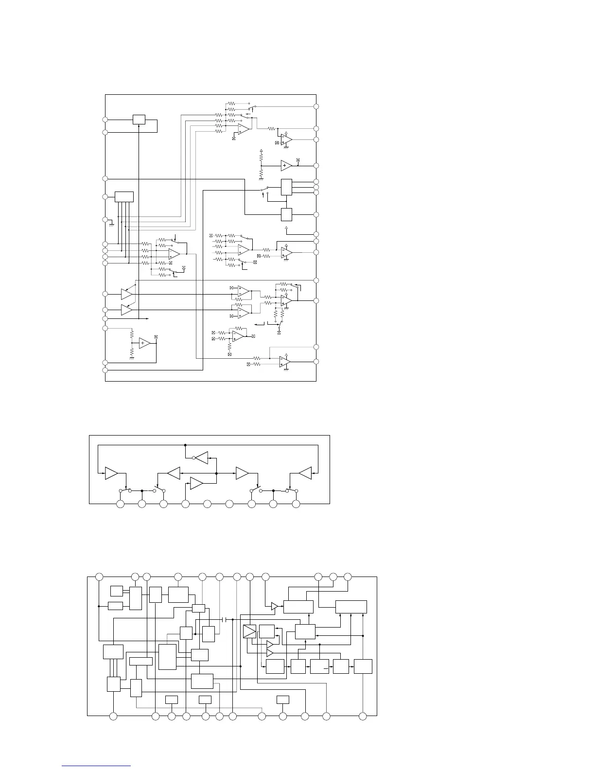
IC103 CXA2581N-T4 (BD BOARD)
10
11
12
4
3
EQ IN
9
D
10
F
E
8
C
7
B
6
A
AC SUM
DC_ OFST
RFDCI
11
RFDCO
VC
24
BST
25
VFC
CEI
EQ
APC
5
GND
AC
SUM
26
RFC
AC
VCA
23
RFG
22
VCC
20
21
CE
19
TE_BAL
18
TE
17
FEI
16
FE
1LD
2
PD
11
SW
12
13
DVCC
14
DVC
15
RFAC
VC
EQ
ON/OFF
VC
VC
VC
VC
DVC
DVC
APC-OFF(Hi-Z)
RW/ROM
(H/L)
DVC
DVC
AVC
DVCC
VC
DVC
RW/ROM
RW/ROM
RW/ROM
RW/ROM
RW/ROM
RW/ROM
DVCC
VCC
VCC
VCC
VOFST
VOFST
VOFST
B
C
A
D
gm
gm
DVCC
IC302 µPC1330HA (MAIN BOARD (1/3))
1
2
3
4
5 6 7 8 9
INVERTER
COMPARATER
SW R1 GND SW P1
CONT GND VCC SW P2 GND
SW R2
IC11 LA1845 (MAIN BOARD (3/3))
ALC
AGC
REG GND VCC
AM
DET
STEREO
SW
P-DET
φ
VCO
304KHz
DECODER
ANTI-BRIDIE
PILOT
CANCEL
FF
38k
FF
19K
PILOT
DET
AM
IF
AM
OSC
AM
MIX
AM/FM
AM
RF.AMP
COMP
BUFF
S-CURVE
IF
BUFF
LEVEL
DET
FM
IF
FM
DET
FM-IN
AM
MIX-OUT
REG
AM
IF-IN
GND
TUNED
STEREO
FM-DET
VCC
IF-REQ
MUTE
AM/FM
VCO
STOP
OSC
FM.SD
AM-AGC
S-METER
AFC
AM-RF
IN
DECODER
OUT
AM
DET-OUT
AM-OSC
DECODER
IN
PLL-IN
PILOT
CANCEL
R-OUT
L-OUT
π
2
FF
19K0
TUNING
DRIVE
24 23 22 21 20 19 131415161718
1 2 3 4 5 6 121110987

Related product manuals