EasyManua.ls Logo

Sony HCD-DZ280 - Block Diagram -AMP Section

Sony HCD-DZ280
102 pages
Print Icon
To Next Page IconTo Next Page
To Next Page IconTo Next Page
To Previous Page IconTo Previous Page
To Previous Page IconTo Previous Page
Loading...
HCD-DZ280/DZ680/HDZ284/HDZ485
HCD-DZ280/DZ680/HDZ284/HDZ485
3434
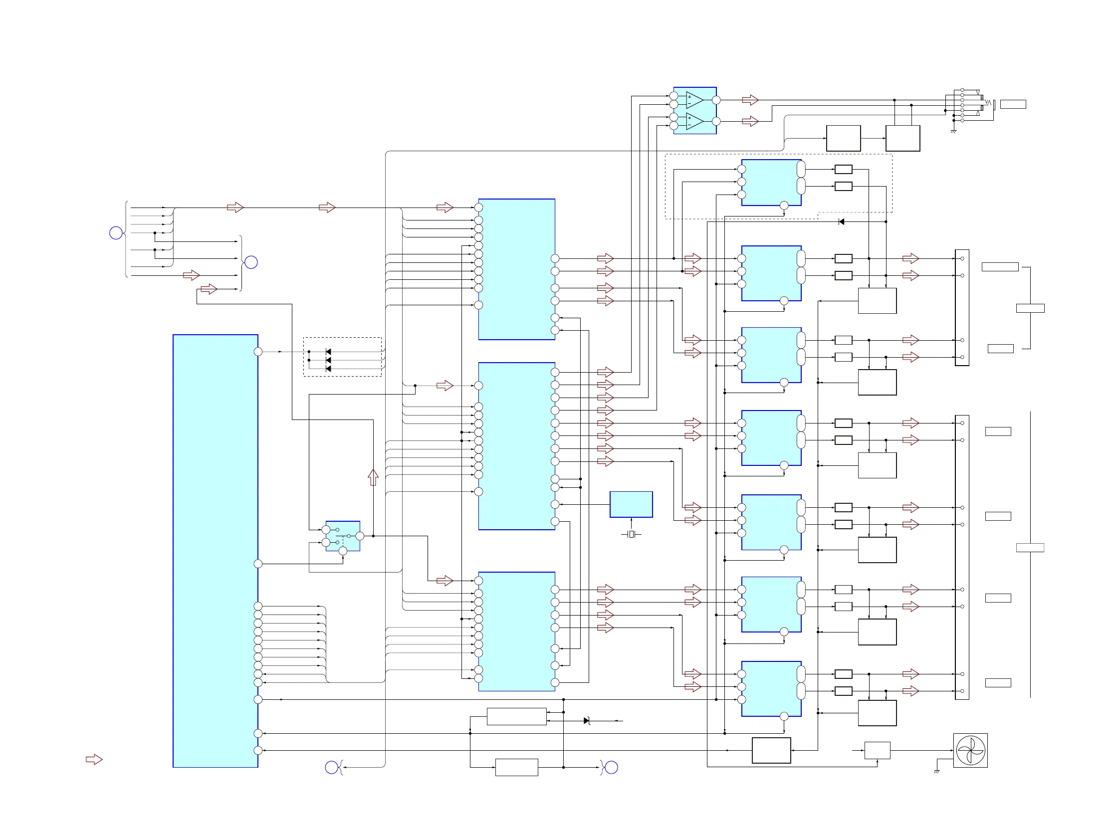
6-4. BLOCK DIAGRAM – AMP Section –
16 PWM_B
8 PWM_A
7
6
/RESET
SD
OUT_B
31
3
1
2
6
DATA
36 XFSIIN
AMP_D1 AMP_D3
AMP_D2
AMP_D3
MCK0
BCK0
LRCK0
OVF2
SCDT
SHIFT
LAT3
INIT
SOFTMUTE
AMP_D1
AMP_D1
D3071
EXCEPT DZ280: AEP MODEL
D3072
D3073
AMP_D2
AMP_D3
AMP_D2
MCK0
BCK0
LRCK0
OVF1
SCDT
SHIFT
LAT1
INIT
SOFTMUTE
MCK0
BCK0
LRCK0
SCDT
SHIFT
LAT2
INIT
SOFTMUTE
PLUG_DET2
BCKO
LRCKO
MCKO
AMP_0
BCK
LRCK
SD1
SD2
30 BCK
29 LRCK
25 OVF FLAGL
24 OVF FLAGR
21 SCDT
22 SCSHIFT
23 SCLATCH
27 INIT
19 SOFTMUTE
OUTR1(+)
4OUTR2(–)
9OUTL1(–)
11OUTL2(+)
48XFS0IN
38FS0I
31
-
33
34
-
36
OUT_A
LPF
SUBWOOFER
TB3901
TB5301
SPEAKER
CENTER
PHONES
J5001
IC3400
DIGITAL POWER AMP
16 PWM_B
8 PWM_A
7
6
/RESET
SD
OUT_B
31
-
33
34
-
36
OUT_A
IC3500
DIGITAL POWER AMP
PLUG DET2
HPMUTE
HDZ485
Q3116—3119
MUTE
Q3081
H/P MUTE
DRIVE
L
R
IC3001
HEADPHONE AMP
LPF
Q3251,3252
DC BALANCE
DETECT
D3551
16 PWM_B
8 PWM_A
7
6
/RESET
SD
OUT_B
31
-
33
34
-
36
OUT_A
LPF
IC3300
DIGITAL POWER AMP
LPF
Q3301,3302
DC BALANCE
DETECT
16 PWM_B
HP
HP
HP
HP
WF
WF
C
C
FR
FR
FL
FL
SR
SR
SL
SL
8 PWM_A
7
6
/RESET
SD
OUT_B
31
-
33
34
-
36
OUT_A
LPF
IC3100
DIGITAL POWER AMP
LPF
Q3101,3102
DC BALANCE
DETECT
8 PWM_A
16 PWM_B
7
6
/RESET
SD
OUT_A
34
-
36
31
-
33
OUT_B
LPF
IC3150
DIGITAL POWER AMP
IC3051
CLOCK
OSCILLATOR
LPF
Q3151,3152
DC BALANCE
DETECT
16 PWM_B
8 PWM_A
7
6
/RESET
SD
OUT_B
31
-
33
34
-
36
OUT_A
LPF
IC3200
DIGITAL POWER AMP
IC3020
S-MASTER PROCESSOR
IC3010
S-MASTER PROCESSOR
IC503 (4/5)
SYSTEM CONTROL
IC3030
S-MASTER PROCESSOR
LPF
Q3401,3402
DC BALANCE
DETECT
8 PWM_A
16 PWM_B
7
6
/RESET
SD
OUT_A
34
-
36
31
-
33
OUT_B
M+14V
LPF
IC3250
DIGITAL POWER AMP
LPF
Q3202,3201
DC BALANCE
DETECT
Q3551
DC BALANCE
PROTECT
Q3552 – 3555
B+ DOWN PROTECT
D3552
EN
+31V
Q502,503
BUFFER
FAN
DRIVE
Q3000 – 3002
31
6
DATA
36 XFSIIN
30 BCK
29 LRCK
25 OVF FLAGL
24 OVF FLAGR
21 SCDT
22 SCSHIFT
23 SCLATCH
27 INIT
19 SOFTMUTE
2
1
5
6
OUTR1(+)
41HPOUTR1
39HPOUTR2
45HPOUTL1
43HPOUTL2
71HP_MUTE/S_AIR_Rcv_SEL
68A.CAL_OUT/DSP_INTR
63
1DAMP_SCDT/DIR_DIN
2DAMP_SHIFT/DIR_CLK
59DAMP LAT1
60DAMP LAT2
61DAMP LAT3
57DAMP INIT
58SOFT MUTE
55OVERFLOW1
56OVERFLOW2
HPMUTE
SCDT
SHIFT
LAT1
LAT2
LAT3
INIT
SOFTMUTE
OVF1
OVF2
EN
DIAG
DC-DET
54DRIVE RST(EN)
67SD(DIAG)/PVDD_DET
66DC_DET
4OUTR2(–)
11OUTL1(+)
9OUTL2(–)
48XFS0IN
14XFS0OUT
X3051
49.1MHZ
38FS0I
37FS0CKOUT
31
6
DATA
IC307
DATA SELECT
36 XFSIIN
30 BCK
29 LRCK
25 OVF FLAGL
21 SCDT
22 SCSHIFT
23 SCLATCH
27 INIT
19 SOFTMUTE
24 OVF FLAGR
OUTR1(+)
4OUTR2(–)
11OUTL1(+)
9OUTL2(–)
48XFS0IN
14XFS0OUT
38FS0I
5
7
6
(+)
(–)
(–)
(+)
FRONT R
SPEAKER
FRONT L
(+)
(–)
SUR R
(+)
(–)
SUR L
(+)
(–)
(+)
(–)
FAN3001
DC FAN
I
POWER
SECTION
F
AUDIO
SECTION
LINK_SW
A
G
RF
SECTION
AUDIO
SECTION
SIGNAL PATH
: TUNER
LPF
LPF
(Page 31)
(Page 33)
(Page 33)
(Page 35)

Table of Contents

Related product manuals