EasyManua.ls Logo

Sony HCD-DZ280 - DVD Mechanism Deck Section (CDM85-DVBU102)

Sony HCD-DZ280
102 pages
Print Icon
To Next Page IconTo Next Page
To Next Page IconTo Next Page
To Previous Page IconTo Previous Page
To Previous Page IconTo Previous Page
Loading...
80
HCD-DZ280/DZ680/HDZ284/HDZ485
Ref. No. Part No. Description Remark Ref. No. Part No. Description Remark
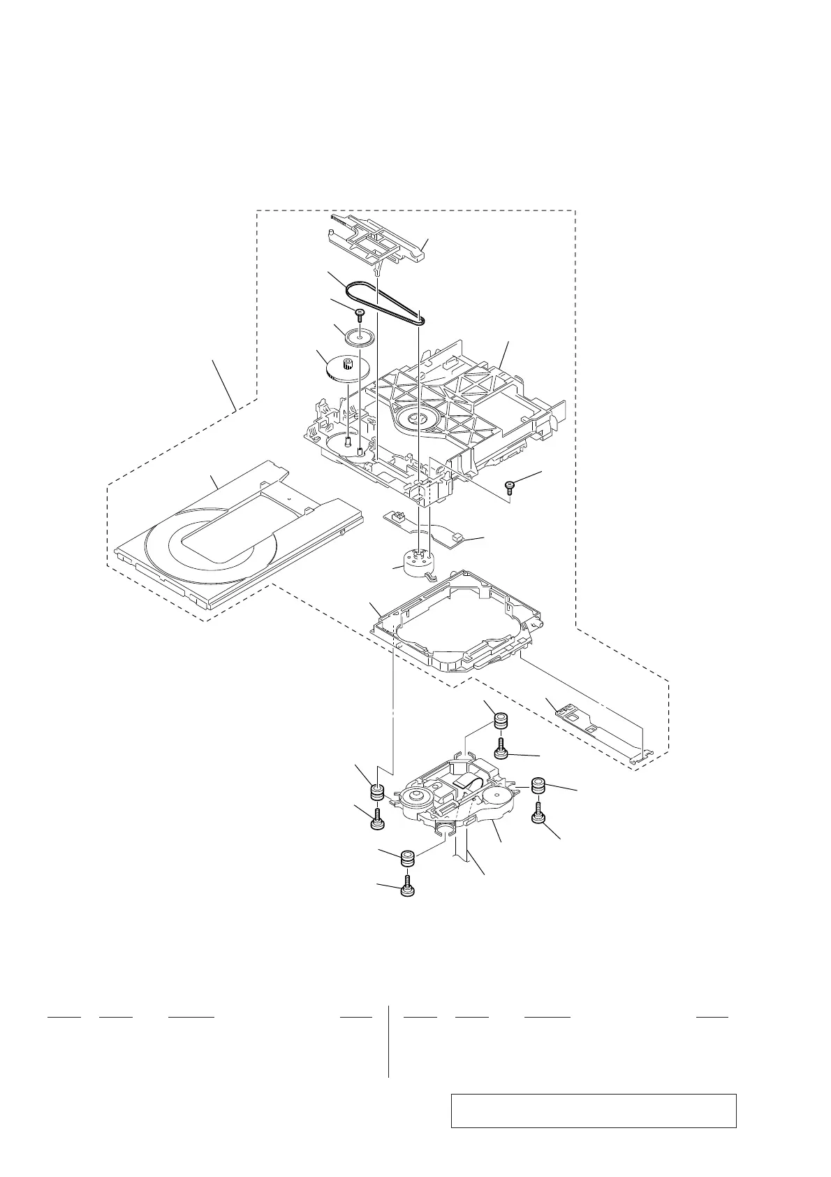
7-4. DVD MECHANISM DECK SECTION
(CDM85-DVBU102)
151 A-6071-669-A LOADING ASSY (M)
152 3-088-371-01 BELT
153 4-974-725-11 SCREW (M1.7X2.5), P
154 4-674-137-11 SCREW (PTP2X5)
155 2-634-618-01 INSULATOR
156 3-087-599-01 INSULATOR SCREW
0 157 8-820-321-12 OPTICAL PICK-UP (KHM313CAA/C2RP1)
158 1-828-773-51 WIRE (FLAT TYPE) (24 CORE)
not supplied
not supplied
not supplied
not supplied
not supplied
not supplied
not supplied
not supplied
(MS-203 board)
not
supplied
151
154
152
153
155
155
155
155
157
158
156
156
156
156
Note: If the wire ( at type) was replaced, fold it some as
the wire ( at type) before replacement.

Table of Contents

Related product manuals