EasyManua.ls Logo

Sony HCD-DZ280 - Schematic Diagram -S-AIR-CON Section (DZ680;HDZ485)

Sony HCD-DZ280
102 pages
Print Icon
To Next Page IconTo Next Page
To Next Page IconTo Next Page
To Previous Page IconTo Previous Page
To Previous Page IconTo Previous Page
Loading...
HCD-DZ280/DZ680/HDZ284/HDZ485
HCD-DZ280/DZ680/HDZ284/HDZ485
5858
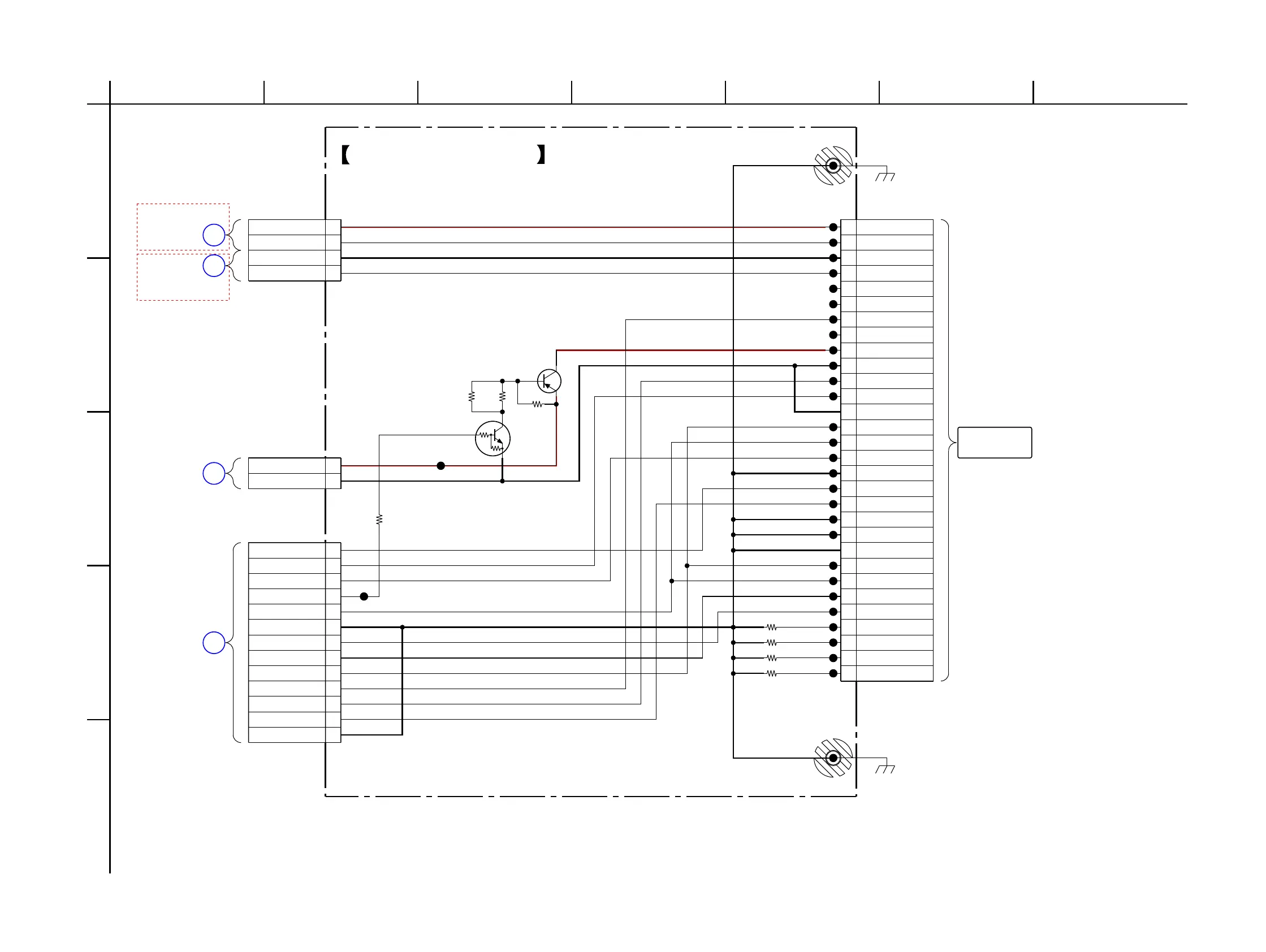
6-26. SCHEMATIC DIAGRAM – S-AIR-CON Section (DZ680/HDZ485) –
BOARD
IO-CONPONENT
L
CN4008
BOARD
POWER
Q
BOARD
MAIN
P
L
BOARD
IO-SCART
CN4008
CN908
(8/10)
CN306
(DZ680/HDZ485)
HDZ485
DZ680
CL113
CL122
CL120
470
R102
CL126
CL101
CL100
CL125
CL115
CL112
CL102
CL105
CL119
CL110
CL108
CL114
CL106
CL109
CL107
CL121
CL104
CL111
CL124
CL103
CL128
CL117
470
R100
CL118
CL127
2SB1690KT146
Q101
B+SWITCH
RT1N441C-TP-1
Q100
B+SWITCH
47k
R103
470
R101
10kR107
10kR104
10kR105
10kR106
1
2
3
4
5
6
7
8
9
10
11
12
13
14
15
16
17
18
19
20
21
22
23
24
25
26
27
28
29
30
30P
CN103
A5V
Rch
AGND
Lch
GPI00
GPI01
GPI02
GPIO3
4V
GND
RESN
ADC_SEL
GND
LRCK1
BCK1
SD1
GND
I2C_SCL
I2C_SDA
SRC_MUTE
IFMT0(Low)
GND
LRCK2
BCK2
GND (for DET)
SD2
SD3
SD4
SPDIF
SPDIF_SEL
CL116
CL123
1
2
3
4
CN101
4P
Lch
AGND
Rch
A+5V
1
2
2P
CN102
GND
E4V
CL129
CL130
1
2
3
4
5
6
7
8
9
10
11
12
13
CN100
13P
GND
I2C_SDA
RESET
GPIO2
LRCK
S-AIR_DET
SD2
GND
BCK
P-CON3
SD1
ADC_SEL
I2C_SCL
CL131
S-AIR-CON BOARD
(CHASSIS)
(CHASSIS)
EZW-T100
(S-AIR TRANSMITTER)
6
C
7
E
5
B
42
D
A
13
(Page 53)
(Page 51)
(Page 63)
(Page 47)

Table of Contents

Related product manuals