EasyManua.ls Logo

Sony HCD-DZ280 - Schematic Diagram -MAIN Section (4;10)

Sony HCD-DZ280
102 pages
Print Icon
To Next Page IconTo Next Page
To Next Page IconTo Next Page
To Previous Page IconTo Previous Page
To Previous Page IconTo Previous Page
Loading...
HCD-DZ280/DZ680/HDZ284/HDZ485
HCD-DZ280/DZ680/HDZ284/HDZ485
4343
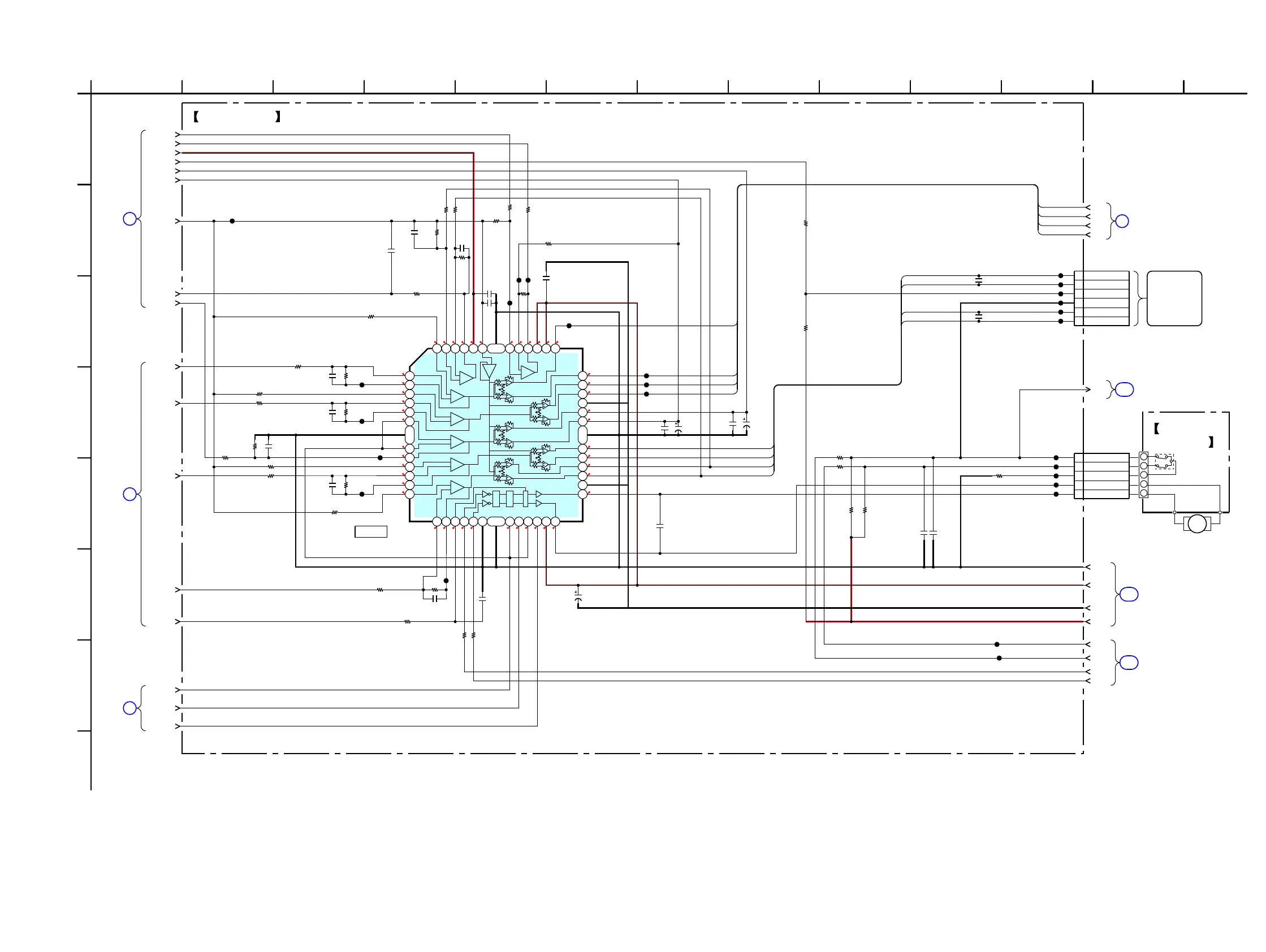
6-11. SCHEMATIC DIAGRAM – MAIN Section (4/10) –
MAIN
6
BOARD
(1/10)
(2/10)
BOARD
8
MAIN
(2/10)
BOARD
9
MAIN
MAIN
7
(1/10)
BOARD
MAIN
17
(6/10)
BOARD
13
MAIN
BOARD
(6/10)
BOARD
10
MAIN
(2/10)
1.4<0.4>
4.9
1.4
2.6<2.2>
1.4
3.3<3>
3.3<3>
2.6<1.7>
9.9
4.8
4.9
3.5
3.3
3.3
3.3
9.9
4.7
1.4
1.4<1.1>
0
3.3
3.3
3.3
2.2
1.4
1.4
1.4
1.4
1.4
1.4
1.4
1.4
1.4
3.3
2.6<2.2>
9.9
4.7<4.5>
4.7<4.4>
4.7<4.4>
4.7<4.4>
4.8<3.6>
4.7<4.5>
4.7<5.3>
4.7
3.3
0.01
C1212
0.5%
100k
R1223
33k
R1208
220p
C1205
0.5%
56k
R1221
0.5%
15k
R1231
27k
R1219
1.2k
R1204
0.033
C1211
0.01
C1203
1000p
C1226
12k
R1216
0.01
C1219
15k
R1214
0.5%56k
R1226
0.01C1213
0.01
C1210
1k
R1237
4700p
C1233
33k
R1209
10k
R1205
10k
R1206
0
R1228
0.5%
18k
R1232
1000p
C1225
0.5%
82k
R1230
0
R1227
0.5%
100k
R1225
0.033
C1209
0.1
C1223
1k
R1236
10k
R1224
0.01
C1208
1k
R1247
47k
R1210
33k
R1222
10k
R1234
0.01
C1224
10k
R1212
6.8k
R1213
12k
R1215
4.7k
R1246
1k
R1220
220p
C1206
0.01
C1215
1000p
C1214
2.7k
R1207
JL1206
JL1205
JL1203
JL1204
JL1202
JL1201
373839404142434445464748
FIN
FIN
IC1201
FAN8036L
IN1-
OUT1
IN2+
IN2-
OUT2
RES1
RES2
REGCTL
IN3+
IN3-
OUT3
IN4+
IN4-
OUT4
CTL
FWD
REV
SGND
MUTE123
MUTE4
PS
TSD_M
PVCC2
DO5-
DO5+
PGND2
DO4-
DO4+
DO3-
DO3+
REGO2
REGO1
PGND1
DO2-
DO2+
DO1-
DO1+
PVCC1
REGVCC
OPOUT2
OPIN2-
OPIN2+
VREF
SVCC
OPOUT1
OPIN1-
OPIN1+
IN1+
JL1207
JL1208
JL1209
JL1210
JL1211
JL1212
JL1213
CL1213
SPFG
5V
TRO
VREFO
CKSW
FMO
D3.3V
IOP
OCSW
DMO
IOPMON
TROPENPWM
FCS-
D-GND
LIMITSW
FWD
FCS+
REV
TRK+
MUTE123
FOO
TRK-
RF+3.3V
MUTE
REG01
TSD_M
REG02
M+9V
M-GND
0.1
C1222
CL1201
CL1202
CL1203
CL1204
CL1205
CL1206
CL1207
CL1208
CL1209
CL1210
CL1211
CL1212
0.1
C1221
0.5%
33k
R1233
1k
R1239
R1238
1k
47R1243
5P
CN1202
LDM+
LDM-
GND
CKSW1/FWD
OCSW1/REV
1
2
3
4
5
6
6P
CN1201
SP-
SP+
LIMIT
(GND)LIMIT
SL-
SL+
16V
47
C1217
50V
10
C1220
50V
10
C1218
OCSW1
M
M001
(LOADING)
FCS-
FCS+
TRK+
TRK-
FCS+
TRK+
TRK-
SL+
SP-
SP+
SL-
FCS-
SP-
SP+
SL-
SL+
-
D
+
-
-
D
S
+
+
+
M
+
+
-
C
-
-
-
S
+
+
+
W
-
-
1
2
3
4
5
MAIN BOARD (4/10)
FOCUS/TRACKING DRIVER,
IC1201
LOADING/SPINDLE/SLED MOTOR DRIVER
()
MOTOR
DVD DRIVE
SPINDLE/SLED
(2/2)
+
MS-203
-
DETECT
)
CHUCK/TRAY
(
BOARD
S001
B
1191 63 10
F
A
4
D
12
C
78
G
E
25
CN001
5P
13
1
2
3
4
5
6
7
8
9
10
11
12
13 14 15 16 17 18 19 20 21 22 23 24
25
26
27
28
29
30
31
32
33
34
35
36
FIN
FIN
1
2
3
4
5
(Page 40)
(Page 41)
(Page 41)
(Page 41)
(Page 45)
(Page 45)
(Page 40)

Table of Contents

Related product manuals