EasyManua.ls Logo

Sony HCD-DZ770W - Schematic Diagram - DMB10 Board (1;4)

Sony HCD-DZ770W
90 pages
Print Icon
To Next Page IconTo Next Page
To Next Page IconTo Next Page
To Previous Page IconTo Previous Page
To Previous Page IconTo Previous Page
Loading...
3030
HCD-DZ770W
HCD-DZ770W
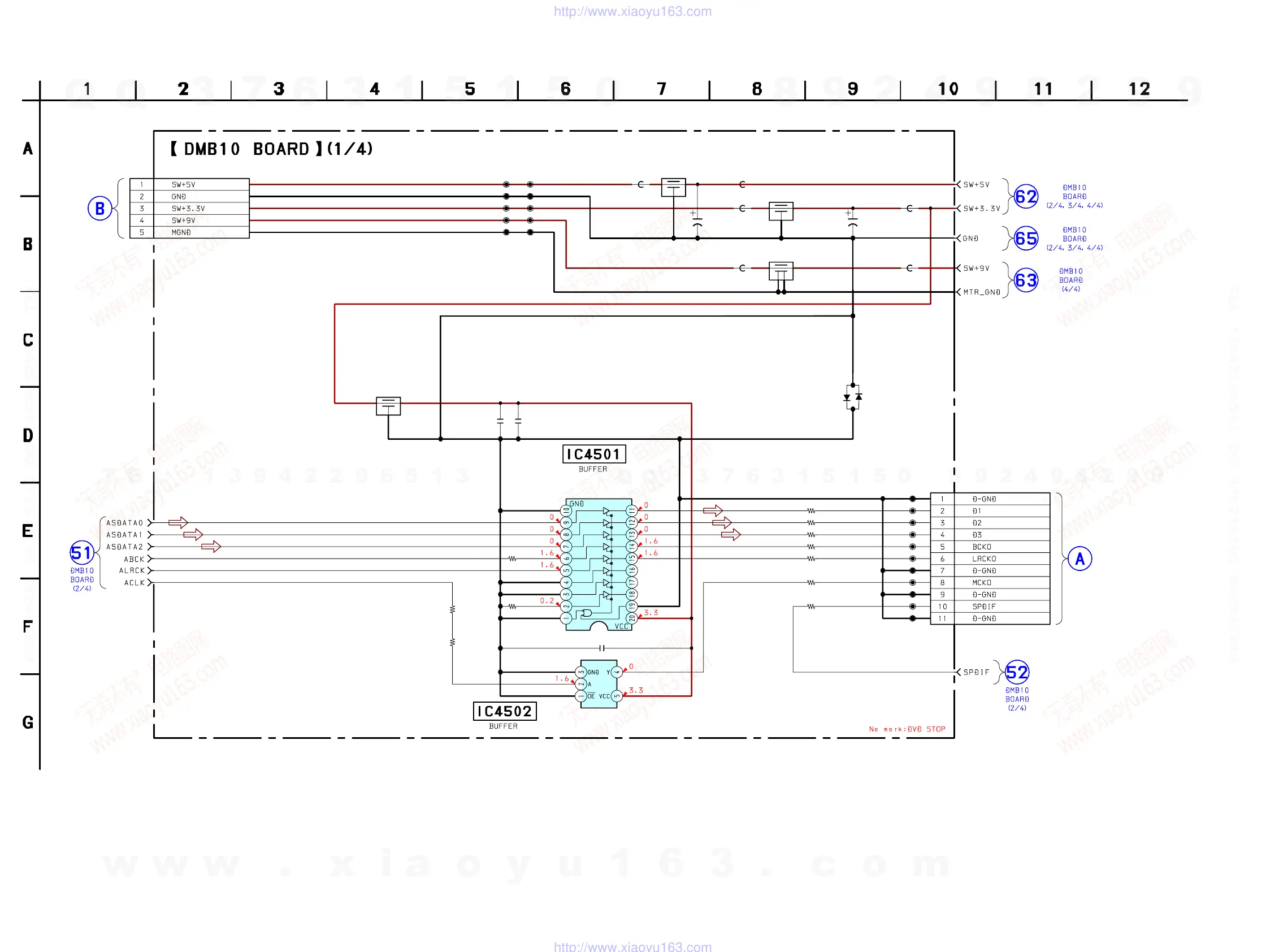
6-9. SCHEMATIC DIAGRAM – DMB10 BOARD (1/4) –
MAIN
BOARD
(2/8)
CNP506
(Page 37)
(Page 31)
(Page 31)
(Page 33)
(Page 31, 32, 33)
(Page 31, 32, 33)
MAIN
BOARD
(2/8)
CN504
(Page 37)
JL4601
C402 C403
JL4602
JL4603 JL4604
JL4605 JL4606
JL4607 JL4608
JL4609 JL4610
FL401
FL402
FB401
FB402
FB403
FB404
FB405
FB406
FL403
CN401
JL4511
JL4510
JL4509
JL4508
JL4507
JL4506
JL4505
JL4504
JL4503
JL4502
JL4501
R4501
R4512
R4513
R4518
R4520
IC4502
FL4501
IC4501
C4504
R4502
D3501D3502
CN4501
C4501
C4502
R4511
R4510
R4516
R4515
R4514
47
16V
47
6.3V
0UH
EMI
0UH
0UH
0UH
0UH
0UH
0UH
0UH
5P
0
0UH
0
0
0
SN74AHC1GU
04DCKR
0UH
SN74LVC541
APWR
0.01
0
1SS355TE-171SS355TE-17
11P
10
0.01
100
47
100
100
100
w
w
w
.
x
i
a
o
y
u
1
6
3
.
c
o
m
Q
Q
3
7
6
3
1
5
1
5
0
9
9
2
8
9
4
2
9
8
T
E
L
1
3
9
4
2
2
9
6
5
1
3
9
9
2
8
9
4
2
9
8
0
5
1
5
1
3
6
7
3
Q
Q
TEL 13942296513 QQ 376315150 892498299
TEL 13942296513 QQ 376315150 892498299
http://www.xiaoyu163.com
http://www.xiaoyu163.com

Table of Contents