EasyManua.ls Logo

Sony HCD-DZ770W - Schematic Diagram - AUDIO IN;OUT Section

Sony HCD-DZ770W
90 pages
Print Icon
To Next Page IconTo Next Page
To Next Page IconTo Next Page
To Previous Page IconTo Previous Page
To Previous Page IconTo Previous Page
Loading...
4747
HCD-DZ770W
HCD-DZ770W
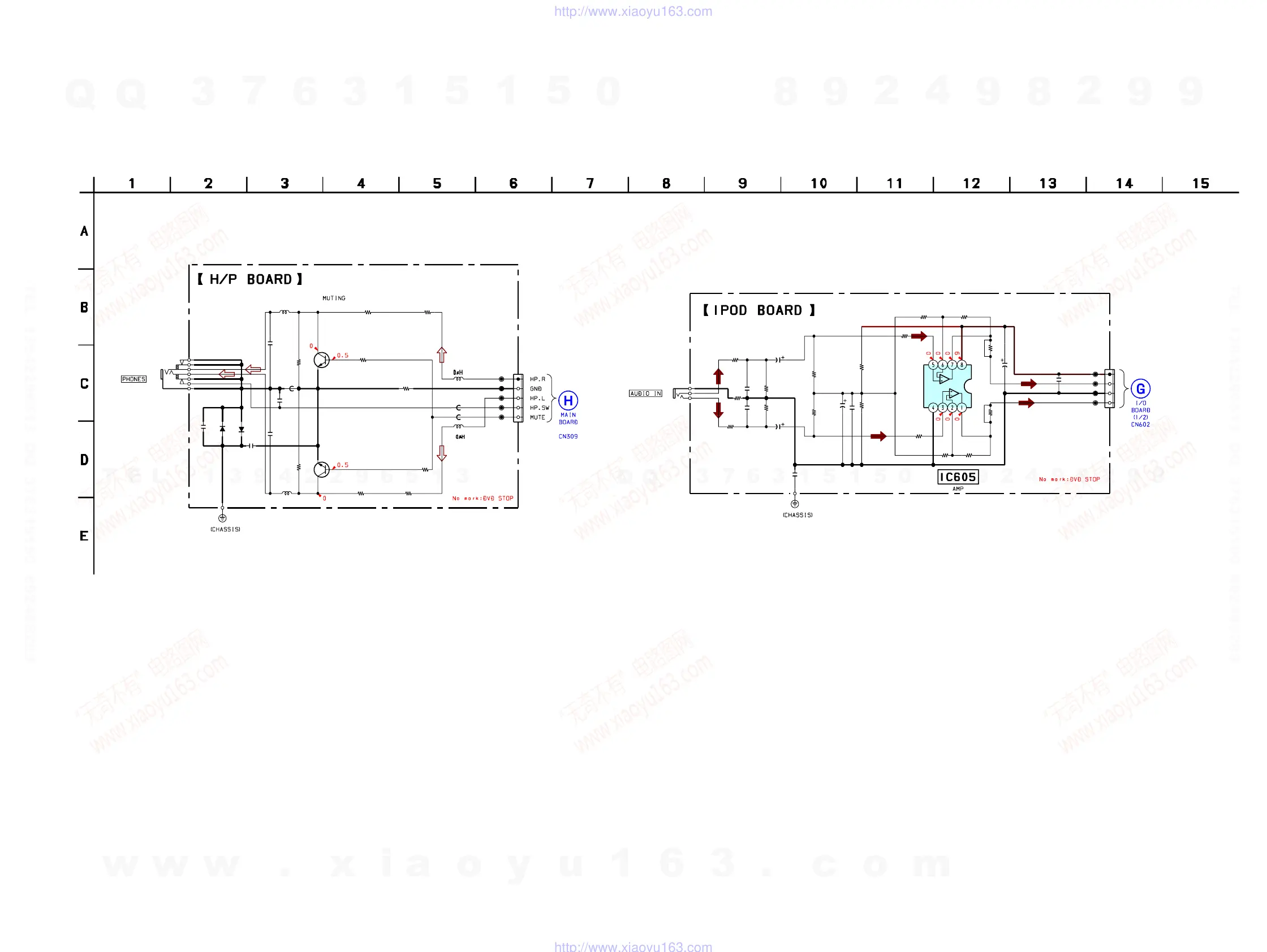
6-26. SCHEMATIC DIAGRAM – AUDIO IN/OUT SECTION –
L813
L811
FB813
L812
L814
C881
TP875
TP873
TP872
TP871
TP874
FB811
Q808
Q807
C882
C885
R861
R862
R864
R863
FB812
R866
R865
R867
R869
C637
C638
R605
R621
R665
C641
IC605
R677
R678
TP635
C646
0.001
TP636
TP637
TP638
C636
C639
C640
R666
C642
R669
R643
R642
R683
R684
C884
C883
CNP803
J801
D821
D822
FB814
J603
R667
R673R672
R668
R670 R671
C643
CNP602
0
0
0UH
470p
0UH
2SC5938-T112-1B
2SC5938-T112-1B
470p
0.1
4.7k
4.7k
22
22
0
47
47
4.7k
4.7k
100p
100p
470
0
470
100
16V
MC4558CD
100k
100k
0
10
50V
10
50V
4.7k
0.1
4.7k
0
0
0
0
0.01
0.01
5P
1SS355TE-17
1SS355TE-17
0
4.7k
1k1k
4.7k
1k 1k
100
16V
4P
(5/8)
(Page 40)
(Page 50)
Q807,808
w
w
w
.
x
i
a
o
y
u
1
6
3
.
c
o
m
Q
Q
3
7
6
3
1
5
1
5
0
9
9
2
8
9
4
2
9
8
T
E
L
1
3
9
4
2
2
9
6
5
1
3
9
9
2
8
9
4
2
9
8
0
5
1
5
1
3
6
7
3
Q
Q
TEL 13942296513 QQ 376315150 892498299
TEL 13942296513 QQ 376315150 892498299
http://www.xiaoyu163.com
http://www.xiaoyu163.com

Table of Contents