EasyManua.ls Logo

Sony HCD-DZ830W - Page 70

Sony HCD-DZ830W
124 pages
Print Icon
To Next Page IconTo Next Page
To Next Page IconTo Next Page
To Previous Page IconTo Previous Page
To Previous Page IconTo Previous Page
Loading...
7070
HCD-DZ830W/DZ850KW
HCD-DZ830W/DZ850KW
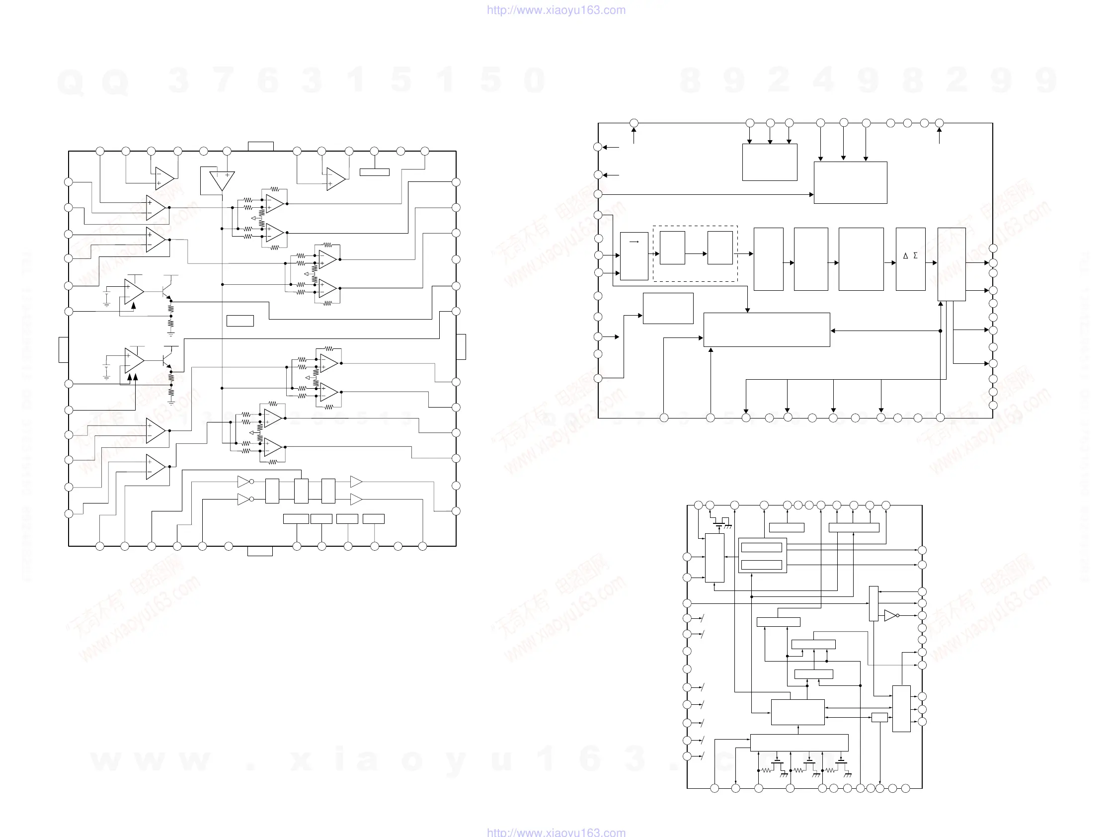
IC Block Diagrams
– MAIN Board –
OUT1
IN1-
FI N
(GND)
FI N
(GND)
IN2 +
IN2-
OUT2
RES1
REGCTL
IN3+
IN3 -
OUT3
IN4+
FI N
(GND)
IN4-
OUT4
CTL
FWD
REV
MUTE 123
MU TE 4
TS D_M
PV CC2
DO5-
DO5+
P G ND2
DO4-
DO4+
DO3-
DO3+
REGO2
REGO1
P GND1
DO2-
DO2+
DO1-
FI N
(GND)
DO1+
PV CC1
REGVCC
OPOUT2
OPIN 2-
OPIN 2+
VREF
SVCC
OPOUT1
OPIN1-
OPIN 1+
IN1+
SGND
D
D
REGVCC
RES2
REGVCC
REGVCC
REGVCC
PS
1
2
3
4
5
6
7
8
9
10
11
12
13 14 15 16 17 18 19 20 21 22 23 24
25
26
27
28
29
30
31
32
33
34
35
36
373839404142434445464748
MUTE123 MUTE4 PS TSD_M
S
W
M
S
C
+
-
TSD
REGVCC
IC1201 FAN8036L
39
HPOUTR2
41
HPOUTR1
43
HPOUTL2
45
HPOUTL1
44
HPVSSL
40
HPVSSR
46
HPVDDL
42
HPVDDR
47
XVDD
4
OUTR2-
5
VDDR
7
VSSR
8
VSSL
1
XVSS
2
XSUBC
3
VSSR
6
OUTR1+
9
10
OUTL2-
VDDL
12
VSSL
11
OUTL1+
48
14
XFSOOUT
XFSOIN
37
FSOCKO
38
FSOI
28
MCKSEL
26
SFLAG
36
XFSIIN
35
DVDD
24
25
31
OVF FLAG L
DATA
30
BCK
29
LRCK
34
TEST
33
BFVSS
32
BFVDD
27
INIT
18
NSPMUTE
17
DXSS
16
DVDD
15
XDVDD
19
SOFTMUTE
20
PGMUTE
21
SCDT
22
SCSHIFT
23
SSCLATCH
OVF FLAG R
SP
DF1 DF2
Simpling Rate
Converter
Filter1
&
LOW
CUT
Filter
Gain
Control
Liner
Interpolator
PWM
Clock
Generator
Clock
Generator
(Tow dementional System)
(Primary System)
INT/MUTE
Serial
Control
IC3010, IC3020, IC3030 CXD9843AR
IC702 LC890561W
37CE
38CLK
39XSEL
40MODE0
41MODE1
42DGND
43DVDD
44DOSEL0
45DOSEL1
46CKSEL0
47CKSEL1
48XMODE
36
DI
MICRO
CONTROLLER
35
DO
34
ERROR
33
BPSYNC
32
VREF
31
DGND
30
DVDD
29
VF/DATAO2
28
F2/DLMP
27
F1/FSB1
26
F0/FSB0
25
CSFLAG
1
DISEL
2
DOUT
3
DIN0
4
DIN1
5
DIN2
6
DGND
7
DVDD
8
SDIN
9
AGND
10
LPF
11
AVDD
12
AGND
23 EMPHA
22 XIN
24 AUDIO
21 XOUT
20 XMCK
19 DVDD
18 DGND
17 XSTATE
16 DATAO
15 LRCK
14 BCK
13 CKOUT
PA,PB DETECT
REGULATOR FS CALCULATION
AMP
CLOCK
SELECTOR
DATA SELECTOR
DATA SELECTOR
BUFFER RAM
INPUT SELECTOR
PLL
DEMODULATION
&
LOCK DETECT
C-BIT DETECT
w
w
w
.
x
i
a
o
y
u
1
6
3
.
c
o
m
Q
Q
3
7
6
3
1
5
1
5
0
9
9
2
8
9
4
2
9
8
T
E
L
1
3
9
4
2
2
9
6
5
1
3
9
9
2
8
9
4
2
9
8
0
5
1
5
1
3
6
7
3
Q
Q
TEL 13942296513 QQ 376315150 892498299
TEL 13942296513 QQ 376315150 892498299
http://www.xiaoyu163.com
http://www.xiaoyu163.com

Table of Contents

Related product manuals