EasyManua.ls Logo

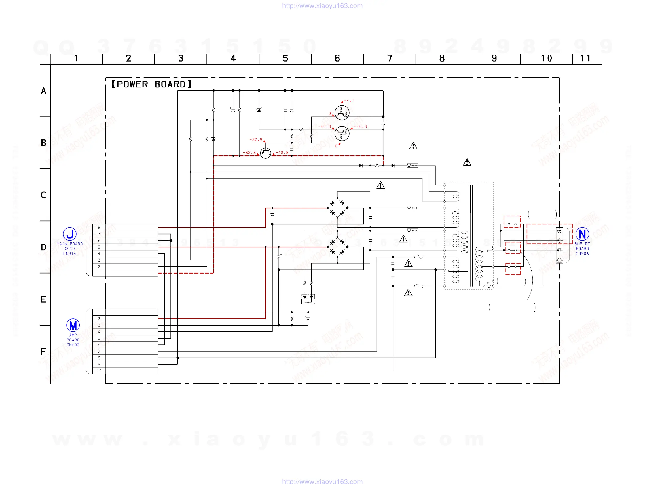
Sony HCD-GPZ6 - Schematic Diagram - POWER Board

Sony HCD-GPZ6
74 pages
Print Icon
To Next Page IconTo Next Page
To Next Page IconTo Next Page
To Previous Page IconTo Previous Page
To Previous Page IconTo Previous Page
Loading...
HCD-GPZ6/GPZ7
4141
HCD-GPZ6/GPZ7
D916
R909
R902R901
C921
D902
D903
D904
D905
C910
C911
C912
R915
C907
C909
D908D906
D907 D909
R903
C916
R913
D910
R905
R906
C901
C904
D918
Q901
R908
R910R911
C902
C903
R912
CN901
CN902
Q903
Q902
C922
D917
T901
JW917
JW916
JW918
F901
F902
CN903
R907D919
R914
MC2838
10k
1k1k
4.7 50V
1N4002B
1N4002B
1N4002B
1N4002B
2200
25V
0.1
50V
0.1
50V
0.22
1/4W
0.1
0.1
1N4002B1N4002B
1N4002B 1N4002B
4.7k
3300
25V
2.2
1/4W1N4002B
47k
10k
0.01
10
50V
UDZTE-17 5.1B
KTA1266-GR-AT
22k
100100
10
50V0.01
4.7k
8P
10P
RT1P144C-TP-1
RT1N144C-TP-1
22
50V
UDZS-TE17-33B
100k1SS355
UNREG HIGH
UNREG GND
FL AC
FL AC
FL -30V
+POWER
-POWER
POWER GND
AC DETECT
UNREG GND
CD UNREG HIGH
CD UNREG GND
POWER GND
CD GND HIGH
UNREG GND
UNREG GND
CD UNREG GND
MAIN POWER
TRANSFORMER
NOT REPLACEABLE:
BUILT IN TRANSFORMER
Q901-903
-33V REGULATOR
CD UNREG HIGH
NEUTRAL
220V(230V)
240V
120V
GPZ6:SP/
GPZ7:E,E51
(GPZ6:AUS)
GPZ6:SP/
GPZ7:E,E51
GPZ6:UK,AR,KR/
GPZ7:AEP,EE,RU,AR
2P(EXCEPT GPZ6:SP/GPZ7:E,E51)
4P(GPZ6:SP/GPZ7:E,E51)
T3.15AL 250V
T4AL 250V
(GPZ6:SP,AR,KR,AUS)
(GPZ6:UK,GPZ7)
F901,902
0.1 1/2W
0.22 1/2W
(GPZ6:UK/GPZ7)
(GPZ6:SP,AR,KR,AUS)
CN903
7-21. SCHEMATIC DIAGRAM – POWER Board –
(Page 33)
(Page 35)
(Page 43)
Ver. 1.1
w
w
w
.
x
i
a
o
y
u
1
6
3
.
c
o
m
Q
Q
3
7
6
3
1
5
1
5
0
9
9
2
8
9
4
2
9
8
T
E
L
1
3
9
4
2
2
9
6
5
1
3
9
9
2
8
9
4
2
9
8
0
5
1
5
1
3
6
7
3
Q
Q
TEL 13942296513 QQ 376315150 892498299
TEL 13942296513 QQ 376315150 892498299
http://www.xiaoyu163.com
http://www.xiaoyu163.com

Table of Contents

Related product manuals