EasyManua.ls Logo

Sony HCD-GPZ6 - Schematic Diagram - SUB PT Board

Sony HCD-GPZ6
74 pages
Print Icon
To Next Page IconTo Next Page
To Next Page IconTo Next Page
To Previous Page IconTo Previous Page
To Previous Page IconTo Previous Page
Loading...
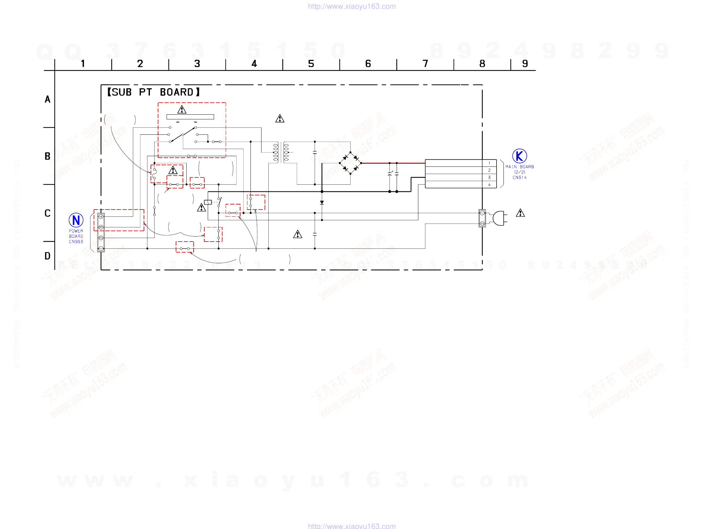
HCD-GPZ6/GPZ7
4343
HCD-GPZ6/GPZ7
D912
D913
D914
D915
C915
C920
CN907
C919
D911 CN905
T902
C914
JW911 JW904
JW907
JW906
JW908
JW913
JW901
JW928
JW905
F903
RY901
S901
CN906
1N4002B
1N4002B
1N4002B
1N4002B
0.1
0.1
4P
1000
16V
1SS355 2P
0.01
250V
L
N
SUB+
SUB GND
RELAY ON
NC
(AC IN)
SUB POWER
TRANSFORMER
NEUTRAL
EXCEPT GPZ6:SP/
GPZ7:E,E51
GPZ7:E,E51
EXCEPT
GPZ6:SP/
(GPZ6:SP/GPZ7:E,E51)
VOLTAGE SELECTOR
120V 220V
GPZ6:SP/
GPZ7:E,E51
F903
T1.6AL 250V(GPZ6:SP)
T2.5AL 250V(GPZ7:E,E51,MX)
230-240V
220V(230V)
240V
120V
2P(EXCEPT GPZ6:SP/GPZ7:E,E51)
4P(GPZ6:SP/GPZ7:E,E51)
GPZ7:E,E51,MX
EXCEPT GPZ6:SP/
GPZ7:E,E51,MX
GPZ6:SP/
7-23. SCHEMATIC DIAGRAM – SUB PT Board –
(Page 41)
(Page 33)
Ver. 1.1
w
w
w
.
x
i
a
o
y
u
1
6
3
.
c
o
m
Q
Q
3
7
6
3
1
5
1
5
0
9
9
2
8
9
4
2
9
8
T
E
L
1
3
9
4
2
2
9
6
5
1
3
9
9
2
8
9
4
2
9
8
0
5
1
5
1
3
6
7
3
Q
Q
TEL 13942296513 QQ 376315150 892498299
TEL 13942296513 QQ 376315150 892498299
http://www.xiaoyu163.com
http://www.xiaoyu163.com

Table of Contents

Related product manuals