EasyManua.ls Logo

Sony HCD-GPZ6 - Block Diagram - PANEL;POWER SUPPLY Section

Sony HCD-GPZ6
74 pages
Print Icon
To Next Page IconTo Next Page
To Next Page IconTo Next Page
To Previous Page IconTo Previous Page
To Previous Page IconTo Previous Page
Loading...
HCD-GPZ6/GPZ7
2222
HCD-GPZ6/GPZ7
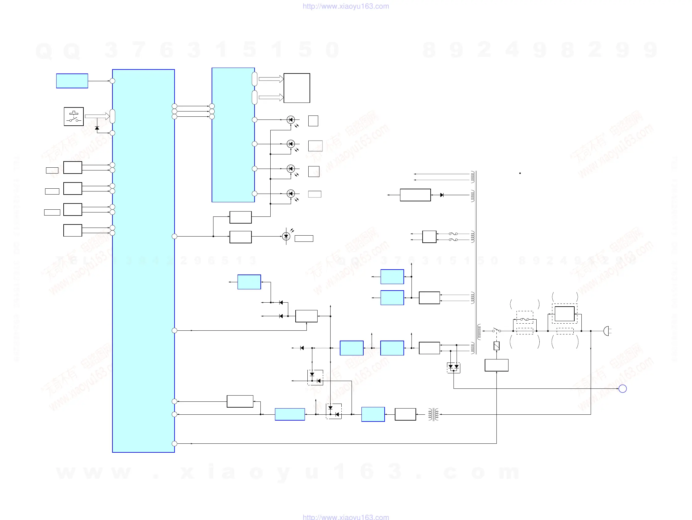
7-3. BLOCK DIAGRAM – PANEL/POWER SUPPLY Section –
4
42 ELV E1/BASS A
43 ELV E0/BASS B
REMOTE CONTROL
RECEIVER
IC802
S701 – 707,
S708 – 717,
S718 –726
ROTARY
ENCODER
BASS
S801
40 ELV E3/TRE A
41 ELV E2/TRE B
ROTARY
ENCODER
TREBLE
S802
88 VOL A
89 VOL B
3STBY LED
ROTARY
ENCODER
VOLUME
S803
97 SEARCH A
100 SEARCH B
ROTARY
ENCODER
(JOG)
S804
81FL CLK
FL DATA
80FL STB
34CD BD POWER
72STBY-RELAY
7DIN
8CLK
9STB
1LED1
FL701
FLUORESCENT
INDICATOR
TUBE
TAPE
B
D803
CD
u
D801
2LED2
TUNER/
BAND
D802
3LED3
LED DRIVE
Q805
LED DRIVE
Q800
STANDBY
D805
FL DRIVER
IC801
SYSTEM CONTROLLER
IC306 (3/3)
39
SIRCS IN/
WAKE
74 KEY WAKE UP
F902
D916
RECT
D910
RY901
F901
T901
MAIN POWER
TRANSFORMER
T902
SUB POWER
TRANSFORMER
RECT
D901
F903
RECT
D906 – 909
+POWER
–POWER
CD UNREG
RECT
D902 – 905
RELAY DRIVE
Q319, 320
+7V
REGULATOR
IC305
UNREG
+4V
REGULATOR
IC307
FL AC
FL AC
FL –30V
–33V REGULATOR
Q901 – 903
(AC IN)
AC DET
C
B+ SWITCH
Q312, 313
D311
D312
D314
A +3.3V
D +3.3V
31 – 42
GR1 – GR12
14 – 29
SG1 – SG16
90 – 92
KEY1 – KEY3
12
RESET
20
AC-CUT
VOLTAGE DETECT
IC309
RESET SWITCH
Q314
D303
U-COM B+
D316
DSGX
D804
4LED4
VM +7V
D +4V
+3.3V
RECT
D912 – 915
+4V
REGULATOR
IC308
D302
EVOL +3.3V
+9V
REGULATOR
IC304
+10V
REGULATOR
IC310
A+9V
M+10V
+2.5V
REGULATOR
IC202
D +2.5V
GPZ6: SP/
GPZ7: E, E51,MX
EXCEPT
GPZ6: SP/
GPZ7: E, E51,MX
GPZ6: SP/
GPZ7: E, E51
EXCEPT
GPZ6: SP/
GPZ7: E, E51
S901
VOLTAGE
SELECTOR
Abbrivation
: Chilean and Peruvian modelsE51
: Mexican modelMX
: Singapore modelSP
(Page 21)
Ver. 1.1
w
w
w
.
x
i
a
o
y
u
1
6
3
.
c
o
m
Q
Q
3
7
6
3
1
5
1
5
0
9
9
2
8
9
4
2
9
8
T
E
L
1
3
9
4
2
2
9
6
5
1
3
9
9
2
8
9
4
2
9
8
0
5
1
5
1
3
6
7
3
Q
Q
TEL 13942296513 QQ 376315150 892498299
TEL 13942296513 QQ 376315150 892498299
http://www.xiaoyu163.com
http://www.xiaoyu163.com

Table of Contents

Related product manuals