EasyManua.ls Logo

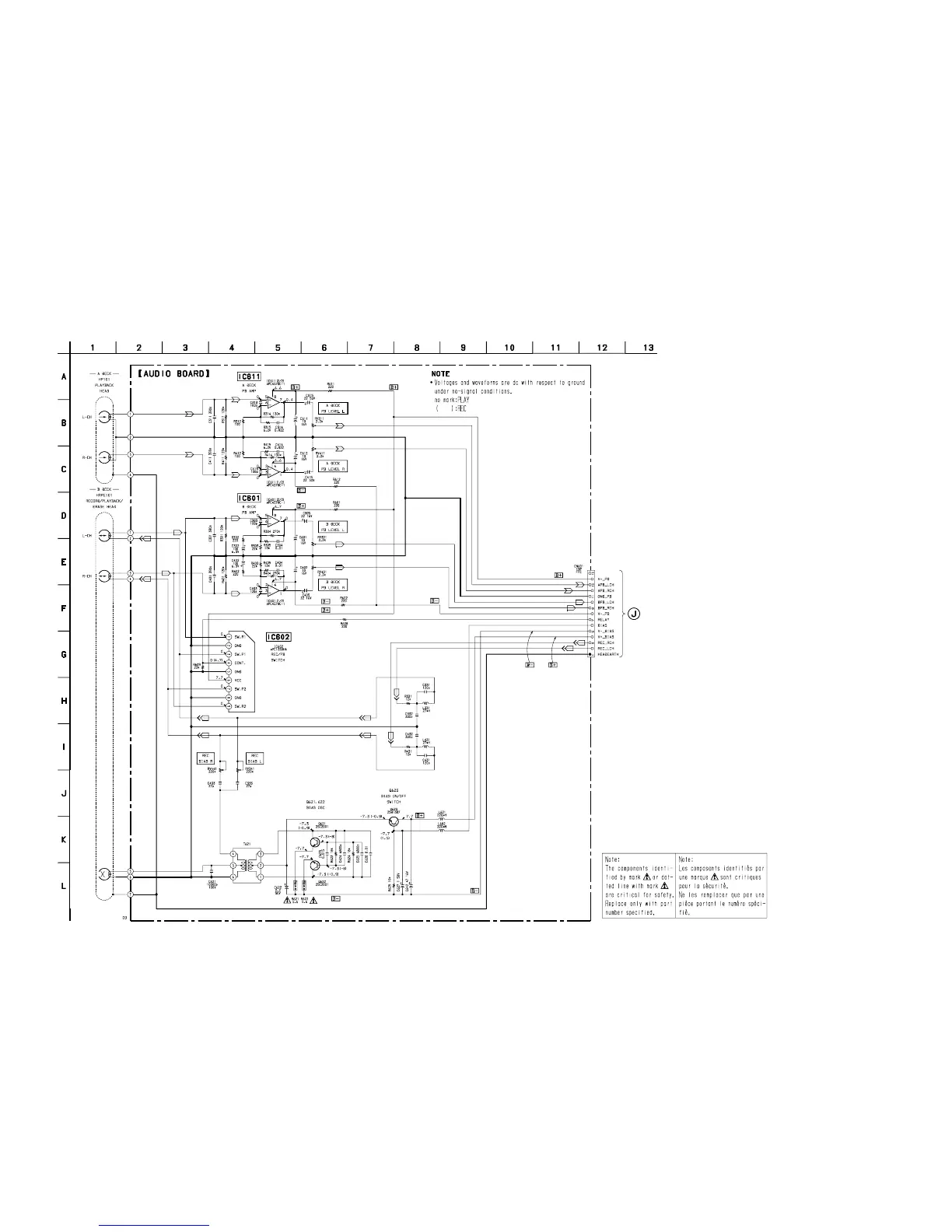
Sony HCD-MDX10 - Compact Disk Deck Receiver Component - Schematic Diagram - Deck Section

Sony HCD-MDX10 - Compact Disk Deck Receiver Component
112 pages
Print Icon
To Next Page IconTo Next Page
To Next Page IconTo Next Page
To Previous Page IconTo Previous Page
To Previous Page IconTo Previous Page
Loading...
HCD-MDX10
– 79 – – 80 –
8-14. SCHEMATIC DIAGRAM – DECK SECTION –
(Page 71)

Table of Contents

Related product manuals