EasyManua.ls Logo

Sony HCD-RX9 - Schematic Diagrams; Main Section Schematic Diagram (3;4)

Sony HCD-RX9
101 pages
Print Icon
To Next Page IconTo Next Page
To Next Page IconTo Next Page
To Previous Page IconTo Previous Page
To Previous Page IconTo Previous Page
Loading...
– 57 –
– 58 –
HCD-GRX8/R800/RX88/RX99
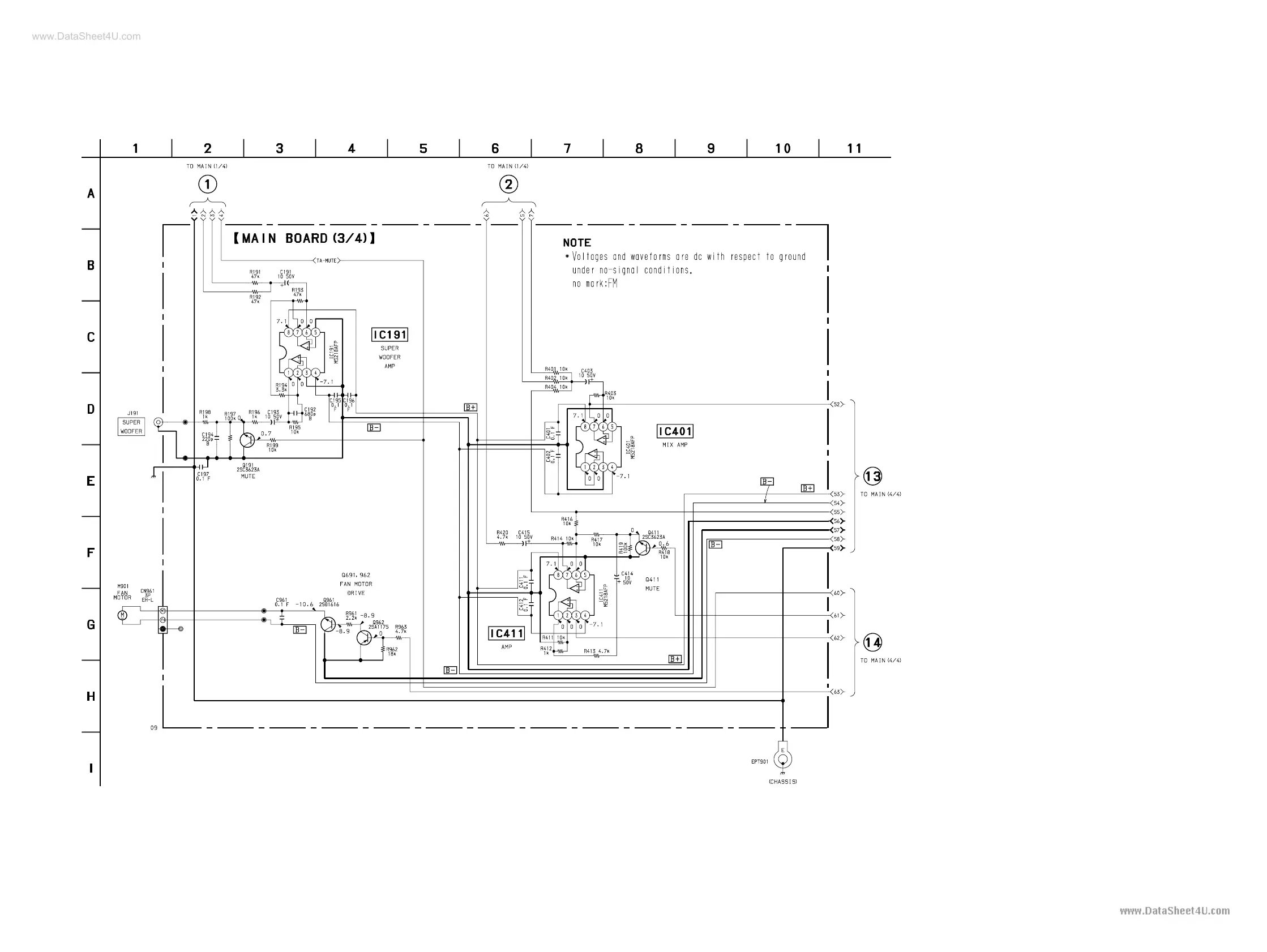
7-14. SCHEMATIC DIAGRAM – MAIN (3/4) SECTION –
• See page 51 for Printed Wiring Board.
(Pasge 53)
(Page 53)
(Page 59)
(Page 59)
www.DataSheet4U.com

Table of Contents

Related product manuals