EasyManua.ls Logo

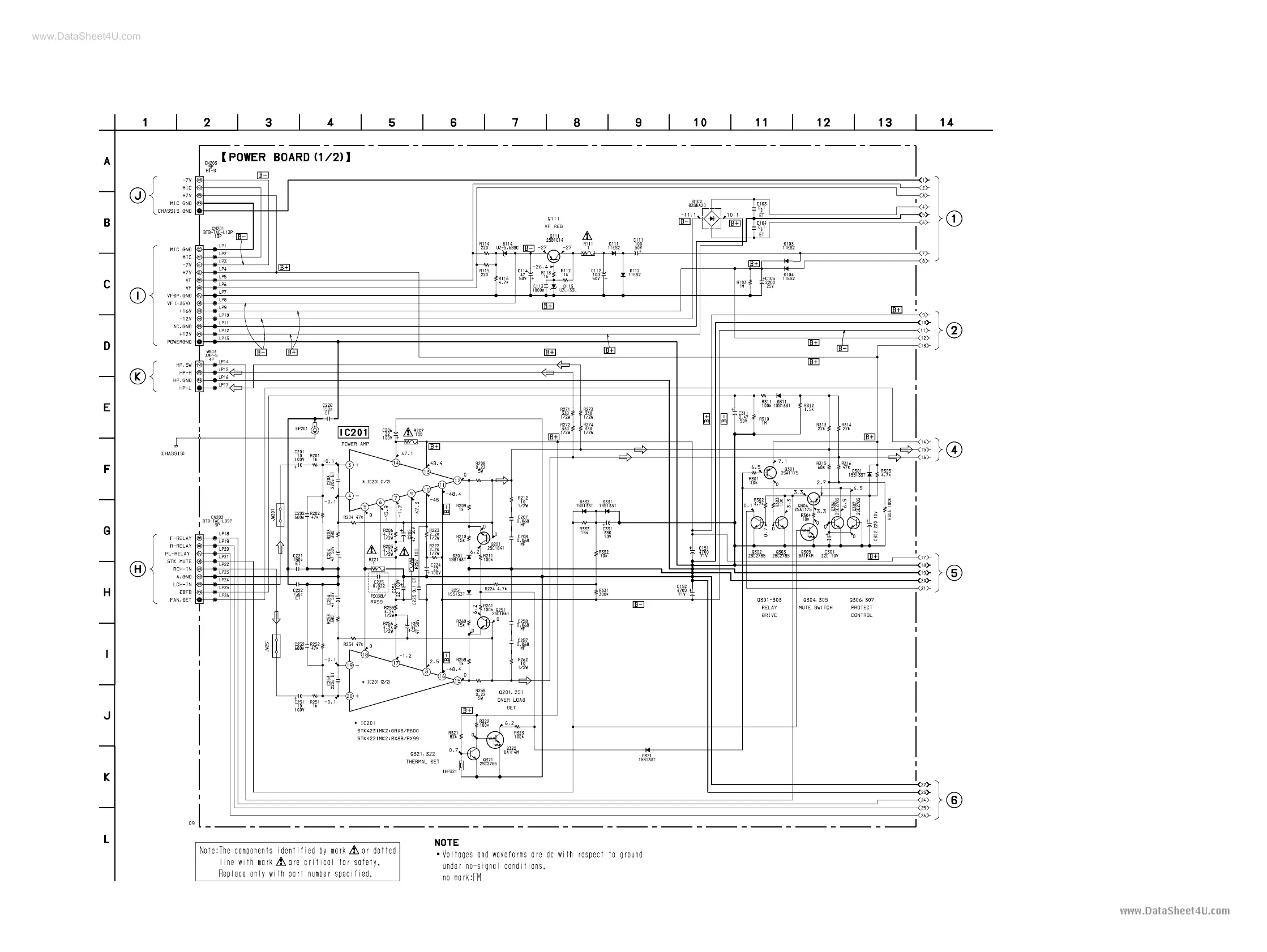
Sony HCD-RX9 - Schematic Diagrams; Power Section Schematic Diagram

Sony HCD-RX9
101 pages
Print Icon
To Next Page IconTo Next Page
To Next Page IconTo Next Page
To Previous Page IconTo Previous Page
To Previous Page IconTo Previous Page
Loading...
– 65 – – 66 –
HCD-GRX8/R800/RX88/RX99
7-19. SCHEMATIC DIAGRAM – POWER SECTION –
(Page
61)
(Page
61)
(Page
60)
(Page
60)
(Page 67)
(Page 67)
(Page 67)
(Page 67)
(Page 67)
www.DataSheet4U.com

Table of Contents

Related product manuals