EasyManua.ls Logo

Sony HCD-U1BT - Page 93

Sony HCD-U1BT
106 pages
Print Icon
To Next Page IconTo Next Page
To Next Page IconTo Next Page
To Previous Page IconTo Previous Page
To Previous Page IconTo Previous Page
Loading...
55
HCD-U1BT
HCD-U1BT
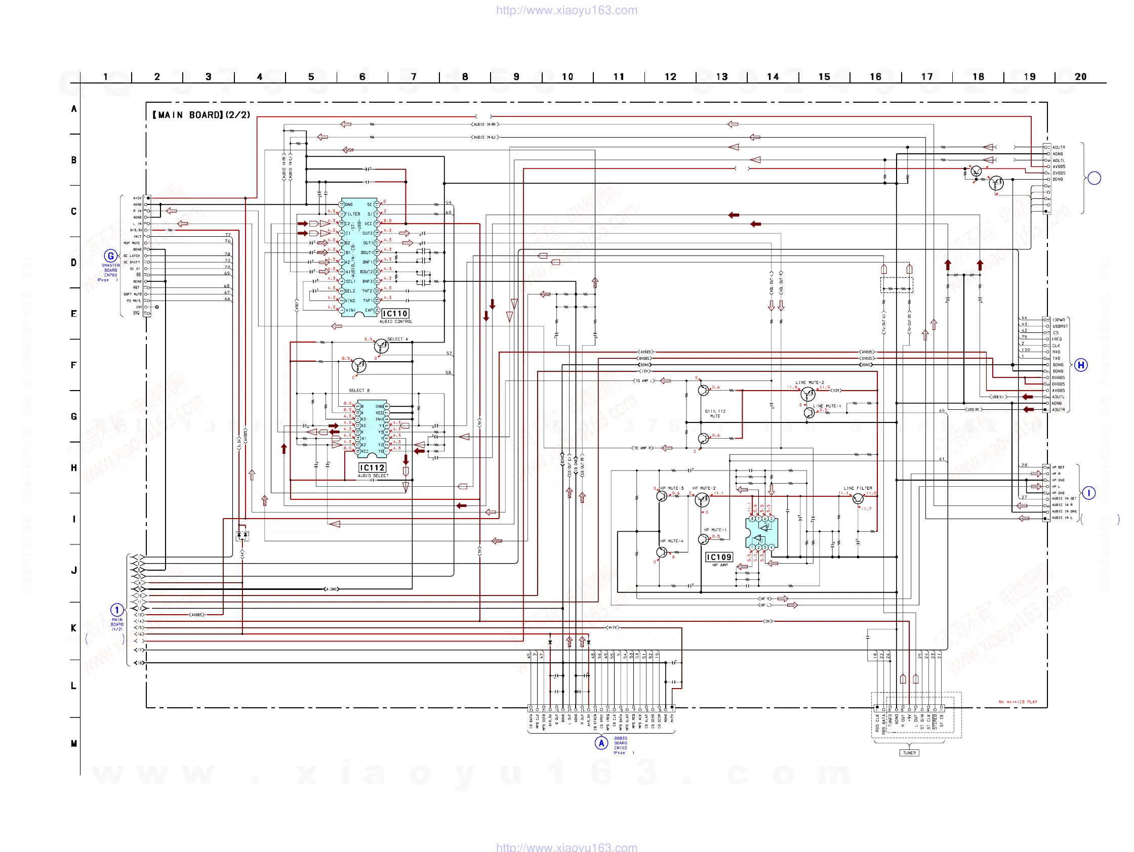
SCHEMATIC DIAGRAM — MAIN SECTION (2/2) —
5.07
40
34
O
BT
BOARD
CN901
(Page 50)
BOARD
(Page 44)
CN1
USB
BOARD
CN620
HP
SUPPLEMENT-1
Page 9
SUPPLEMENT-1
Page 4
(BT_RESET)
(BT_DATA_IN)
(BT_RTS)
(BT_DATA_OUT)
(BT_CTS)
20
89
SWITCH-2
SWITCH-1
AVDD5
0
0
5.07
5.07
BT OUT(R)
BT OUT(L)
DVDD5
US,CND,KR
AEP,UK
US,CND,KR
AEP,UK
11P :
9P :
CN110
*
*
AEP,UK,KR
TP113
C134
C152
C153
R258
Q109
Q113
Q119
D105
D108 D109
Q108
Q107
R205
IC109
Q112
Q111
R227
C221
Q121
R231
C150
R202
R235
R241
R249
R260
R268
R230
R218
R221
R294
R293
R297 R298
R253
R252
R296R295
R238
R239
Q115
Q114
Q110
R386
R388
R274
R270
R214
R213
R272
R223 R222
R242
R357R356
R279
R280
R278
R281
R237
R240
R228
R203
R204
R201
R200
R277
R219
R226
C156
R261
R264
C212
C213
C229
C217
C215
C231
C223
C220
R216
R217
C216
C232
C260
C250
C214
C230
C222
C262
C252
C261
C251
C254
C264
R229
R245
C255
R236
R282
R250
C256
IC112
C266
C227
R251
R285
R243
C224
C205
C206
C135
C137
C136
C149
CN108
C155
C175
C169
C166
R248
R247
C182
C188
C268
C267
C165
R225
R224
CN109
CN110
CN114
L103
IC110
RT1P141C
220
10V
220
10V
RT1P141C
4.7k
220
10V
OVF
RT1N141C
MC2836
1N4002B 1N4002B
2SC5938
2SC5938
47
NJM4580MD
2SC5938
2SC5938
4.7k
220 10V
RT1N141C
1k
220 10V
47
220
220
100k
4.7k
4.7k
47k
47k
47k
100k
100k
10k 22k
2.2k
2.2k
22k10k
100k
100k
2SC3052EF
2SC3052EF
2SC3052EF
10k
Q122
Q123
RT1N141C
KTA1271Y
10k
10k
22k
10k
10k
10k
22k
22k 22k
47k
47k47k
47k
47k
47k
47k
47k
47k
4.7k
4.7k
4.7k
10k
10k
10k
470k
470k
10p
22k
22k
0.0022
0.0022
0.047
0.1
0.1
0.047
0.1
0.1
0
0
0.1
0.047
1 50V
1 50V
0.1
0.047
220
10V
1 50V
1 50V
1 50V
1 50V
1 50V
1 50V
10k
10k
1
50V
100k
100k
100k
1
50V
C228
1
50V
MC14052BDTR2
1
50V
1
50V
C265
1
50V
100k
100k
100k
0.1
1
50V
1
50V
0.1
220
10V
0.1
0.1
23P
10p
50V
100
16V
0.1
100k
1k
100
16V
220
10V
1
50V
1
50V
1
50V
10k
10k
19P
9P
CN113
15P
0
BD3870FS-E2
C154
0.1
R259
R266
R265
R276
R275
R267
470
90
36
38
35
34
4.7K
4.7K
47K
47K
CN115
11P
1
FFCS
1.0MM
Ver. 1.3
w
w
w
.
x
i
a
o
y
u
1
6
3
.
c
o
m
Q
Q
3
7
6
3
1
5
1
5
0
9
9
2
8
9
4
2
9
8
T
E
L
1
3
9
4
2
2
9
6
5
1
3
9
9
2
8
9
4
2
9
8
0
5
1
5
1
3
6
7
3
Q
Q
TEL 13942296513 QQ 376315150 892498299
TEL 13942296513 QQ 376315150 892498299
http://www.xiaoyu163.com
http://www.xiaoyu163.com

Table of Contents

Related product manuals