EasyManua.ls Logo

Sony HCD-VX90AV - Schematic Diagram - Main (3;4) Section

Sony HCD-VX90AV
88 pages
Print Icon
To Next Page IconTo Next Page
To Next Page IconTo Next Page
To Previous Page IconTo Previous Page
To Previous Page IconTo Previous Page
Loading...
HCD-VX90AV
– 55 – – 56 –
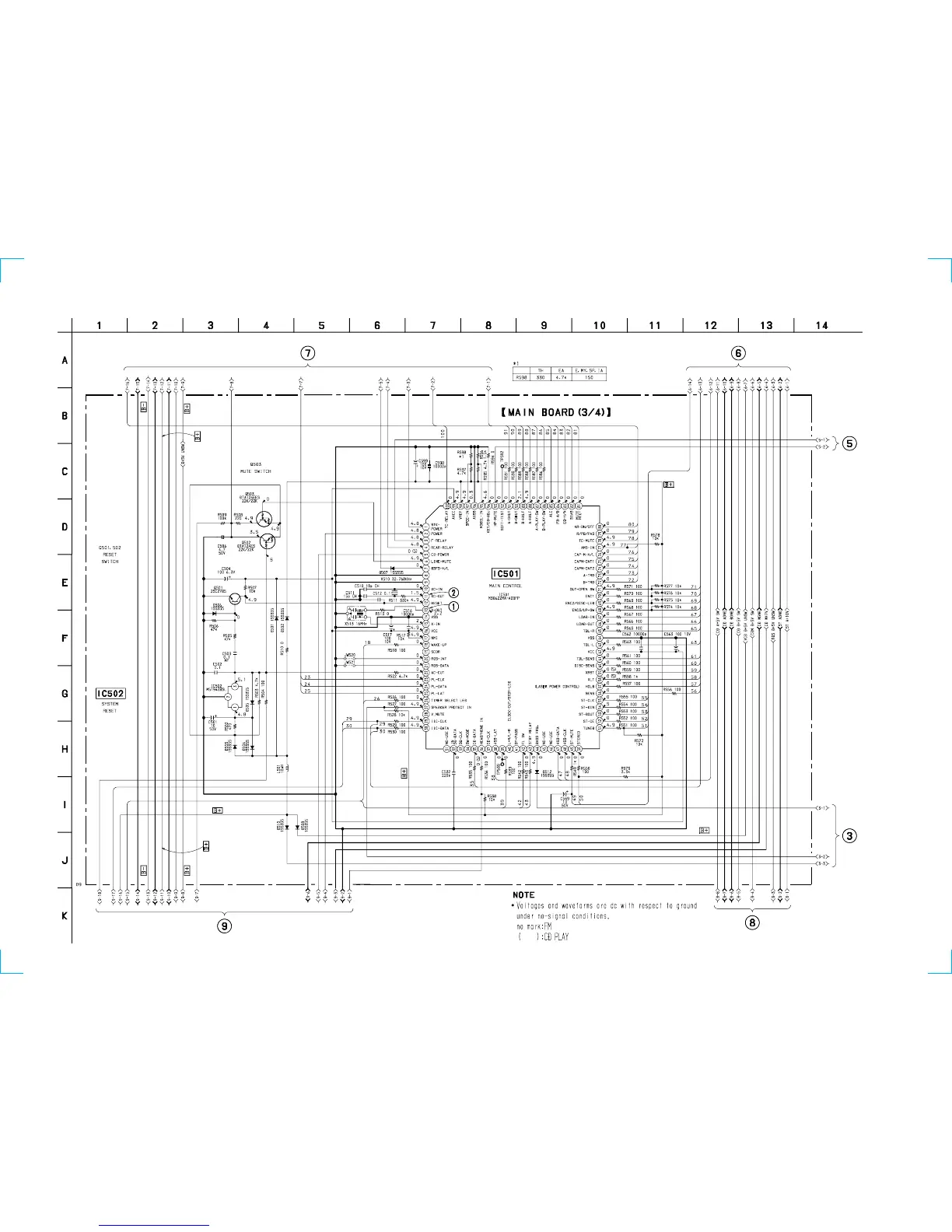
7-14. SCHEMATIC DIAGRAM – MAIN (3/4) SECTION –
(Page 54)(Page 54)
(Page 52)
(Page 52)
(Page 57)
(Page 58)
• See page 32 for Waveforms. • See page 49 for Printed Wiring Board. • See page 89 for IC Pin Functions.

Table of Contents

Related product manuals