EasyManua.ls Logo

Sony HCD-VX90AV - Schematic Diagram - Front Amp Section

Sony HCD-VX90AV
88 pages
Print Icon
To Next Page IconTo Next Page
To Next Page IconTo Next Page
To Previous Page IconTo Previous Page
To Previous Page IconTo Previous Page
Loading...
HCD-VX90AV
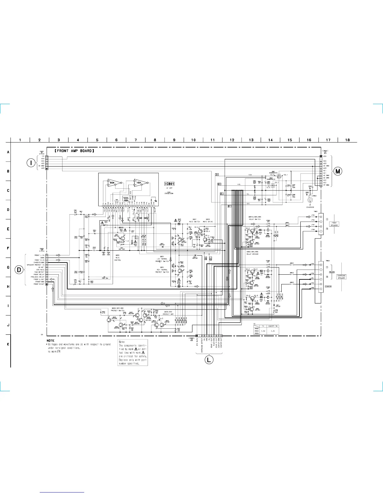
7-23. SCHEMATIC DIAGRAM – FRONT AMP SECTION –
– 69 – – 70 –
(Page 57)
(Page 52)
(Page 68)
(Page 77)

Table of Contents

Related product manuals