EasyManua.ls Logo

Sony HCD-VX90AV - Schematic Diagram - Surround Section; Printed Wiring Board - Surround Section

Sony HCD-VX90AV
88 pages
Print Icon
To Next Page IconTo Next Page
To Next Page IconTo Next Page
To Previous Page IconTo Previous Page
To Previous Page IconTo Previous Page
Loading...
HCD-VX90AV
(Page
50)
(Page 71)
– 67 – – 68 –
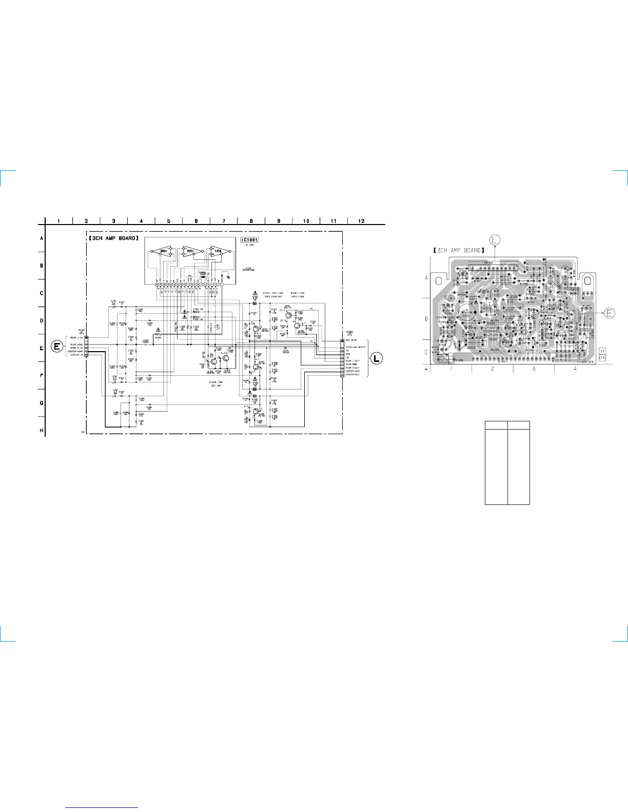
7-21. SCHEMATIC DIAGRAM – SURROUND SECTION –
7-22. PRINTED WIRING BOARD – SURROND SECTION –
• See page 18 for Circuit Boards Location.
Ref. No. Location
Semiconductor
Location
D1001 A-3
D1021 A-2
D1051 A-3
D1081 A-4
IC1001 C-2
Q1001 A-2
Q1021 B-1
Q1022 A-1
Q1023 C-1
Q1024 C-1
Q1051 B-3
Q1081 B-4
(Page 52)
(Page 70)

Table of Contents

Related product manuals