EasyManua.ls Logo

Sony HCD-XB8 - Power Section

Sony HCD-XB8
82 pages
Print Icon
To Next Page IconTo Next Page
To Next Page IconTo Next Page
To Previous Page IconTo Previous Page
To Previous Page IconTo Previous Page
Loading...
— 29 —
— 30 —
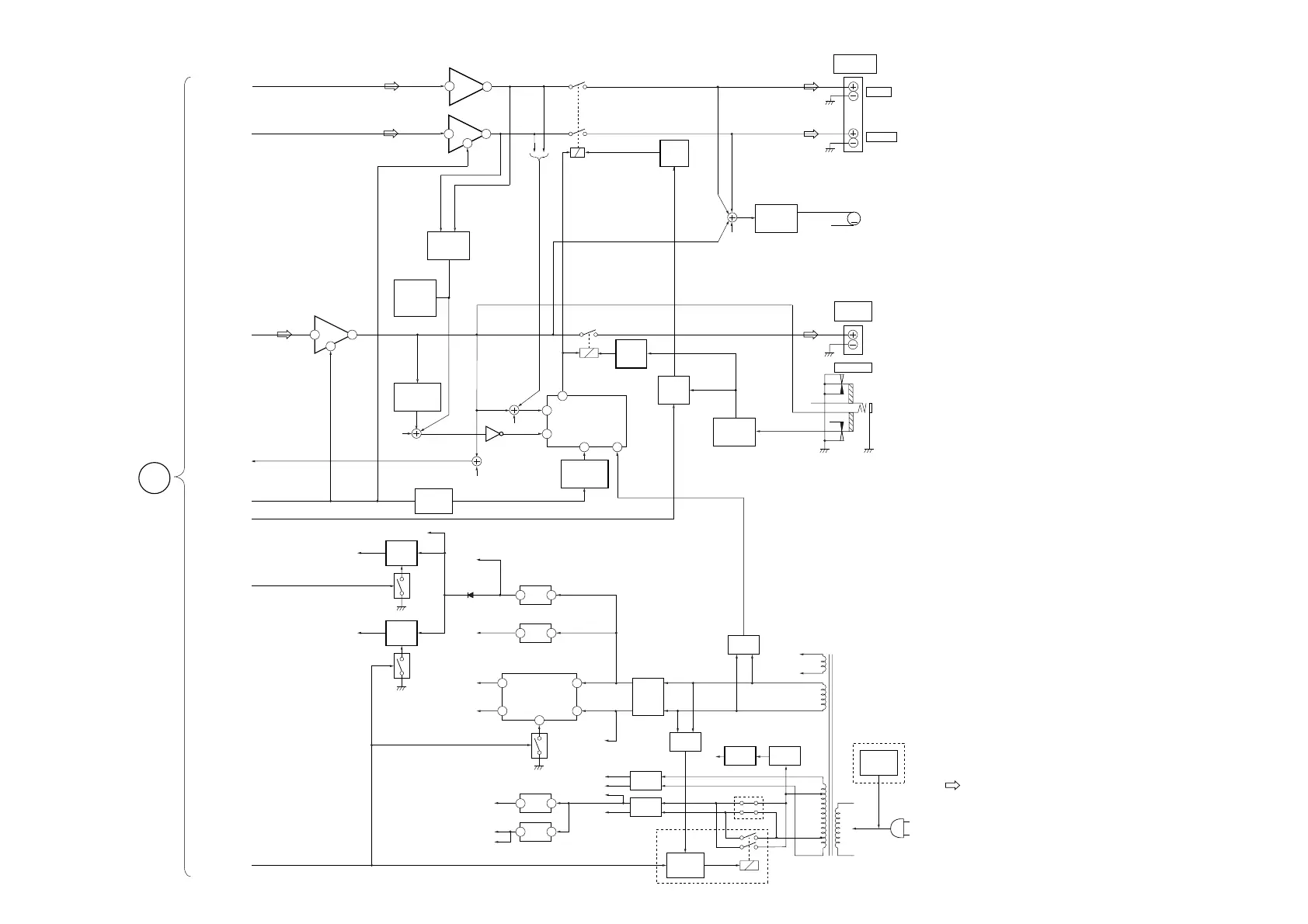
— POWER SECTION —
• R CH : Same as L ch
• SIGNAL PATH
: FM
• Abbreviation
EE: East European model.
MX: Mexican model.
AR: Argentine model.
AUS: Australian model.
SAF: South African model.
Rch
Q323
Rch
1
2
4
7
PROTECTOR
IC301
PROTECT
SWITCH
Q301
RY402
OVER LOAD
DET
Q601,651
THERMAL
DET
Q670,671
THP670
1
10
6
1318
RY401
–1
–2
POWER AMP
IC601
OVER LOAD
DET
Q201
Rch
POWER AMP
IC201
FRONT
REAR
CENTER
DBFB
STK MUTE
R RELAY
D5V
SWITCHED
D5V
SW
Q905
D905
+5V
D7V
A+7.5V
A–7.5V
+5V REG
IC902
+7V REG
IC903
+12V REG
IC904
+12V
ST10V
PRO-LOG 10V
+10V REG
IC905
+7V, –7V REG
IC901
Q907
Q901
VFDP
E,MX,AR,PX,AUS,SAF
AEP,UK,EE,CIS
E,AR,PX,SAF
UNREG
–12V
POWER B+
POWER B–
SURR B+
SURR B–
RY101
AC
IN
AU/D5V SW
CD POWER
6
1 10
REAR
CENTER
FRONT
FRONT
SPEAKER
TM401
PHONES
J760
Rch
HP / SP
SWITCHING
Q401,405
FRONT
REAR
CENTER
SURROUND
SPEAKER
TM402
6
–1
RELAY
DRIVE
Q404
Rch
FAN MOTOR
DRIVER
Q961, 962
M
UNREG
–12V
M901
FAN
MOTOR
REAR
CENTER
3 1
3 1
1
10
2
9
4
3 1
3 1
RELAY
DRIVE
Q403
RELAY
CONTROL
Q402
MUTE
SWITCH
Q331
POWER ON/OFF
CD REG
Q904
+5V REG
Q906
+7.5
–7.5 EN
V
CC
V
EE
RECT
D901
RECT
D110,111
RELAY
DRIVER
Q111-113
VF REG
Q941
RECT
D104,105
VOLTAGE
SELECTOR
S501
RECT
D101
RECT
D102
RECT
D302,303
VF
VF
T501
POWER
TRANSFORMER
MAIN
SECTION
D
09
(Page 28)
HCD-XB8
www.freeservicemanuals.info
It`s Free

Related product manuals