EasyManua.ls Logo

Sony HDVF-C950W - Page 83

Sony HDVF-C950W
84 pages
Print Icon
To Next Page IconTo Next Page
To Next Page IconTo Next Page
To Previous Page IconTo Previous Page
To Previous Page IconTo Previous Page
Loading...
4-4
HDVF-C950W
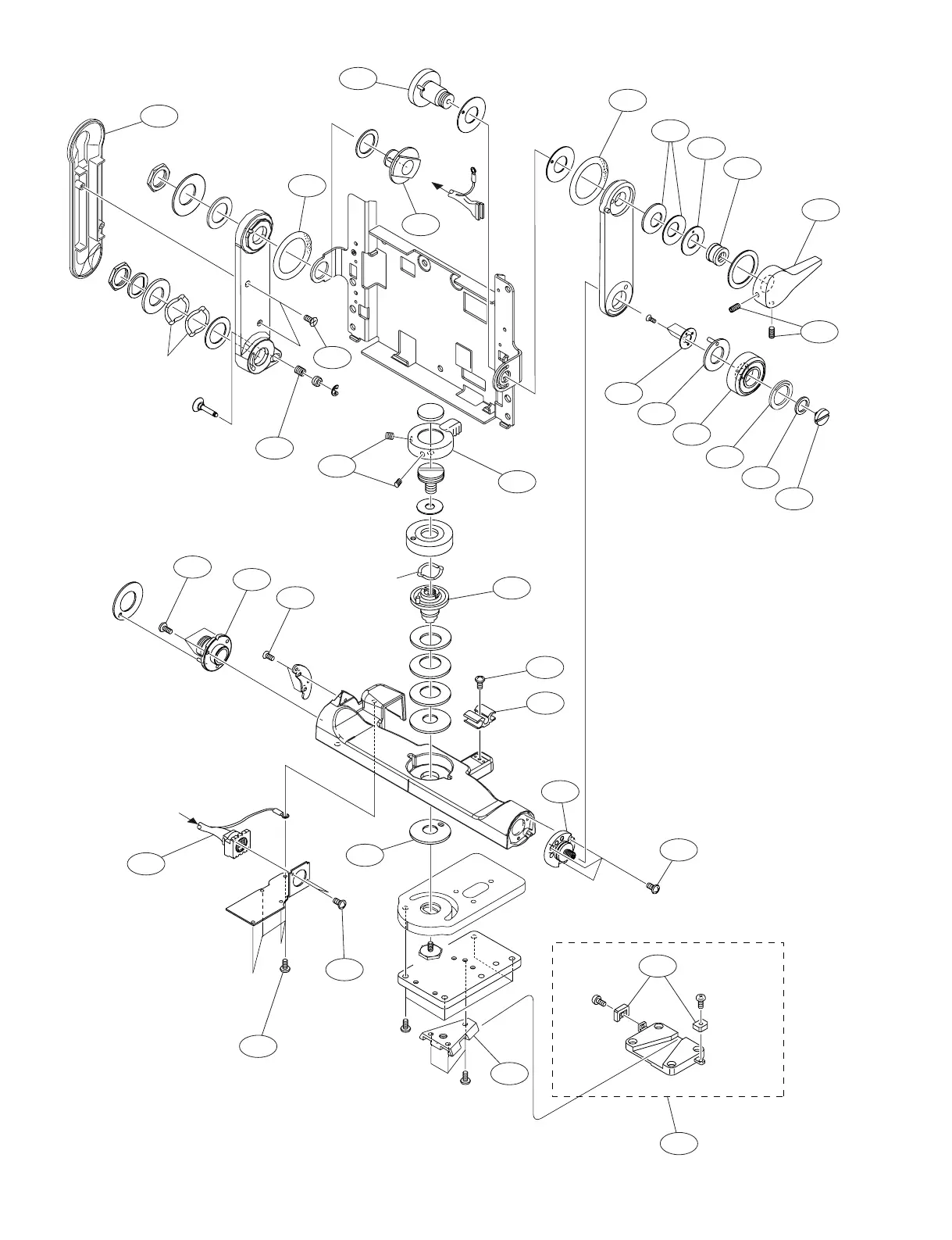
Tilt Table Block
R
E
L
E
A
S
E
H
H
W18
WAVE
P2 x 3
PRECISION
P2 x 3
PRECISION
B4 x 8
B4 x 8
P2 x 3
PRECISION
SUPPLIED ACCESSORY
E3.0
W16
WAVE
218
226
212
205
210
230
231
229
213
224
224
207
220
202
219
220
201
206
211
226
204
225
209
208
214
217
227
223
221
203
222
228
215
228
216