EasyManua.ls Logo

Sony KD-43X720E - Connector Diagram: KC_55 & 65”

Sony KD-43X720E
211 pages
Print Icon
To Next Page IconTo Next Page
To Next Page IconTo Next Page
To Previous Page IconTo Previous Page
To Previous Page IconTo Previous Page
Loading...
To Main B oard
CN203
GND 1 51 GND
HUS_ GND
1 7 #30
VBTX7P 2 50 RxP7
HUS_ KEY_AD 2 9
#30 VBTX7N 3 49
RxN7
HUS_ POWER_ KEY 3 8 #30 GND 4 48
GND
P/N: 1-822-693-11
VBTX6P 5 47 RxP6
JAM SZ15-03WL R VBTX6N 6
46 RxN6
GND 7 45
GND
VBTX5P 8 44 RxP5
VBTX5N 9
43 RxN5
GND 10 42 GND
VBTX4P 11
41 RxP4
VBTX4N 12
40 RxN4
1 1 5V_M AIN GND 13 39 GND
3 2
LED_POWER VBTX3P
14 38 RxP3
4
3 LE D_STBY VBTX3N 15
37 RxN3
6
4 LE D_WHITE
GND 16 36 GND
CN001 5
5 SIR CS VBTX2P 17 35 RxP2
MAIN_5V
1 1
#30 2 6 H_ GND V BTX2N 18 34 RxN2
H_GND
2 6 #30
1 7
KEY _GND
GND 19 33
GND
LED_POWER 3 2 #3 0
3 8 PO WER_Key
VBTX1P
20
32 RxP1
LED _STBY 4
3 #30
2 9 TACT_ KEY VBTX 1N 21 31 RxN1
SIRCS
5 5 #30 7 10 3.3V_STBY
GND 22 30 GND
LED_ WHITE
6 4 #30
P/N:182028911 VBTX 0P 23
29 RxP0
STBY_ 3.3V
7
10 #30
CN9501 VBT X0N 24 28 RxN0
P/N:1-820-184-11
GND 25 27 GND
MOLEX 501331-0707 VBTX LOCKN0
26 26 LOCKN
VBTXHTPDN0 27 25
HTPDN
PANEL_PWM_M 28
24 PWMI
GND 29 23 NC
NC 30 22
NC
NC
31 21 NC
VCC_5V 1
1 1 1 VCC_5V PANEL_ BINT 32
20
B_INT (High:Write / L/Open: Protect)
WoWLAN 2
2 2 2 WoWLAN SCL
33 19 SCL
DP 3
3 3 3
DP
SDA 34
18 SDA
DM 4 4
4 4
DM NC 35
17 NC
GND 5 5
5 5 GND
NC 36 16 NC
Header:1-816-184-51 P/N:036637801 NC
37 15
NC
CN9500 NC 38 14 GND
NC 39
13 GND
GND
40 12 GND
NC/GND 41 11 GND
NC/GND
42 10 GND
NC 43
9 NC
12V 44 8 12V
12V
45 7 12V
12V 46
6 12V
12V 47 5 12V
CN6401
12V 48 4
12V
1-842-551-11
12V
49
3 12V
SJM20-28WL B/JAM
12V 50 2 12V
PWM0(BL INKING)
1
28 #22
12V 51 1 12V
PWM1_DIMMER
2
27 #22 IPEX : 1-842-546-21 or JAE FI-RE51S-HF
DC_DIMMER
3
26 #22 Yamaichi : 1-843-107-12
PWM2_DIMMER
4
25 #22 NC 30
STBY_3.3V_OUT
CN9000
STBY3.3V
5
24 #22 NC 29
FB_REF
PWM3_DIMMER
6
23
#22
1 28
BLINKING
BL_ ON
7
22 #22
2 27
PWM1
_DIMMER
BL_ERR
8
21 3
26
DC_DIMMER
POWER _ON
9
20
#22 4 25
PWM2_DIMMER
GND
10
19 #22 5 24
STBY_3.3V_IN
GND
11
18
#22 6
23
PWM3_DIMMER
GND
12
17
#22 7 22
BL_ON/ICSPCLK
REG12V
13
16 #22 8 21
BL_ERR
REG12V
14
15 #22
9 20
POWER_ON/ICSPDAT
REG12V
15
14 #22 10 19
GND
REG12V
16
13 #22 11 18
GND
REG12V
17
12 #22 12 17
GND
REG12V
18
11 #22 13 16
REG_19V_12V
GND
19
10
#22 14 15
REG_19V_12V
GND
20
9 #22 15 14
REG_19V_12V_Audio
GND
21
8 #22 16 13
REG_12V
GND
22
7 #22 17 12
REG_19V_12V_Audio
GND
23
NC
18 11
REG_12V
GND
24
NC 19
10
GND
TCON_VCC12V
25
4 #22 20 9
GND
TCON_ON
26
3 #22 21 8
GND
TCON_VCC12V
27
2
#22 22 7
GND
TCON_VCC12V
28
NC 5
6
DC_DET_VTH/LD_MODE_SW
SJM20-28HG 6 5
GND
1-842-598-11 25 4
T-CON_VCC12V
CN6101
26 3
T-CON_ON
SFP79-02WLB JAM
27
2
T-CON_VCC12V
1-822-908-11
NC 1
STBY_3.3V
AC-N 1
P/N:184391711
AC-L 2
CN5500
CN6801
1-822-359-11
53426-0410 Mol ex
To LS
+OUT1
1
+OUT2
2
+OUT3
3
NC(No land)
4
CN6802
1-822-363-11
53426-0810 Mol ex
To LS
-OUT1-1
1
-OUT1-2
2
-OUT2-1
3
-OUT2-2
4
-OUT3-1
5
-OUT3-2
6
NC(No land)
7
NC(No land)
8
1-535- 807-31
JST SPS- 01T-187*
SPEAKER
L+ 1 4 CN3109
Front
L- 2 3 P/N:184256612
Lch
1-780- 577-11 2 1
R-
JST WSPS- 01T-110B*
1
2
R+
2 3
L-
1-535- 807-31
1 4
L+
JST SPS- 01T-187* (2.0Ch)
SPEAKER
R+ 1 2
Front
R- 2 1
Rch
1-780- 577-11
JST WSPS- 01T-110B*
JST SMP-02VF/N
1-784- 991-21
SPEAKER
L+ 1 4
Front
L- 2
3
Lch
JST SMP-02VF/N
1-784- 991-21
SPEAKER
R+ 1 2
Front
R- 2 1
Rch
PANEL FFC
FFC 51P
WIFI FFC 5P
Ma in Ha rness
BAX_F
BB8 Main Board
HKZ
Switch Module
G Board
T-con
Board
AC pigtail
Wifi
FY17
Power Har ness
For KC55
For KC65
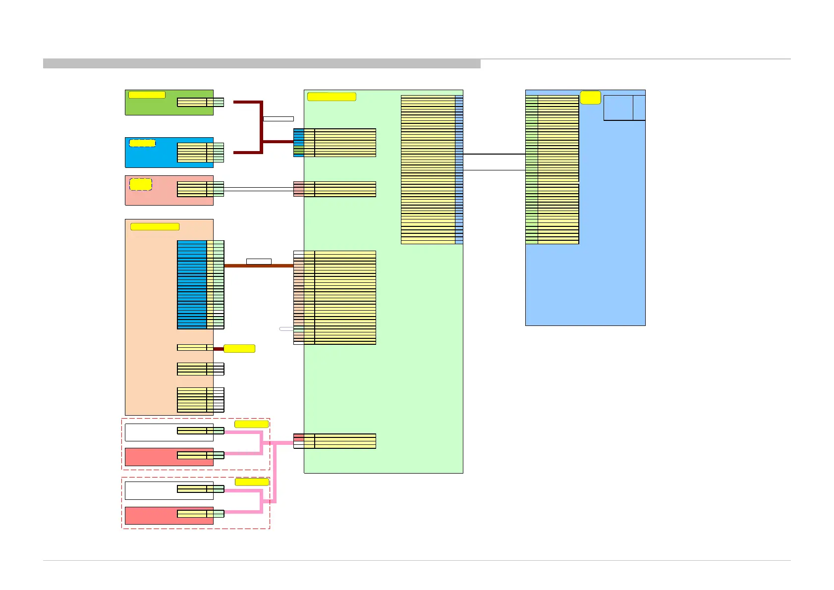
5-3. Connector Diagram : KC_55 & 65
143

Table of Contents