EasyManua.ls Logo

Sony KV-27FS13 - Timer Menu Operations

Sony KV-27FS13
301 pages
Print Icon
To Next Page IconTo Next Page
To Next Page IconTo Next Page
To Previous Page IconTo Previous Page
To Previous Page IconTo Previous Page
Loading...
— 34 —
KV-27FS13/ 27FS17/ 27FV17/ 29FV17/ 29FV17C/ 32FS13/ 32FS17/ 34FS13C/ 34FS17
A BOARD IC BLOCK DIAGRAMS
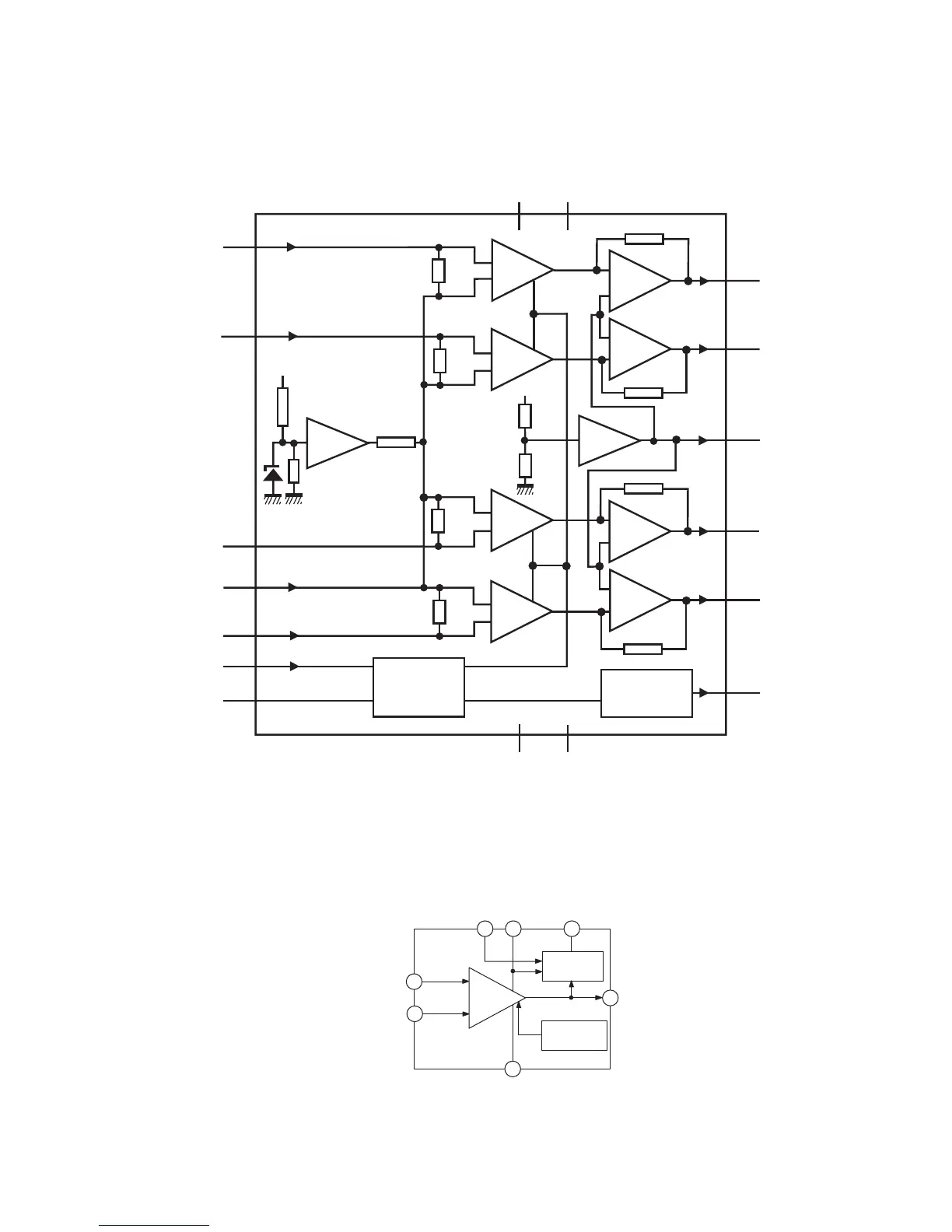
IC502 TDA8172
IC402 TDA8580Q/N1
TDA8580Q/N1
V
P1
3
IN 1
7
V
P2
15
IN 2
8
+
-
+
-
60
k
60
k
V/l
V/l
+
-
OA
+
-
OA
OUT 1 +
OUT 2 -
1
4
45 k
45 k
V
px
30 k
BUFFER
IN 4
IN 5
12
+
-
60
k
60
k
V/l
+
-
OA
+
-
OA
OUT 3 -
OUT 4 +
14
17
45 k
45 k
11
BUFFER
BUFFER
45
k
45
k
V
px
+
-
V/l
MUTE
13
STANDBY
5
DIAG
6
DIAGNOSTIC
INTERFACE
IN 3
10
PGND1
2
PGND2
16
9
Supply
Voltage
Output
State
Supply
Flyback
Generator
Flyback
Generator
Thermal
Protection
Power
Amplifier
Inv. Input
Non-Inv. Input
TDA8172
Gnd
Output
4
7
1
2
6
3
5

Table of Contents

Related product manuals