EasyManua.ls Logo

Sony KV-27FS13 - Page 50

Sony KV-27FS13
301 pages
Print Icon
To Next Page IconTo Next Page
To Next Page IconTo Next Page
To Previous Page IconTo Previous Page
To Previous Page IconTo Previous Page
Loading...
KV-27FS13/ 27FS17/ 27FV17/ 29FV17/ 29FV17C/ 32FS13/ 32FS17/ 34FS13C/ 34FS17
— 50 —
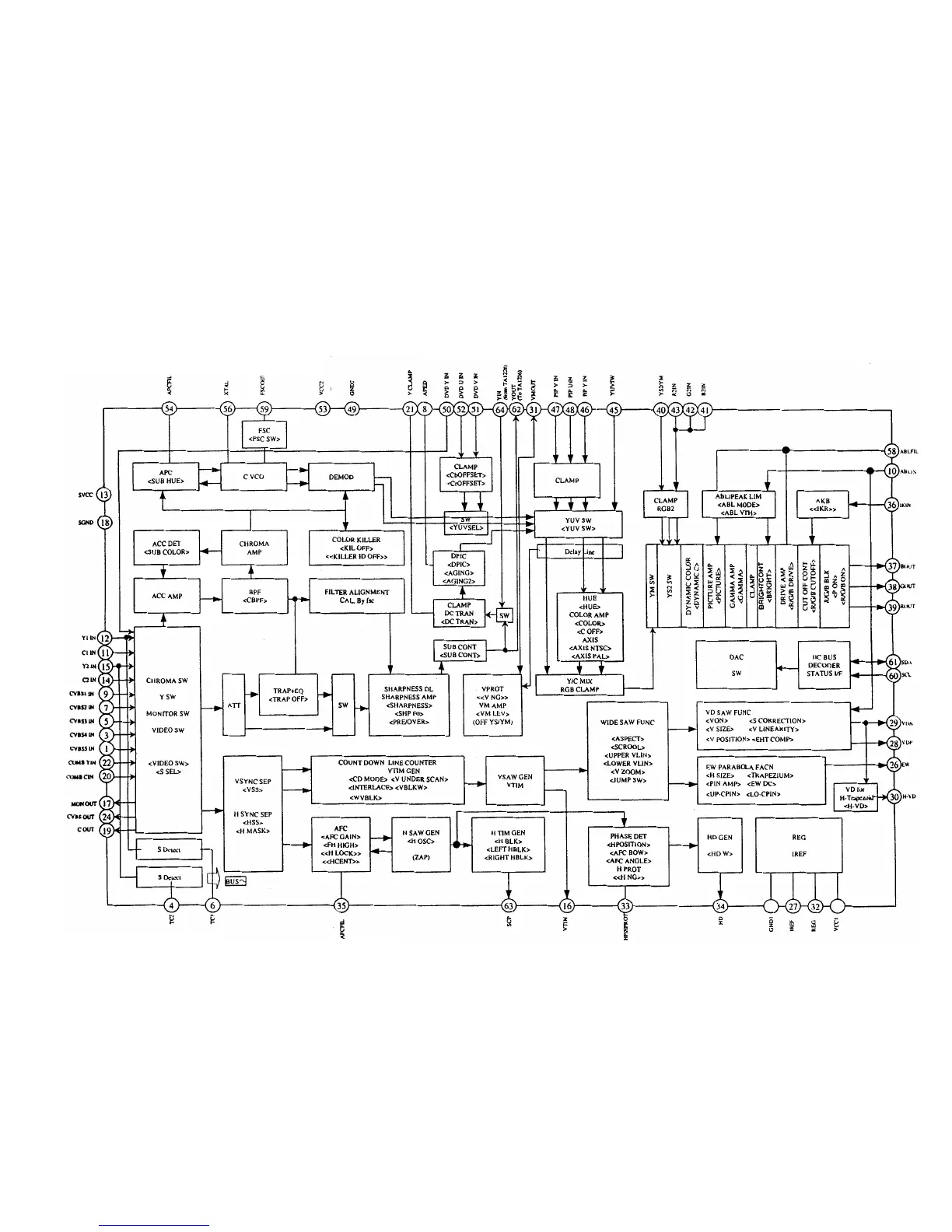
MA BOARD IC BLOCK DIAGRAM
IC301 CXA2154AS

Table of Contents

Related product manuals