EasyManua.ls Logo

Sony MX - Block Diagram - MAIN Section

Sony MX
88 pages
Print Icon
To Next Page IconTo Next Page
To Next Page IconTo Next Page
To Previous Page IconTo Previous Page
To Previous Page IconTo Previous Page
Loading...
HCD-SH2000
HCD-SH2000
1616
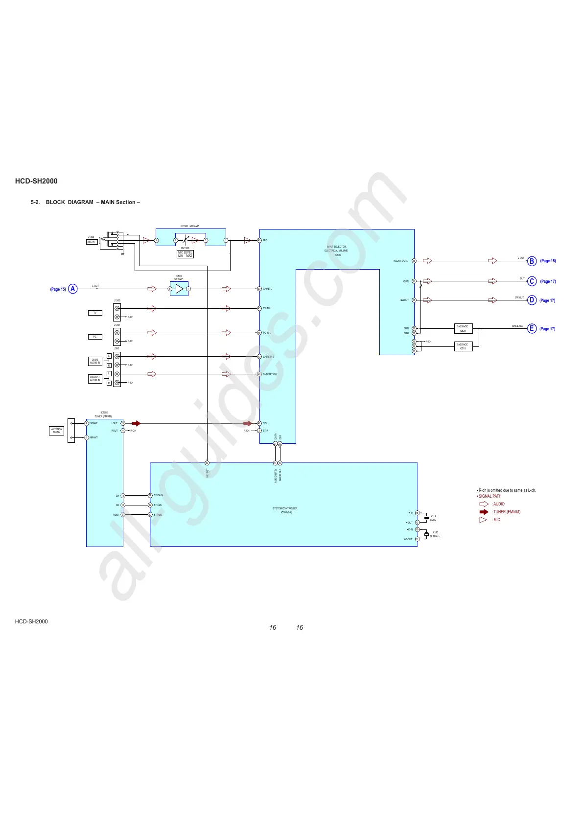
5-2. BLOCK DIAGRAM – MAIN Section –
TUNER (FM/AM)
IC1602
FM ANT
AM ANT
LOUT
ROUT
DA
R-CH
CK
ANTENNA
FM/AM
RDSI
20 ST-RDS
41 ST-L
2
15
14 ST-R
21
DATA
22
CLK
46 MIC
26OUTL
39 GAME_L
24 ST-DATA
22 ST-CLK
AUDIO DATA
47
AUDIO CLK
49
MIC DET
80
25SWOUT
28BB1L
38INGAIN OUTL
27
19
17
18
BB2L
BASS AGC
Q528
BASS AGC
Q518
INPUT SELECTOR,
ELECTRICAL VOLUME
IC500
SYSTEM CONTROLLER
IC100 (2/4)
: AUDIO
SIGNAL PATH
R-ch is omitted due to same as L-ch.
: TUNER (FM/AM)
J1300
MIC IN
RV1300
IC1300 MIC AMP
L-OUT
L-OUT
OUT
SW OUT
BASS AGC
: MIC
R-CH
1375
R-CH
(Page 15)
13X-OUT
15X-IN
X113
8MHz
11XC-OUT
10XC-IN
X110
32.768kHz
(Page 15)
(Page 17)
(Page 17)
(Page 17)
75
IC501
OP AMP
4
6
13
10
8
A
E
D
C
B
MIC LEVEL
MIN MAX
R-CH
43 TV IN-L
J1200
TV
R-CH
45 PC IN-L
J1201
PC
R-CH
40 GAME IN-L
R
L
J500
GAME
AUDIO IN
R-CH
42 DVD/SAT IN-L
R
L
DVD/SAT
AUDIO IN
All manuals and user guides at all-guides.com
all-guides.com

Table of Contents

Other manuals for Sony MX

Related product manuals