EasyManua.ls Logo

Sony MX - Support for Preinstalled Software; Software Vendor Contact Information

Sony MX
88 pages
Print Icon
To Next Page IconTo Next Page
To Next Page IconTo Next Page
To Previous Page IconTo Previous Page
To Previous Page IconTo Previous Page
Loading...
67
HCD-SH2000
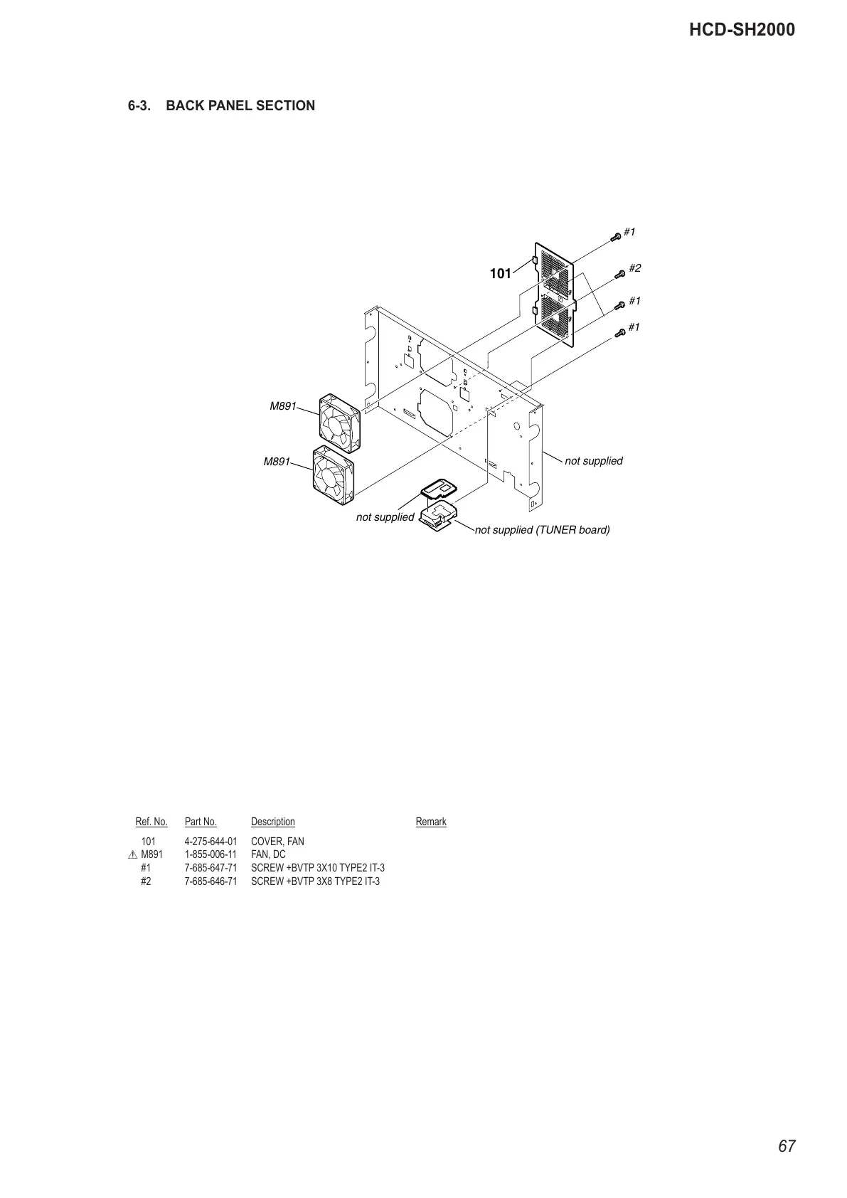
6-3. BACK PANEL SECTION
101 4-275-644-01 COVER, FAN
0
M891 1-855-006-11 FAN, DC
#1 7-685-647-71 SCREW +BVTP 3X10 TYPE2 IT-3
#2 7-685-646-71 SCREW +BVTP 3X8 TYPE2 IT-3
Ref. No. Part No. Description Remark
#1
#1
#1
#2
M891
M891
101
not supplied (TUNER board)
not supplied
not supplied
All manuals and user guides at all-guides.com

Table of Contents

Other manuals for Sony MX

Related product manuals