EasyManua.ls Logo

Sony MX - Printed Wiring Boards - MIC Board; Schematic Diagram - MIC Board

Sony MX
88 pages
Print Icon
To Next Page IconTo Next Page
To Next Page IconTo Next Page
To Previous Page IconTo Previous Page
To Previous Page IconTo Previous Page
Loading...
HCD-SH2000
HCD-SH2000
5252
IC1300
1000p
C1314
JL1314
JL1309
470
R1302
1M
R1301
100k
R1306
R1316
1k
1000p
C1320
JL1320
50V
0.1
C1303
JL1300
50V
10
C1302
JL1312
JL1317
R1315
10k
JL1301
10k
R1309
50V
0.1
C1304
JL1315
JL1303
C1310
0.1
50V
2.2
C1306
JL1316
MC2840-T112-1
D1301
C1309
0.1
C1319
50V
2.2
JL1310
10k
R1310
JL1302
1000p
C1317
33k
R1313
JL1308
JL1307
220k
R1303
RV1300
50k
1k
R1314
10V
C1311
220
ISA1235AC1-T112-1EF
Q1300
MIC DETECT
MIC DETECT
1M
R1300
10k
R1311
JL1311
50V
0.1
C1301
C1321
0.1
100k
R1307
10k
R1305
JL1319
J1300
1
2
3
4
5
6
7
DA2J10100L
D1300
JL1313
33k
R1312
S
RHK005N03T146
Q1301
JL1318
680p
C1307
50V
2.2
C1318
68p
C1305
C1315
2.2
50V
JL1306
100
R1308
R1304
3.3k
JL1321
JL1304
JL1305
100k
R1317
MC2840-T112-1
D1302
C1322
0.1
1
2
3
4
4P
CN1300
A+9V
MIC GND
MIC SIGNAL
MIC DET
10V
220
C1313
50V
C1308
56p
C1312
56p
1000p
C1323
25V
1000p
C1325
C1300
0.47
BA4558F
IC1300
MIC AMP
5
6
7
8
4
3
2
1
-INB
+INB
OUTB
GND
-IN A
MIC IN
PWR
+IN A
OUT A
4.5
4.5
4.5
4.5
4.5
4.5
9
MIC LEVEL
MIN MAX
MIC LEVEL
MIN MAX
MIC IN
1234567891011 141512 13
A
B
C
D
E
MIC BOARD
MIC BOARD
RV1300
C1319
C1318
C1304
C1303
C1315
C1306
C1301
J1300
C1302
C1311
14
CN1300
C1313
SG
Q1301
D1301
D1302
Q1300
JL1312
JL1309
JL1314
JL1303
JL1300
JL1310
JL1320
JL1304
JL1307
JL1315
JL1313
JL1308
JL1311
JL1319
JL1321
JL1305
JL1301
JL1318
JL1306
JL1316
JL1302
IC1300
R1301
R1305
R1308
R1310
R1311
C1316
R1314
C1309
C1307
R1304
R1316
R1312
R1302
R1300
R1313
R1306
R1309
C1305
R1315
C1300
R1303
R1307
C1308
C1320
C1321
C1312
C1314
C1310
C1317
JR JR1310
JR
JR1309
JR
JR1305
JR
JR1306
R1317
C1322
D1300
JR
JR1304
JR
JR1303
JR
JR1308
C1325
C1323
JL1317
JR
JR1301
JR
JR1300
1 2 3 4 5 6 7 8 9 10 11 14 1512 13
A
B
C
D
E
M
BUTTON
BOARD
NO1250
(Page 48)
M
BUTTON
BOARD
NO1250
(Page 47)
4.5
4.5
4
4
0
1-883-867-
13
(13)
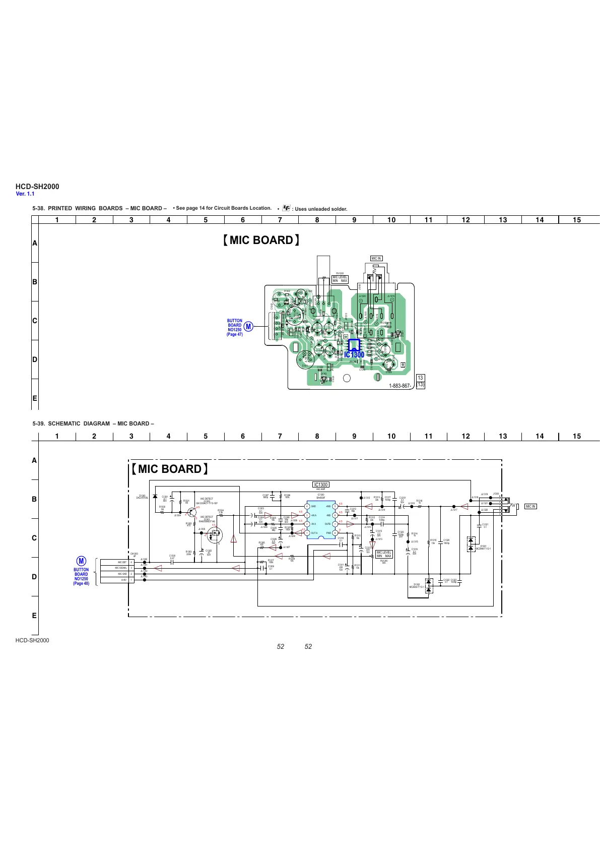
5-38. PRINTED WIRING BOARDS – MIC BOARD –
: Uses unleaded solder.
• See page 14 for Circuit Boards Location.
5-39. SCHEMATIC DIAGRAM – MIC BOARD –
Ver. 1.1
All manuals and user guides at all-guides.com

Table of Contents

Other manuals for Sony MX

Related product manuals