EasyManua.ls Logo

Sony MX - To Shut Down Your Computer; Proper Shutdown Procedure; Using the Power Switch for Force Shutdown

Sony MX
88 pages
Print Icon
To Next Page IconTo Next Page
To Next Page IconTo Next Page
To Previous Page IconTo Previous Page
To Previous Page IconTo Previous Page
Loading...
HCD-SH2000
HCD-SH2000
4848
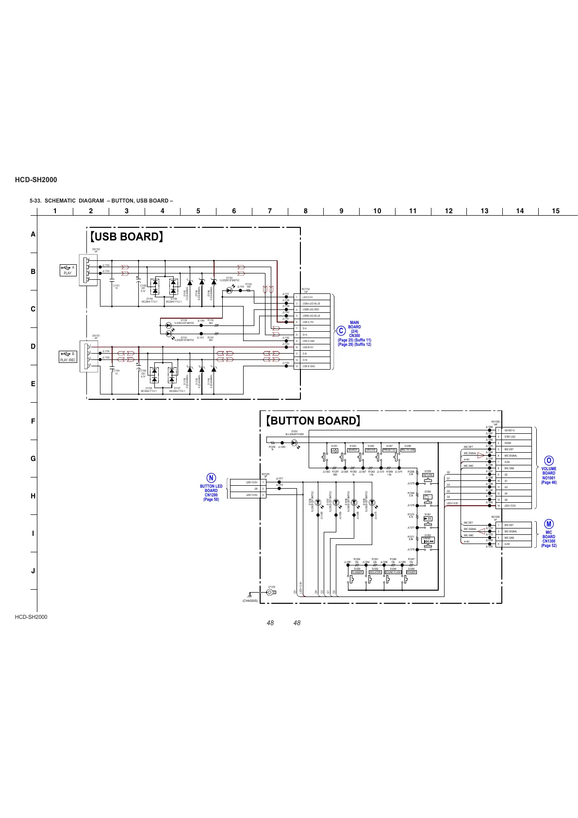
5-33. SCHEMATIC DIAGRAM – BUTTON, USB BOARD –
10k
R1267
1k
R1260
JL1275
S1251
6.8k
R1271
JL1271
15k
R1264
JL1281
JL1261
JL1267
4.7k
R1270
S1250 S1256S1254
S1258
S1259
1.5k
R1265JL1262
S1255
JL1280
S1260
680
R1257
22k
R1261
JL1276
1.5k
R1263 JL1274
JL1277
S1257
JL1266
2.2k
R1268
JL1264
S1252
33k
R1259
S1253
JL1282
JL1265
JL1278
JL1270
JL1272
3.3k
R1269
JL1269
JL1268
JL1260
JL1273
1L0352V22F3MIT02
1L0352V22F3MIT02
1L0352V22F3MIT02
1L0352V22F3MIT02
D1256
D1258
JL1263
D1259
D1257
JL1283
JL1284
JL1285
JL1286
R1250
1k
SLI-325URT31WR
D1251
JL1250
JL1255
1
3
4
5
5P
NO1250
MIC DET
MIC SIGNAL
MIC GND
A+9V
MIC DET
MIC SIGNAL
MIC GND
A+9V
JL1253
JL1254
JL1252
JL1287
JL1288
JL1289
JL1290
JL1291
JL1292
1
2
3
3P
NO1251
LED+13.5V
Q5
LED+13.5V
1
3
4
5
6
7
8
9
10
11
12
13
14
14P
NO1252
AD-KEY-0
STBY-LED
DGND
MIC DET
MIC SIGNAL
A+9V
MIC GND
MIC DET
MIC SIGNAL
A+9V
MIC GND
Q2
Q1
Q3
Q4
Q5
LED+13.5V
Q2
Q2
Q1
Q1
Q3
Q3
Q4
Q4
Q5
Q5
LED+13.5V
LED+13.5V
PRESET EQ REC TO USB
FLANGER
GROOVE
RETURN
SOUND FLASH
SEARCH
PHASERISOLATOR
BUTTON BOARD
USB BOARD
JL1159
JL1161
DZ2J068M0L
D1162
DZ2J068M0L
D1164
JL1152
C1154
10
MC2840-T112-1
D1158
C1151
10
JL1155
JL1163
JL1154
6.3V
C1160
220
DZ2J068M0L
D1166
DZ2J068M0L
D1165
DZ2J068M0L
D1160
JL1157
JL1150
JL1153
4P
CN1151
1
2
3
4
JL1160
DZ2J068M0L
D1159
4P
CN1150
1
2
3
4
MC2840-T112-1
D1155
MC2840-T112-1
D1157
6.3V
C1159
220
JL1158
JL1162
1
13
3
4
5
6
7
8
9
10
11
12
NO1152
13P
LED13.5V
USB B GND
USBA-LED-BLUE
USBB-LED-RED
USBB-LED-BLUE
USB A +5V
D-A
D+A
USB A GND
USB B+5V
D-B
D+B
JL1164
MC2840-T112-1
D1156
560
R1150
1L0352B13F0MIT02
D1150
PLAY
PLAY /REC
1L0352V22F3MIT02
D1154
JL1156
JL1151
560
R1151
560
R1152
1L0352B13F0MIT02
D1151
E
(CHASSIS)
LP1250
1234567891011 141512 13
A
B
C
D
E
F
G
H
I
J
C
MAIN
BOARD
(2/4)
CN300
(Page 25) (Suffix 11)
(Page 29) (Suffix 12)
O
VOLUME
BOARD
NO1001
(Page 46)
M
MIC
BOARD
CN1300
(Page 52)
N
BUTTON LED
BOARD
CN1280
(Page 50)
A
B
-
S1261
S1262
TUNING -
All manuals and user guides at all-guides.com

Table of Contents

Other manuals for Sony MX

Related product manuals