EasyManua.ls Logo

Sony MX - Schematic Diagram - VOLUME Board

Sony MX
88 pages
Print Icon
To Next Page IconTo Next Page
To Next Page IconTo Next Page
To Previous Page IconTo Previous Page
To Previous Page IconTo Previous Page
Loading...
HCD-SH2000
HCD-SH2000
4646
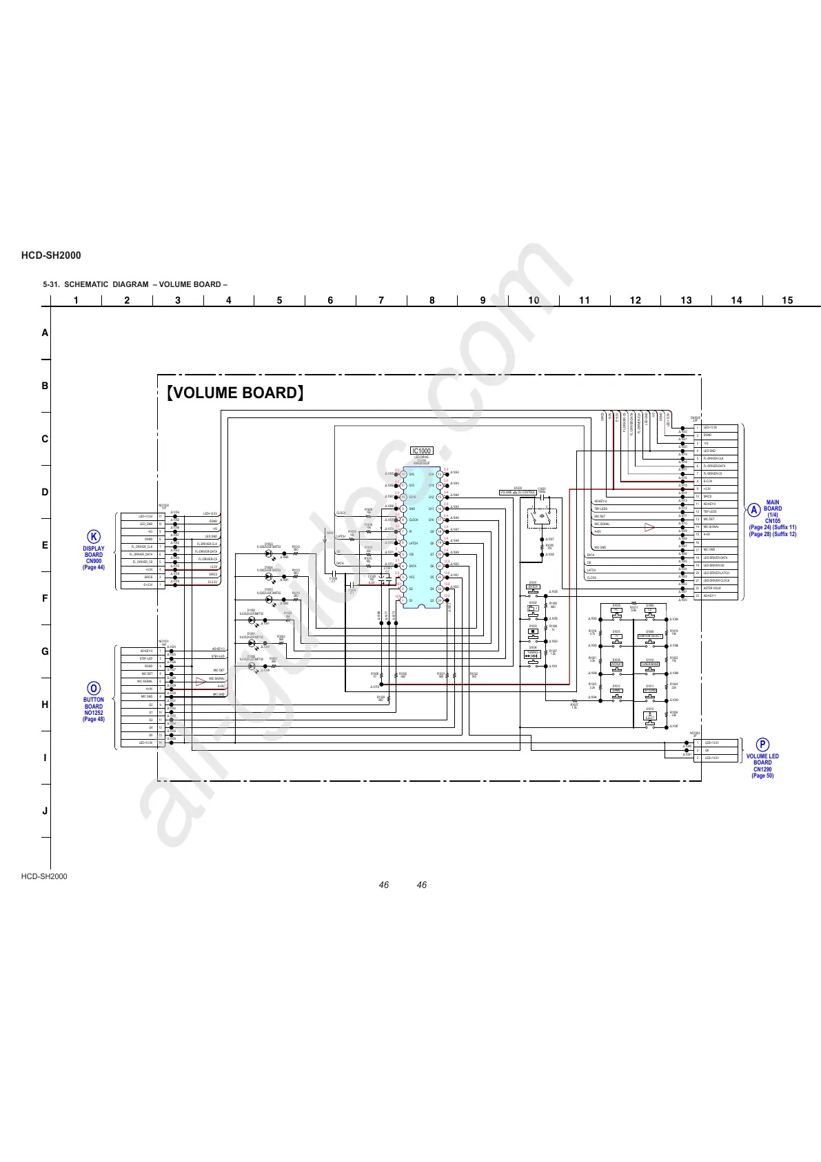
5-31. SCHEMATIC DIAGRAM – VOLUME BOARD –
VOLUME BOARD
JL1085
0.1
C1001
JL1091
JL1022
22k
R1024
JL1015
JL1072
JL1009
S1006
JL1076
JL1040
JL1093
JL1051
JL1064
JL1055
JL1082
JL1094
JL1003
JL1042
JL1001
1L0352V22F3MIT02
1L0352V22F3MIT02
1L0352V22F3MIT02
D1000
JL1002
JL1048
10k
R1019
6.3V
C1005
100
JL1046
D1005
JL1019
S1008
JL1006
JL1057
JL1086
JL1025
JL1024
24
23
22
21
20
19
187
6
5
4
3
2
1
17
16
15
14
13
8
9
10
11
12
R8A66166SP
IC1000
LED DRIVE
Q1
Q2
VCC
DATA
/OE
LATCH
/R
CLOCK
GND
SO16
Q15
Q16 Q14
Q13
Q12
Q11
Q10
Q9
Q8
Q7
Q6
Q5
Q4
Q3
1.5k
R1027
JL1056
S1010
JL1062
JL1045
JL1053
JL1007
JL1014
JL1083
JL1081
S1011
JL1047
JL1039
JL1070
6.8k
R1011
JL1011
JL1079
JL1065
JL1090
JL1017
1L0352V22F3MIT02
1L0352V22F3MIT02
1L0352V22F3MIT02
D1003
D1001
15k
R1022
S1012
JL1088
JL1049
33k
R1026
JL1052
JL1043
JL1054
D1004
JL1071
2.2k
R1023
JL1077
JL1012
4.7k
R1018
JL1068
JL1016
JL1069
JL1041
JL1050
JL1018
JL1044
S1013
3.3k
R1021
JL1089
JL1067
JL1013
JL1063
D1002
JL1026
JL1020
JL1074
JL1084
JL1000
JL1005
JL1073
S1007
S1009
JL1075
JL1021
JL1004
JL1080
S1005
JL1097
JL1008
JL1066
JL1078
JL1027
JL1028
JL1029
JL1030
JL1031
JL1032
JL1033
JL1034
JL1035
JL1036
JL1059
S1001
S1004
S1003
JL1060
1k
R1006
1.5k
R1007
S1002
JL1058
JL1061
680
R1005
1
2
3
3P
NO1003
LED+13.5V
Q6
LED+13.5V
1
2
3
5
6
7
8
9
10
11
12
13
14
15
16
17
18
19
20
21
22
23
23P
CN1000
LED+13.5V
DGND
-VG
4
LED GND
FL-DRIVER-CLK
FL-DRIVER-DATA
FL-DRIVER-CS
E+3.3V
+3.3V
SIRCS
AD-KEY-0
TBY-LEDS
MIC DET
MIC SIGNAL
A+9V
MIC GND
AD-KEY-0
TBY-LEDS
MIC DET
MIC SIGNAL
A+9V
MIC GND
DATA
OE
LATCH
CLOCK
LED-DRIVER-DATA
LED-DRIVER-OE
LED-DRIVER-LATCH
LED-DRIVER-CLOCK
DATA
OE
LATCH
CLOCK
ASTER VOLM
AD-KEY-1
JL1010
10k
R1016
1
3
4
5
6
7
8
9
10
11
11P
NO1002
E+3.3V
SIRCS
+3.3V
FL_DRIVER_CS
FL_DRIVER_DATA
FL_DRIVER_CLK
DGND
-VG
LED_GND
LED+13.5V
1
3
4
5
6
7
8
9
10
11
12
13
14
14P
NO1001
AD-KEY-0
STBY-LED
DGND
MIC DET
MIC SIGNAL
A+9V
MIC GND
Q2
Q1
Q3
Q4
Q5
LED+13.5V
560
R1002
560
R1001
560
R1003
560
R1012
560
R1013
560
R1014
10k
R1008
10k
R1009
10k
R1010
22k
R1015
560
R1029
560
R1030
560
R1031
560
R1032
0.1
C1007
W001
10
R1028
JL1098
0.1
C1008
DVD/SAT
PC
TUNER/BAND
USB/USB SELECTTV
EJECT
OPTIONS
CD
GAME
ENTER
LED+13.5V
DGND
-VG
LED GND
FL-DRIVER-CLK
FL-DRIVER-DATA
FL-DRIVER-CS
E+3.3V
+3.3V
SIRCS
LED+13.5V
DGND
-VG
LED GND
FL-DRIVER-CLK
FL-DRIVER-DATA
FL-DRIVER-CS
E+3.3V
+3.3V
SIRCS
AD-KEY-0
STBY-LED
MIC DET
MIC SIGNAL
A+9V
MIC GND
C1000
1000p
JL1037
S1000
1
23
10k
R1000
JL1038
VOLUME DJ CONTROL
K
DISPLAY
BOARD
CN900
(Page 44)
O
BUTTON
BOARD
NO1252
(Page 48)
A
MAIN
BOARD
(1/4)
CN105
(Page 24) (Suffix 11)
(Page 28) (Suffix 12)
P
VOLUME LED
BOARD
CN1290
(Page 50)
IC1000
5.0
5.0
0.3
0
3.2
3.3
0
0
0.1
13.1
3.3
12.9
0.4
0.4
0.4
0.4
0.4
0.4
13.3
13.0
13.0
13.2
5.0
5.0
TUNING +
+
1234567891011 141512 13
A
B
C
D
E
F
G
H
I
J
All manuals and user guides at all-guides.com
all-guides.com

Table of Contents

Other manuals for Sony MX

Related product manuals