EasyManua.ls Logo

Sony MX - Back Panel Connections

Sony MX
88 pages
Print Icon
To Next Page IconTo Next Page
To Next Page IconTo Next Page
To Previous Page IconTo Previous Page
To Previous Page IconTo Previous Page
Loading...
HCD-SH2000
HCD-SH2000
1818
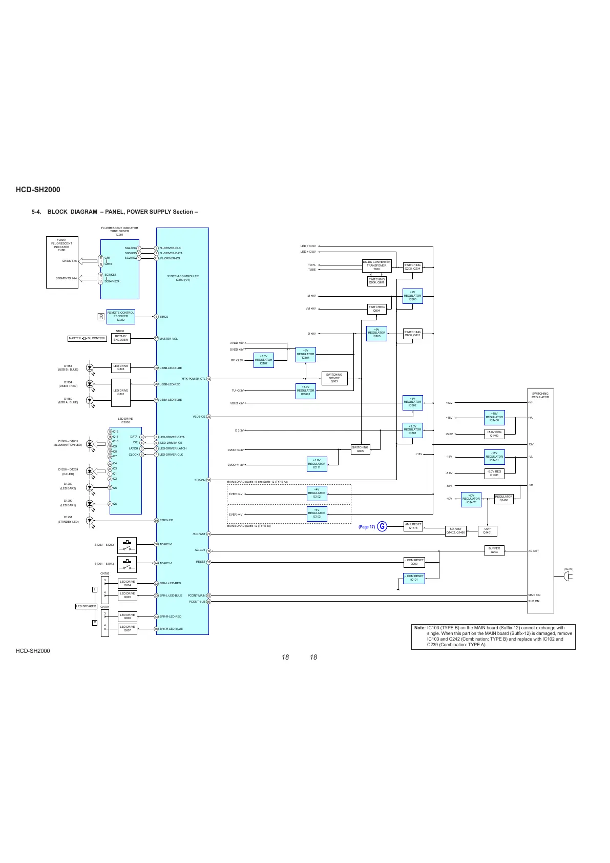
5-4. BLOCK DIAGRAM – PANEL, POWER SUPPLY Section –
SWITCHING
REGULATOR
+5.0V REG
Q1403
13V
+53V
+18V
+5.0V
-18V
-5.0V
-53V
-40V
-VL
+VL
-VH
+VH
AC-DET
MAIN ON
SUB ON
+18V
REGULATOR
IC1400
-18V
REGULATOR
IC1401
-40V
REGULATOR
IC1402
DC-DC CONVERTER
TRANSFOMER
T900
SWITCHING
Q906, Q907
SWITCHING
Q205, Q204
+5V
REGULATOR
IC804
+3.3V
REGULATOR
IC107
+3.3V
REGULATOR
IC1601
+9V
REGULATOR
IC800
+9V
REGULATOR
IC803
+5V
REGULATOR
IC802
+1.8V
REGULATOR
IC 111
+3.3V
REGULATOR
IC801
SD-FAST
Q1402, Q1460
AMP RESET
Q1475
μ COM RESET
Q200
μ COM RESET
IC101
(Page 17)
SWITCHING
Q804
SWITCHING
Q805
OVP
Q1401
BUFFER
Q203
SWITCHING
DRIVER
Q803
SWITCHING
Q800, Q801
-5.0V REG
Q1401
REGULATOR
Q1400
(AC IN)
DVDD +1.8V
DVDD +3.3V
D 3.3V
VBUS +5V
TU +3.3V
DVDD +5V
AVDD +5V
RF +3.3V
D +9V
VM +9V
M +9V
TUBE
TD FL
LED +13.5V
LED +13.5V
SYSTEM CONTROLLER
IC100 (4/4)
+4V
REGULATOR
IC102
EVER +4V
+4V
REGULATOR
IC103
EVER +4V
MAIN BOARD (Suffix-12 (TYPE B))
MAIN BOARD (Suffix-11 and Suffix-12 (TYPE A))
G
+13V
97
ROTARY
ENCODER
S1000
5
6
3
7
MASTER DJ CONTROL
D1000 – D1005
(ILLUMINATION LED)
LED DRIVE
IC1000
15
16
17
18
19
20
23
24
1
2
22
D1256 – D1259
(DJ LED)
D1280
(LED BAR2)
D1290
(LED BAR1)
D1251
(STANDBY LED)
21
89
19
63
59
12
58
25
43
72
4
5
6
8
FL9001
FLUORESCENT
INDICATOR
TUBE
FLUORESCENT INDICATOR
TUBE DRIVER
IC901
34 – 49
1 2
2 1
3 21
10 – 33
REMOTE CONTROL
RECEIVER
IC982
4 SIRCS
VBUS-OE
MTK-POWER-CTL
SUB-ON
/SD-FAST
RESET
AC-CUT
PCONT-SUB
PCONT-MAIN
FL-DRIVER-DATA
FL-DRIVER-CLK
USBB-LED-RED
MASTER-VOL
USBB-LED-BLUE
LED-DRIVER-LATCH
LED-DRIVER-DATA
/LED-DRIVER-OE
LED-DRIVER-CLK
USBA-LED-BLUE
STBY-LED
SPK-L-LED-RED
SPK-L-LED-BLUE
SPK-R-LED-RED
SPK-R-LED-BLUE
/FL-DRIVER-CS
SG1/KS1
SG2/KS2
SG3/KS3
SG4/KS4
SG24/KS24
GR1
GR16
GRIDS 1-16
SEGMENTS 1-24
Q1
Q2
DATA
/OE
LATCH
CLOCK
Q9
Q10
Q11
Q12
Q8
Q7
Q6
Q5
Q4
Q3
100
LED DRIVE
Q303
D1151
(USB B : BLUE)
95
LED DRIVE
Q301
D1154
(USB B : RED)
82
D1150
(USB A : BLUE)
S1250 – S1262
68
AD-KEY-0
S1001 – S1013
94
AD-KEY-1
52
CN705
3
4
LED SPEAKER
R
L
LED DRIVE
Q604
53
LED DRIVE
Q605
54
CN704
3
4
LED DRIVE
Q606
55
LED DRIVE
Q607
Note: IC103 (TYPE B) on the MAIN board (Suf x-12) cannot exchange with
single. When this part on the MAIN board (Suf x-12) is damaged, remove
IC103 and C242 (Combination: TYPE B) and replace with IC102 and
C239 (Combination: TYPE A).
All manuals and user guides at all-guides.com

Table of Contents

Other manuals for Sony MX

Related product manuals