EasyManua.ls Logo

Sony MX - Connecting the Keyboard and Mouse; Keyboard and Mouse Connection

Sony MX
88 pages
Print Icon
To Next Page IconTo Next Page
To Next Page IconTo Next Page
To Previous Page IconTo Previous Page
To Previous Page IconTo Previous Page
Loading...
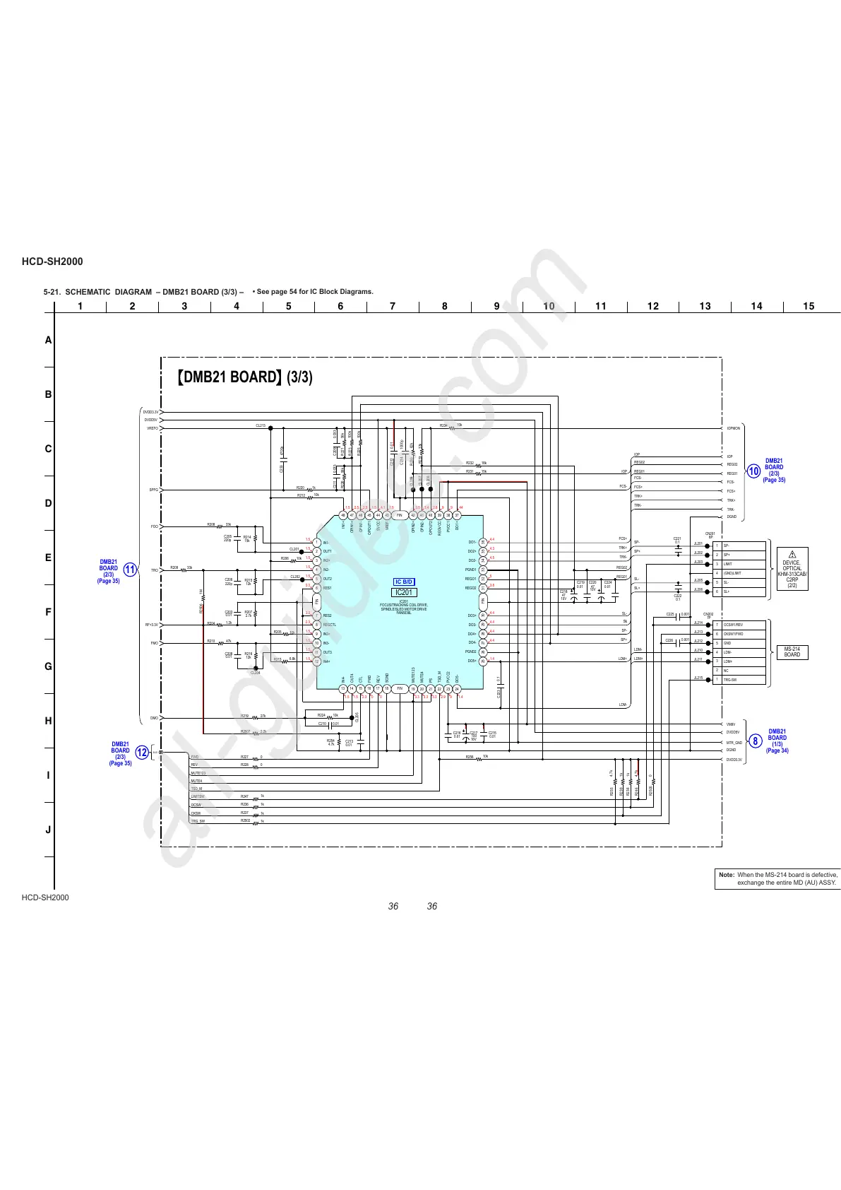
HCD-SH2000
HCD-SH2000
3636
5-21. SCHEMATIC DIAGRAM – DMB21 BOARD (3/3) –
• See page 54 for IC Block Diagrams.
BUS 1
1.5
1.5
1.5
1.5
1.5
3.3
3.3
2.3
1.5
1.5
1.5
1.5
1.492.93.33.33.3002.31.51.5
44992.83.43.51.54.11.52.52.51.5
4.4
4.3
4.5
5
3.8
4.4
4.4
4.4
4.4
1.4
FOCUS/TRACKING COIL DRIVE,
SPINDLE/SLED MOTOR DRIVE
1000p
C212
100k
R223
16V
100
C217
33k
R208
220p
C205
56kR221
27k
R219
10V
47
C218
1.2k
R204
0.033C211
0.01
C203
0.001
C226
12k
R216
0.01
C219
15k
R214
56kR226
0.01
C213
0.01
C210
4700p
C233
10V
47
C220
33kR209
10k
R205
10k
R206
18kR232
0.001
C225
82kR230
100k
R225
0.033C209
0.1
C223
10k
R224
0.01
C208
47k
R210
10k
R234
0.01
C224
10k
R212
6.8k
R213
12k
R215
4.7k
R246
1k
R220
220p
C206
C214
2.7k
R207
C216
0.01
JL206
JL205
JL203
JL202
JL201
R254
4.7k
10
11
12
7
8
9
4
5
6
1
2
3
13 14 15 16 17 18
19 20 21 22 23 24
25 26 27 28 29 30 31 32 33 34 35 36
373839404142434445464748
FIN
FIN
FIN
FIN
IC201
FAN8036L
IN1-
OUT1
IN2+
IN2-
OUT2
RES1
RES2
REGCTL
IN3+
IN3-
OUT3
IN4+
IN4-
OUT4
CTL
FWD
REV
SGND
MUTE123
MUTE4
PS
TSD_M
PVCC2
DO5-
DO5+
PGND2
DO4-
DO4+
DO3-
DO3+
REGO2
REGO1
PGND1
DO2-
DO2+
DO1-
DO1+
PVCC1
REGVCC
OPOUT2
OPIN2-
OPIN2+
VREF
SVCC
OPOUT1
OPIN1-
OPIN1+
IN1+
JL210
JL211
CL213
SPFG
TRO
VREFO
FMO
DVDD3.3V
IOP
DMO
FCS-
FWD
FCS+
REV
TRK+
MUTE123
FOO
TRK-
RF+3.3V
MUTE4
TSD_M
VM9V
MTR_GND
0.1
C222
CL201
CL202
CL204
CL205
CL206
CL207
CL208
0.1
C221
33kR233
1k
R239
1k
R238
R2505
0
R255
4.7k
1
2
3
4
5
6
7
7P
CN202
TRG-SW
NC
LDM+
LDM-
LDM+LDM+
LDM-
LDM-
GND
CKSW1/FWD
OCSW1/REV
10k
R256
R2506 1M
1
2
3
4
5
6
6P
CN201
SP-
SP+
LIMIT
(GND)LIMIT
SL-
SL+
JL212
JL213
JL214
JL215
R2507
2.2k
FCS-
FCS-
FCS+
TRK+
TRK-
FCS+
TRK+
TRK-
SL+
SP-
SP+
SP-
SP+
SL-
SL+
SL-
DGND
DGND
REG01
REG02
CKSW
OCSW
TRG_SW
1k
R247
LIMITSW
R2502
1k
1k
R236
1k
R237
0
R228
0
R227
REG01
REG02
REG01
REG02
IOP
IOP
DVDD5V
0.01
C215
15kR231
0.01
IOPMON
DVDD5V
DVDD3.3V
1234567891011 141512 13
A
B
C
D
E
F
G
H
I
J
DMB21 BOARD
(3/3)
IC201
12
DMB21
BOARD
(2/3)
(Page 35)
11
DMB21
BOARD
(2/3)
(Page 35)
8
DMB21
BOARD
(1/3)
(Page 34)
10
DMB21
BOARD
(2/3)
(Page 35)
IC B/D
DEVICE,
OPTICAL
KHM-313CAB/
C2RP
(2/2)
MS-214
BOARD
Note: When the MS-214 board is defective,
exchange the entire MD (AU) ASSY.
All manuals and user guides at all-guides.com
all-guides.com

Table of Contents

Other manuals for Sony MX

Related product manuals