EasyManua.ls Logo

Sony MX - Page 55

Sony MX
88 pages
Print Icon
To Next Page IconTo Next Page
To Next Page IconTo Next Page
To Previous Page IconTo Previous Page
To Previous Page IconTo Previous Page
Loading...
HCD-SH2000
55
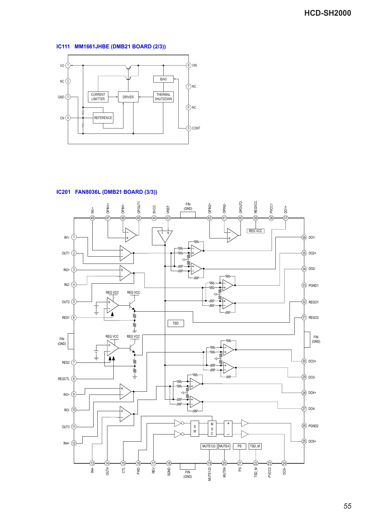
IC111 MM1661JHBE (DMB21 BOARD (2/3))
IC201 FAN8036L (DMB21 BOARD (3/3))
OUT1
RES1
RES2
REGCTL
IN3+
IN3-
OUT3
IN4+
IN4-
OUT4
CTL
FWD
REV
SGND
MUTE123
MUTE4
PS
PVCC2
DO5-
TSD_M
FIN
(GND)
OUT2
IN1-
IN2+
IN2-
FIN
(GND)
FIN
(GND)
DO5+
PGND2
DO4-
DO4+
DO3-
DO3+
REGO2
PGND1
REGO1
DO2-
DO2+
DO1-
FIN
(GND)
DO1+
PVCC1
REGVCC
OPOUT2
OPIN2-
OPIN2+
VREF
SVCC
OPOUT1
OPIN1-
OPIN1+
IN1+
REG VCC REG VCC
REG VCC REG VCC
1
2
3
4
5
6
7
8
9
10
11
12
13 14 15 16 17 18 19 20 21 22 23 24
25
26
27
28
29
30
31
32
33
34
35
36
373839404142434445464748
MUTE123
MUTE4
PS TSD_M
S
W
M
S
C
TSD
REG VCC
1
VO
8
2
NC
VIN
7
NC
6
NC
5
CONT
3
GND
DRIVER
4
CN
CURRENT
LIMITTER
REFERENCE
THERMAL
SHUTDOWN
BIAS
All manuals and user guides at all-guides.com

Table of Contents

Other manuals for Sony MX

Related product manuals