EasyManua.ls Logo

Sony RM-BR300 - Anschluss eines Videomischers; Einschalten

Sony RM-BR300
Print Icon
To Next Page IconTo Next Page
To Next Page IconTo Next Page
To Previous Page IconTo Previous Page
To Previous Page IconTo Previous Page
Loading...
Anschlüsse und Bedienung
Einschalten
DE
12
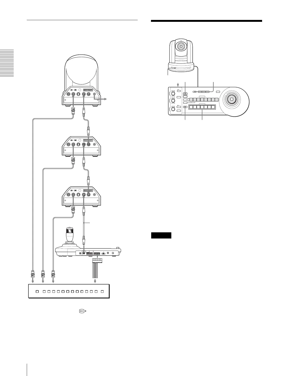
Anschluss eines Videomischers
Verwenden Sie einen im Fachhandel erhältlichen
Videomischer mit Kontaktsteuerung, um zwischen den
auszugebenden Kamerasignalen umzuschalten.
Weitere Einzelheiten über den Anschluss an einen
Videomischer entnehmen Sie bitte der
Bedienungsanleitung des Mischers.
Einschalten
1
Schließen Sie die Kamera an eine Netzsteckdose
an.
Die Stromversorgung der Kamera wird
eingeschaltet, und die Lampe POWER leuchtet auf.
Die Kamera führt automatisch eine Schwenk- und
Neigebewegung aus und stellt sich auf die in
POSITION 1 gespeicherte Position zurück
(Schwenk-/Neigerückstellung).
2
Schalten Sie dieses Gerät durch Drücken des
Schalters ON/OFF ein.
Die Taste CAMERA, die der zuletzt
ausgeschalteten Kamera entspricht, leuchtet auf.
(Die Taste CAMERA 1 leuchtet standardmäßig
auf.)
3
Schalten Sie die Peripheriegeräte ein.
Hinweise
Schalten Sie die Kamera unbedingt vor diesem Gerät
ein. Anderenfalls kann das Gerät die angeschlossene
Kamera nicht erkennen.
Berühren Sie nicht den Joystick, wenn Sie das Gerät
einschalten. Anderenfalls kann die Bestätigung des
Nullpunkts beeinflusst werden.
So schalten Sie die Kamera mit diesem
Gerät ein und aus
Solange die Kamera an eine Netzsteckdose
angeschlossen ist, kann sie mit der Taste POWER dieses
Geräts ein- und ausgeschaltet werden.
Während Sie die Taste POWER gedrückt halten,
drücken Sie die Taste CAMERA, die der ein-/
auszuschaltenden Kamera entspricht.
Wird die Kamera mit diesem Gerät ausgeschaltet,
erlischt die Lampe POWER, und die Lampe STANDBY
an der Kamera leuchtet auf.
MODE
VISCA
1919
RS-422 ON/OFF
TAL LY/C ON TAC T
RS-232C
CONTACT(TALLY)
!
TALLY
CONTACT DC IN 12V
EXT SYNC IN
IR SELECT
75
1 2 3
OFF ON
IN VISCA RS-232C OUT
!
VISCA RS-422
1 2 3 4 5 6 7 8 9
DC IN
12V
R
VIDEO S VIDEO
EXT SYNC IN
IR SELECT
75
1 2 3
OFF ON
IN VISCA RS-232C OUT
!
VISCA RS-422
1 2 3 4 5 6 7 8 9
DC IN
12V
R
VIDEO S VIDEO
EXT SYNC IN
IR SELECT
75
1 2 3
OFF ON
IN VISCA RS-232C OUT
!
VISCA RS-422
1 2 3 4 5 6 7 8 9
DC IN
12V
R
VIDEO S VIDEO
Dritte bis siebte
Kamera
an eine
Netzsteckdose
VISCA RS-232C IN
RS-232C-Kabel
VISCA RS-232C OUT
Zweite Kamera
VISCA RS-232C IN
RS-232C-Kabel
VISCA RS-232C OUT
Erste Kamera
75-Ohm-Koaxialkabel*
75-Ohm-Koaxialkabel*
VISCA RS-232C IN
VISCA RS-232C
an
Kontaktsteuerklemme
an FBAS-Video-Eingang
T VIDEO
* Sie können auch die Buchse S VIDEO der Kamera über ein
S-Video-Kabel mit der S-Video-Eingangsbuchse des
Videomischers verbinden.
TALLY/CONTACT
75-Ohm-Koaxialkabel*
T VIDEO
Videomischer (im Handel erhältlich)
RS-232C-Kabel
(mitgeliefert)
(SONY: 1-590-879-3X)
1
1
9
LOCK
MODE
VALUE
RESET
MENU
PRESET
SHIFT
L/R
DIRECTION
PANEL
LIGHT
BLACK
LIGHT
PAN-TILT
RESET
ONE PUSH
AWB
POWER
AUTO
MANUAL
AUTO
ONE PUSH
AF
234567
2
10
STD REV
3
11
4
POSITION
CAMERA
12
5
13
6
14
7
15
8
16
R
+
BRIGHT
B
+
FOCUS
NEAR FAR
1 2
PANEL LIGHT
POWER CAMERA
RESET

Table of Contents

Related product manuals