EasyManua.ls Logo

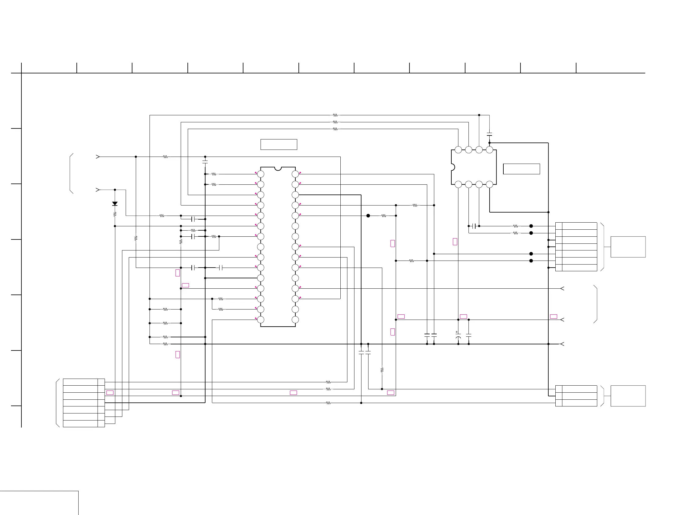
Sony RMT-B101A - FL-180 Door Drive Schematic; Schematic Diagram (Part 2;2)

Sony RMT-B101A
90 pages
Print Icon
To Next Page IconTo Next Page
To Next Page IconTo Next Page
To Previous Page IconTo Previous Page
To Previous Page IconTo Previous Page
Loading...
BDP-S500
FL-180 (2/2) (DOOR DRIVE) SCHEMATIC DIAGRAM • See page 4-15 for printed wiring board.
– Ref. No. : FL-180 board; 2,000 series –
DOOR DRIVE
FL-180 (2/2)
4-13
4-14
UP/DOWN
R213
0
R211
100
R210 100
JL201
R214
0
1k
R212
GND
0.1
C204
V+5E
10V
47
C203
0.1
C202
JL202
JL203
JL204
R201
100
R204
22k
R200
22k
1
C201
XX
R205
33k
R202
8 7 6 5
4321
BH6578FVM-TR
IC201
30
29
28
27
26
25
247
6
5
4
3
2
1
18
19
20
21
22
238
9
10
17
16
11
12
13
14
15
UPD78F0500MC-5A4-A
IC200
NC
NC
Dr_M+
Dr_M-
Pont
xRst
FLMDO
NC
NC
C
Vss
Vdd
Dr_M+2
Dr_M-2
DrUDCtl
NC
NC
DrKey
Tr_Close
NC
Dn_Stop
RX
TX
NC
NC
aging
AVRef
AVSS
SwDrUp
SwDrDn
0.01
C205
1
2
3
3P
CN200
DownStop
GND
DoorUpDownCTL
R217
100
R207
10k
R219 100
R220
100
R216
22k
R215
22k
TRAY_CLOSE
R208
22k
JL200
100
R221
C208
XX
1
2
3
4
5
6
7
7PCN201
OUT_2(-)
OUT_1(+)
GND
GND
DOWN
UP
GND
C206
0.01
C207
0.01
R218
100
1
C209
R222
XX
R223
XX
1
2
3
4
5
6
7
7P
CN202
Rx
Tx
V+5E
GND
EXCLK
FLMDO
xRESET
R224
10k
R225
10k
C200
0.01
C210
1
R203
18k
100k
R206
IC201
MOTOR DRIVE
IC200
DOOR MOTOR CONTROLLER
BLOCK
DOOR DRIVING
CN001
(NC)
A DOOR DRIVE
1012
FL-180 BOARD (2/2)
B
11
C
78
-REF.NO.:2,000 SERIES-
F
964
05
XX MARK:NO MOUNT
3
G
D
5
E
FL-180
(1/2)
BD ROM DRIVE
(BPD-100)
SW5V
FL-180
(1/2)
XX
D201
XX
R227
R226
XX
C211
XX
C212
XX
NO MARK:PB MODE
B+ B+ B+B+
B+
B+ B+
B+
B+
B+ B+
B+
B+
0
0
0
0
0
0
5
5
0
5
0
0
0
0
2.5
5
5
0
0
5
0
3.3

Related product manuals