EasyManua.ls Logo

Sony RMT-D185A - 3-4. RF;Servo Block Diagram

Sony RMT-D185A
86 pages
Print Icon
To Next Page IconTo Next Page
To Next Page IconTo Next Page
To Previous Page IconTo Previous Page
To Previous Page IconTo Previous Page
Loading...
DVP-NS47P/NS57P/NS508P/NS64P/NS67P/NS608P
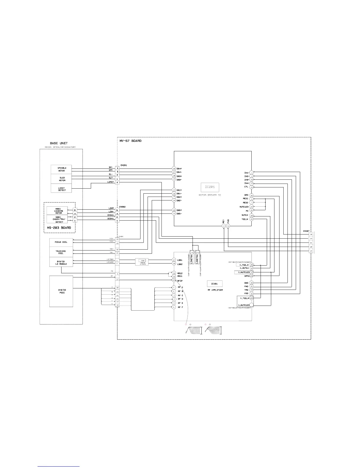
3-4. RF/SERVO BLOCK DIAGRAM
3-7 3-8
TO CN401
IF-156 BOARD
(SEE PAGE 3-13 TO 3-14
)
119
200nsec
(0.5Vp-p to
1.1Vp-p)
100nsec
(0.65Vp-p to
1.48Vp-p)
IC101 (CD PB)
1
125
IC101 (DVD PB)
2
125
(SEE PAGE 4-15 TO 4-16)

Table of Contents

Related product manuals