EasyManua.ls Logo

Sony RMT-D185A - Page 79

Sony RMT-D185A
86 pages
Print Icon
To Next Page IconTo Next Page
To Next Page IconTo Next Page
To Previous Page IconTo Previous Page
To Previous Page IconTo Previous Page
Loading...
8-3
DVP-NS47P/NS57P/NS508P/NS64P/NS67P/NS608P
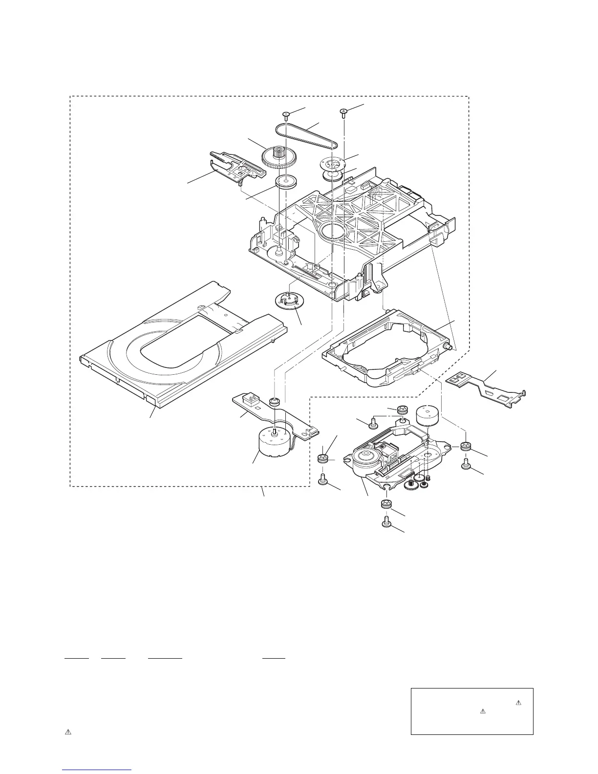
8-1-2. MECHANISM DECK ASSEMBLY
ns : not supplied
21
21
20
22
22
22
21
22
21
23
24
26
25
ns
ns
ns
ns
ns
ns
ns
ns
ns
ns
ns
Ref. No. Part No. Description Remark
20 A-6071-669-A LOADING ASSY(M)
21 3-088-372-01 INSULATOR
22 3-087-599-02 INSULATOR SCREW
23 4-674-137-11 SCREW (PTP2X5)
24 3-088-371-01 BELT
25 4-974-725-11 SCREW (M1.7X2.5), P
26 8-820-321-05 DEVICE,OPTICAL KHM-313CAA/C2RP
Note :
The components identified by mark
or
dotted line with mark are critical for
safety.
Replace only with part number specified.

Table of Contents

Related product manuals