EasyManua.ls Logo

Sony SA-CT780 - Schematic Diagram - FL Board

Sony SA-CT780
78 pages
Print Icon
To Next Page IconTo Next Page
To Next Page IconTo Next Page
To Previous Page IconTo Previous Page
To Previous Page IconTo Previous Page
Loading...
HT-CT780
HT-CT780
4747
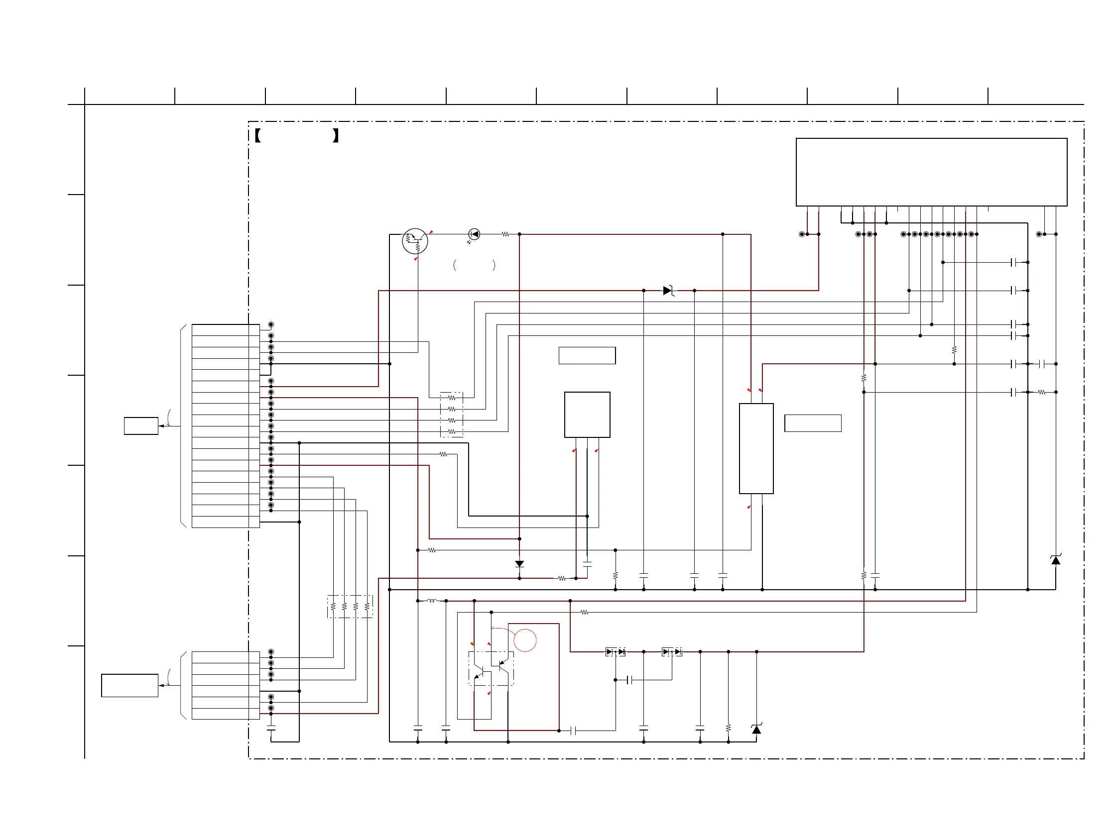
5-16. SCHEMATIC DIAGRAM - FL Board -
• See page 35 for Waveforms. • See page 50 for IC Block Diagrams.
4
3.3
3.6
3.4
2.7
5.2
11.7
5.2
2.3
0
21
JL802
JL803
JL830
JL825
JL829
JL810
JL828
JL811
JL832
JL806
JL816
JL807
JL833
JL809
JL834
JL835
JL812
JL814
JL827
JL836
JL804
JL815
JL805
JL831
JL813
JL826
JL801
ND801
F+
F+
LGND
PGND
VH
VDD
TSB
TSA
SI
SCK
STB
RESET
OSC
VIN
SW
N.C
F–
F–
C
CB
BE
E
BC817DPN
Q802
PNA4823M02S0
IC801
VO
1
GND
2
VCC
3
MM3411A33URE
IC803
CE
1
GND
2
VOUT
3
VDD
4
JL808
JL820
JL821
JL822
JL823
6P
CN804
NFC_RF_DET 1
NFC_IRQ 2
NFC_SDA 3
GND 4
NFC_SCL 5
E3.3V 6
CN803
18P
D_GND 1
NFC_SCL 2
NFC_SDA 3
NFC_IRQ 4
NFC_RFDET 5
E_4V 6
SIRCS 7
D_GND 8
FL_CLK 9
FL_CS 10
FL_DATA 11
DD_12V 12
SW_6V 13
FL_GND 14
FL_GND 15
BT_LED 16
RST_FL 17
SIRCS2 18
47
RB801
100
RB802
10
C810
10uH
L801
10
C809
1
C808
100
R809
D801
CL-194S-HB8SP-SD-T
LTC023JUBFS8TL
Q801
47
R812
47
R811DA2J10100L
D802
1
C816
1
C813
10k
R817
22k
R813
10k
R814
1
C817
1
C821
1
C819
CES520
D804
KDZTR2.0B
D806
DZ2J300M0L
D807
33k
R816
BAV99-215
D805
BAV99-215
D803
1
C815
1
C811
1
C812
1
C814
100
R810
10
R818
10
R819
47k
R820
220p
C824
220p
C825
0.1
C820
0.1
C818
220p
C823
0.1
C822
10
C801
IC801
REMOTE CONTROL RECEIVER
IC803
+3.3V REGULATOR
FL BOARD
LED DRIVE
FFC4
NFC1
(RC-S730 (WW))
NFC MODULE
DC/DC
CONVERTER
FFC3
(7/8)
CN104
BOARD
MAIN
>01S
INDICATOR
BLUETOOTH
FLUORESCENT INDICATOR TUBE
10 11
G
F
1
C
D
6
E
2
B
3
A
45 789
(Page 44)

Related product manuals