EasyManua.ls Logo

Sony SA-CT780 - Block Diagram - PANEL;POWER SUPPLY Section

Sony SA-CT780
78 pages
Print Icon
To Next Page IconTo Next Page
To Next Page IconTo Next Page
To Previous Page IconTo Previous Page
To Previous Page IconTo Previous Page
Loading...
HT-CT780
HT-CT780
3434
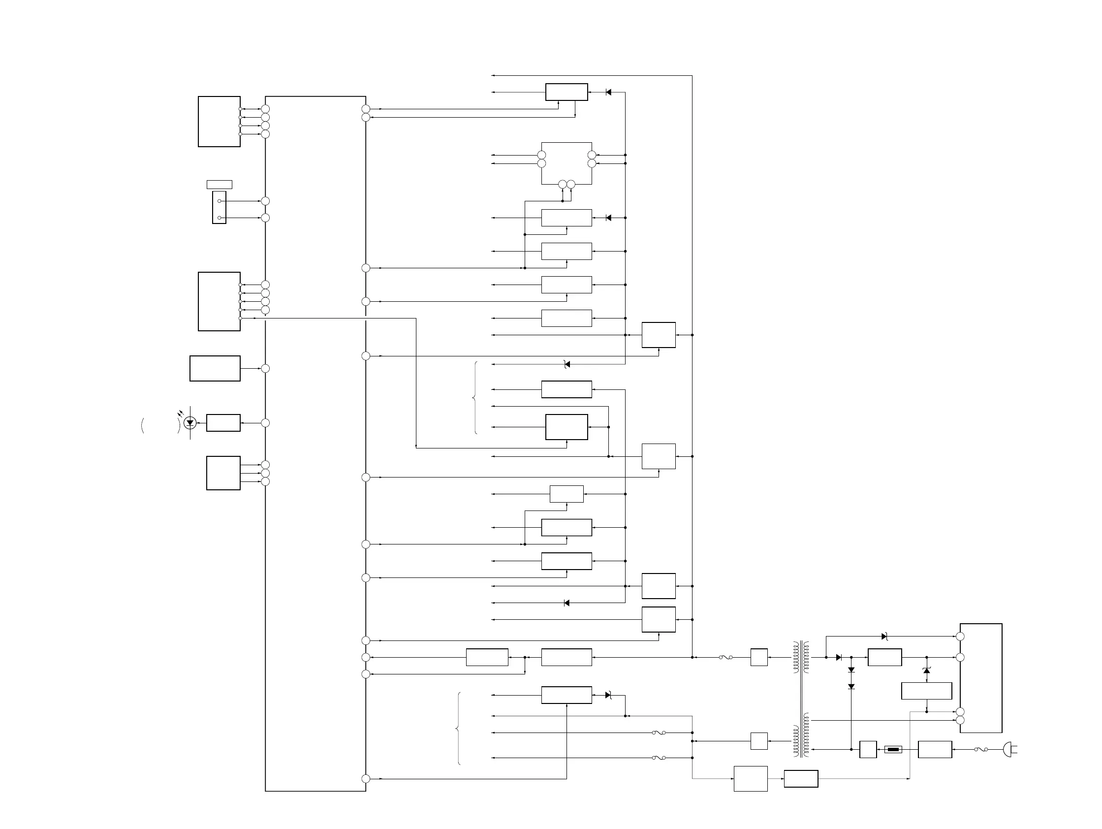
5-4. BLOCK DIAGRAM - PANEL/POWER SUPPLY Section -
TH901
RECT
D901
RECT
D965
LINE FILTER
LF901
RECT
D967
85
SIRCS_IN_1
REMOTE CONTROL
RECEIVER
IC801
33 BT LED
LED DRIVE
Q801
49INITX (RESET)
14 FL_DOUT
15 FL_CLK
12 FL_CS
ND801
FLUORESCENT
INDICATOR TUBE
SYSTEM CONTROLLER
IC102 (4/4)
AC1
(AC IN)
F901
F501
POWER CONTROL
IC930
BD
6
VCC
3
FB/OLP
5
D934
D942
D105
D601, 602
D1801
D936 D932
PVDD_28V
+28V
(FOR L-CH)
+28V
(FOR R-CH)
GVDD_12V
D937
REGULATOR
Q930
D501
D804
+12V REGULATOR
IC502
F502
F931
E_4V
E_3.3V
DSP_1.1V
DIGITAL
POWER AMP
B+
103AC_CUT
76P_CONT_DSP
120P_CONT2
51PCONT_DRIVER
11 9P_CONT1
DC/DC
CONVERTER
IC602
DC/DC
CONVERTER
IC313
DC/DC
CONVERTER
IC601
VDD
11P_CONT3
DD_12V
+12V
REGULATOR
IC110
E_12V
VOLTAGE DETECT
IC106
RESET SWITCH
Q106
BT_3.3V
137PCONT_BT
+3.3V REGULATOR
IC306
SW_3.3V
+3.3V REGULATOR
IC105
605VPWR
HDMI_TX_5V
DD_6V
SP_5V
+5V REGULATOR
IC1005
+5V REGULATOR
IC604
DIR_5V
SW_4V
B+ SWITCH
Q104, 105
DC/DC
CONVERTER
D803, 805, Q802
61SPARTA_PCONT
1VIN1
SP_3.3V
RG_1V
SP_1.3V
F+
VIN
VH
VBUS SWITCH
IC1802
130PCONT_USB
2USB_FAULT
16VIN2
+3.3V REGULATOR
IC605
FOR
FLUORESCENT
INDICATOR TUBE
T901
POWER
TRANSFORMER
SI
SCK
STB
13 FL_RESET
RESET
39 NFC DATA
NFC1
NFC MODULE
(RC-S730 (WW))
3 SW1
VBUS_5V
14
5
SW2
EN1
12
EN2
NFC_SDA
SW
NFC_SCL
40 NFC SCL
NFC_IRQ
35 NFC IRQ
NFC_RF_DET
38 NFC_RFDET
143 US B D P
142 US B D M
ISOLATOR
PH930
SHUNT
REGULATOR
IC931
PROTECT DETECT
Q931
BLUETOOTH
INDICATOR
D801
+5V REGULATOR
IC304
89
KEY0
94 KEY1
88 KEY2
D/ST
1
KEY
BOARD
+3.3V REGULATOR
IC803
DC/DC CONVERTER
IC603
UPDATE
3
2
CN001

Related product manuals