EasyManua.ls Logo

Sony SA-CT780 - Schematic Diagram - POWER Board

Sony SA-CT780
78 pages
Print Icon
To Next Page IconTo Next Page
To Next Page IconTo Next Page
To Previous Page IconTo Previous Page
To Previous Page IconTo Previous Page
Loading...
HT-CT780
HT-CT780
4949
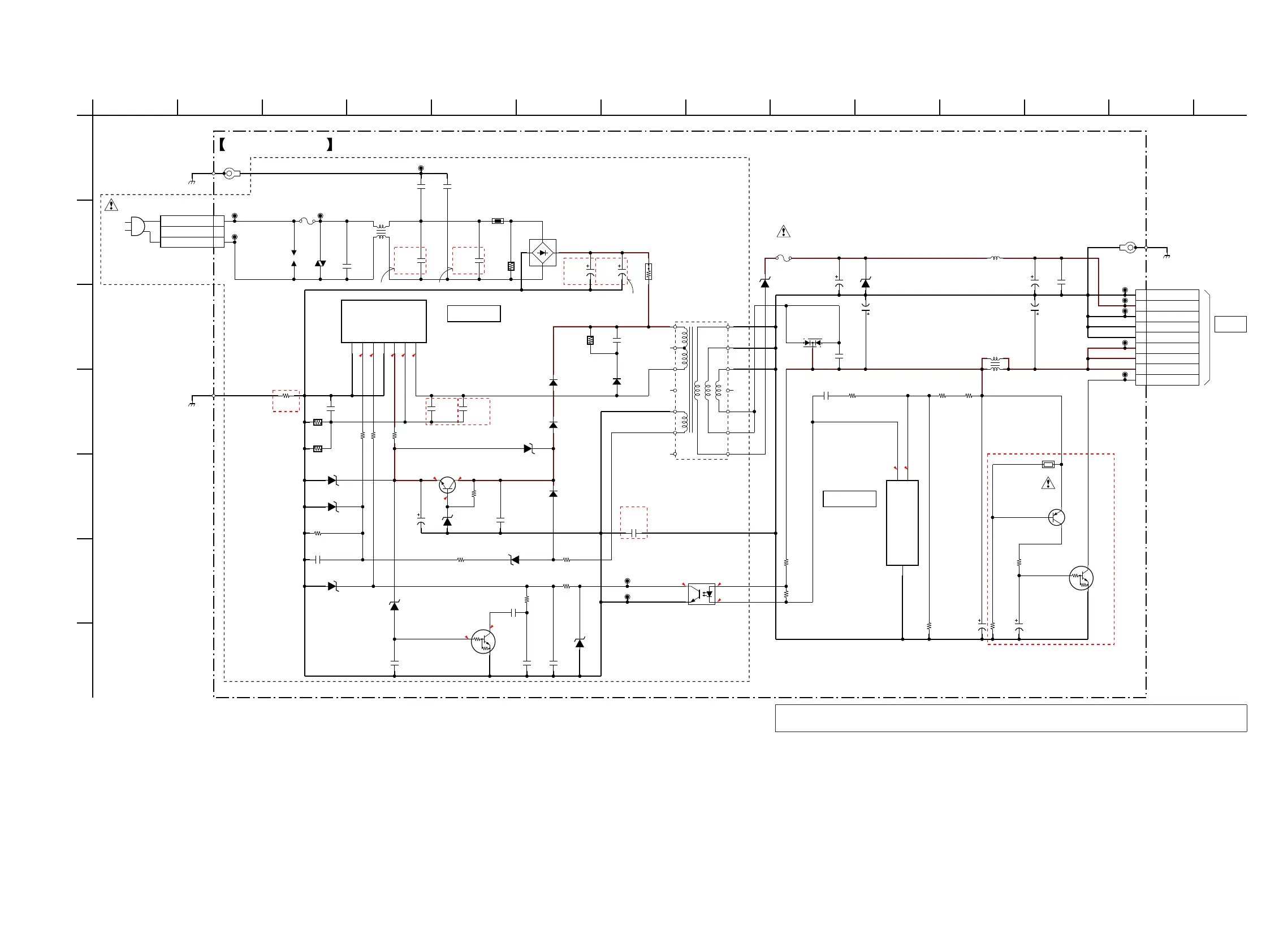
5-18. SCHEMATIC DIAGRAM - POWER Board -
• See page 50 for IC Block Diagrams.
Note: When C902, C903, C905, C914, C915, C941, C967, C970, C977, C978, C980, C988, D901, F931, LF901, R934, TH901
and VDR901 on the POWER board are replaced, refer to “BOND FIXATION OF ELECTRIC PARTS” on page 6.
0.4
1.2
21.5
0
150.7
25.6
2.4
21.5
6.7
1.2
22.2
0
26.6
25.6
22.1
3P
CN901
1LIVE
3NEUTRAL
JL973
JL974
JL902
JL903
JL975
JL976
JL904
JL936
JL977
JL901
JL937
EL816S1(B)(TA)(DTE-S)
PH930
1W
R914
0.33
IC930
D/ST
1
S/OCP
2
VCC
3
GND
4
FB/OLP
5
BD
6
NF
7
MM1431FNRE
IC931
K
1
VREF
2
A
3
TH901
TH902
9P
CN902
1AGND
2 UN12V
3 PVDD_GND
4 PVDD_GND
5 PVDD_GND
6 PVDD_28V
7 PVDD_28V
8 PVDD_28V
9/VACS_REQ
VDR901
250V
5A
F901
C905
250V
C988
0.1
C907
0.33
C903C902
E
ET931
~
+
~
D3SB60F3
D901
450V
C915
100
200V
C914
330
R997
0
4.7
R954
4.7
R953
0
R955
1.5kV
C935
2200p
1.5kV
C938
680p
UDZSUSTE-1730B
D931
UDZSUSTE-1730B
D935
RR264M-400
D936
DZ2J180M0L
D930
2SC5053T100Q
Q930
4.7k
R937
DZ2J24000L
D939
25V
330
C941
10
C937
2.2k
R935
CRH02(T5R,SONY,XM)
D942
KDZTR18B
D972
27k
R938
DZ2J180M0L
D934
4.7
R947
DZ2J15000L
D932
100
R945
47k
R936
UDZSUSTE-1730B
D941
LTC044EUBFS8TL
Q931
RR264M-400
D937
R944
400V
0.0033
C939
SARS10
D938
R932
R934
0.1
C930
10
C933
0.1
C936
0.0047
C932
2.2
C934
C940
470p
1k
R965
1k
R987
250V
2.5A
F931
RB068L100TE25
D967
25V
1000
C970
UDZSUSTE-1730B
D973
E
ET932
35V
2200
C967
35V
47
C977
0.1
C968
FMX-22SL
D965
35V
47
C976
1.5k
R976
47k
R977
220k
R971
4.7k
R978
0.01
C971
35V
47
C980 R951
220k
R952
1k
50V
C978
10
PDTC144EU
Q952
2PA1576R-115
Q950
250V
C965
0.0047
0.5W
R901
1.5M
LF901
4.7uH
L967
2.2uH
L966
POWER BOARD
(CHASSIS)
IC930
ISOLATOR
SHUNT REGULATOR
IC931
(CHASSIS)
5
9
POWER
12
11
1
10
6
TRANSFORMER
4
3
T901
2
78
14
13
(HEATSINK)
LND001
SPARK-GAP
PATTERN
310V

(US, CND, TW)
(US, CND, TW)
LINE FILTER
(Except US, CND, TW)
(Except US, CND, TW)
POWER CONTROL
3
4
2
1
(US, CND, TW)
C931
150p (US, CND, TW)
C931
180p (Except US, CND, TW)
PROTECT DETECT
REGULATOR
(US, CND, TW)
(Except US, CND, TW)
STR-Y6735 (US, CND, TW)
STR-Y6766B (Except US, CND, TW)
(US, CND, TW)
250V
THERMAL DETECT
Q950, 952
(Except US, CND, TW)
(8/8)
CN601
BOARD
MAIN
>02S
AC1
(AC IN)
NC 2
10 11 12 13 14
G
F
1
C
D
6
E
2
B
3
A
45 789
0.22 310V (US, CND, TW)
C905
0.33 310V (Except US, CND, TW)
0.001 250V (US, CND, TW)
C902, 903
0.0033 250V (Except US, CND, TW)
47k 3W (US, CND, TW)
R944
100k 3W (Except US, CND, TW)
0.47 1W (US, CND, TW)
R932
2.2 1W (Except US, CND, TW)
0.15 2W (US, CND, TW)
R934
0.22 2W (Except US, CND, TW)
(Page 45)
Ver. 1.1

Related product manuals