EasyManua.ls Logo

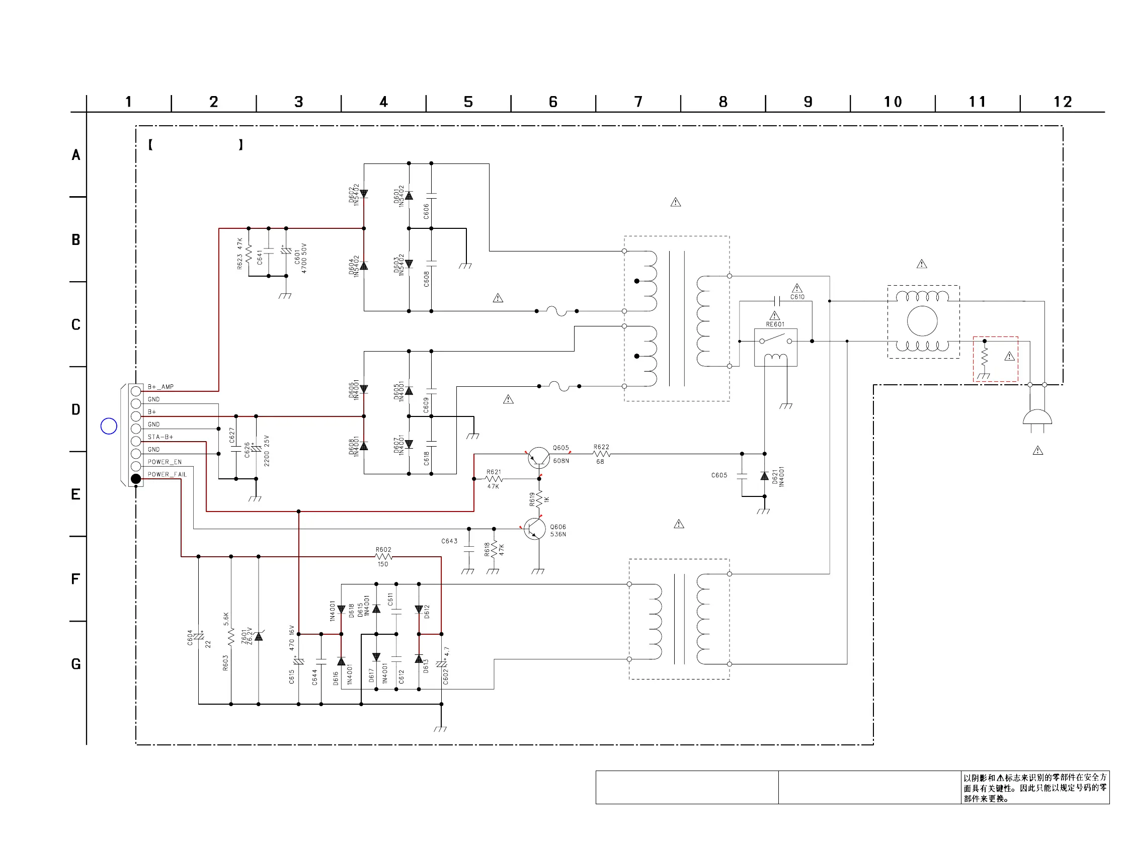
Sony SS-CEP50 - Schematic Diagram - POWER Board

Sony SS-CEP50
52 pages
Print Icon
To Next Page IconTo Next Page
To Next Page IconTo Next Page
To Previous Page IconTo Previous Page
To Previous Page IconTo Previous Page
Loading...
HCD-EP50
2727
MAIN
BOARD
(3/3)
CN1
E
7.98
0.7
7.2
0.1
(US, CND, MX)
Q605, 606
POWER ON/OFF
RELAY DRIVE
T601
POWER
TRANSFORMER
(MAIN)
T602
POWER
TRANSFORMER
(SUB)
CN601
8P
AC IN
POWER BOARD
0.1
0.1
0.1
0.1
0.1
0.1
25V
0.1
0.1
0.1
1SS133T
1SS133T
50V
F601 T4L 250V (AEP, UK, SP, HK, AR, CH)
4A 125V (US, CND, MX)
F602 T2L 250V (AEP, UK, SP, HK, AR, CH)
2A 125V (US, CND, MX)
0.001
250V
0.1
R625
3.3M
1/2W
0.1
L601
400µH
6-14. SCHEMATIC DIAGRAM – POWER Board –
(Page 22)
The components identified by mark 0 or dotted
line with mark 0 are critical for safety.
Replace only with part number specified.
Les composants identifiés par une marque 0 sont
critiques pour la sécurité. Ne les remplacer que
par une pièce portant le numéro spécifié.
Ver 1.1

Related product manuals