EasyManua.ls Logo

Sony STR-DA3200ES - Block Diagram - DSP Section

Sony STR-DA3200ES
168 pages
Print Icon
To Next Page IconTo Next Page
To Next Page IconTo Next Page
To Previous Page IconTo Previous Page
To Previous Page IconTo Previous Page
Loading...
STR-DA3200ES/DG1000
3131
STR-DA3200ES/DG1000
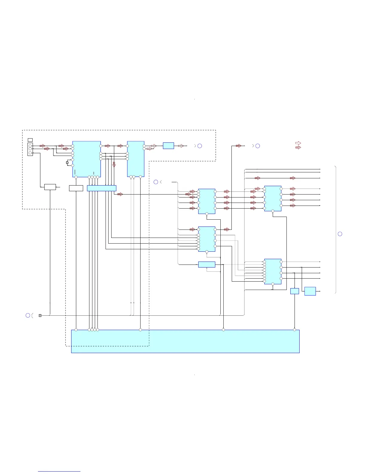
6-2. BLOCK DIAGRAM – DSP Section –
SYSTEM CONTROLLER
IC2054 (2/4)
5
SCRXIN
3
SCTXOUT
XM UART TX
119
XM UART RX
120
7
COMMSEL
9
IRQ
XM COMMAND
127
XM REQUEST
128
11
RESET
XM RESET
121
XM-DAC LAT
90
19
18
COMRXN
COMRXP
LINE AMP
IC3804
XM RECEIVER
IC3802
D/A CONVERTER
IC3805
J3801
XM
3
2
1
D+
D–
VCC
22
23
COMTXN
COMTXP
15
ML (MS)
13
MD (MDI)
14
MC
1
2
BCK
DATA
16
3
SCK
LRCK
39
37
I2SSCLK
I2SDATA
7
VOUTL
8
VOUTR R-CH
43
41
I2SOCLK
I2SLRCLK
B+ SWITCH
Q3805, 3806
RESET SWITCH
Q3801, 3802
BUFFER
IC3803
XM
+5.6V
(DA3200ES: US, Canadian/DG1000)
OSCIN28
OSCOUT26
X3701
45.1584MHz
XM/H
3
XM-POW
XM/H SEL
COM1-DAT
COM1-CLK
S
DOUT
RBCK
RMCK
RLRCK
XNONAUDIO
ANA/DIGI
RERR
SD0
SD1
SD2
SD3
: AUDIO (ANALOG)
: AUDIO (DIGITAL)
• SIGNAL PATH
• R-CH is omitted due to same as L-CH.
XM-L
26
SPDIF
28
I/H BUS
19
B0
3
2
A0
A2
A3
A1
5
11
14
DATA SELECTER
IC3529
Y0
4
Y1
7
Y2
9
Y3
12
S
1
SPDIF
LRCKO
MCKO
BCKO
2
A0
A2
A3
A1
5
11
14
DATA SELECTER
IC3528
Y0
4
Y1
7
Y2
9
Y3
12
S
1
MUTEOUT
DATA SELECTER
IC3532
B2
B3
B1
6
10
13
2
A0
3
B0
A2
A3
A1
5
11
14
CLOCK SELECTER
IC2018
Y0
4
Y1
7
Y2
9
Y3
12
S
1
B2
B3
B1
6
10
13
2
A0
DATA SELECTER
IC2019
Y0
4
Y1
7
Y2
9
Y3
12
S
1
B2
B3
B1
6
B0
3
10
13
IH ERROR
67
BUFFER
IC2017
DPFSCK
DPBCK
DPLRCK
DIR-ERR
MCK
SHIFT
REGISTER
IC2022
164
FSRATE
ANA/DIGI
SDO3
XNONAUDIO
SDO2
SDO1
SDO1
SDO5
SDO4
33
(Page 30)
(Page 33)
(Page 35)
(Page 30)
(Page 32)

Table of Contents

Other manuals for Sony STR-DA3200ES

Related product manuals