EasyManua.ls Logo

Sony STR-DA3200ES - Block Diagram - Power Supply Section

Sony STR-DA3200ES
168 pages
Print Icon
To Next Page IconTo Next Page
To Next Page IconTo Next Page
To Previous Page IconTo Previous Page
To Previous Page IconTo Previous Page
Loading...
STR-DA3200ES/DG1000
3939
STR-DA3200ES/DG1000
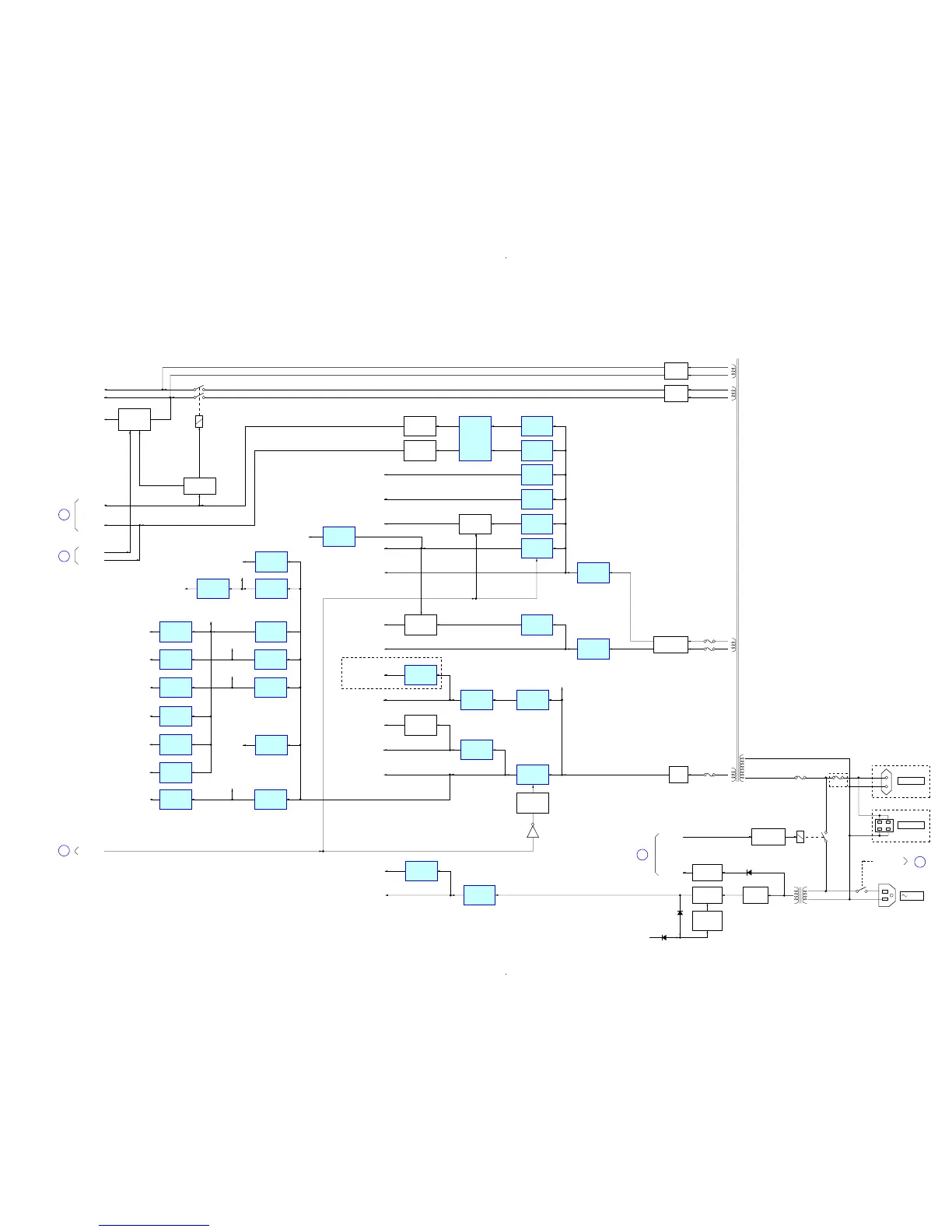
6-10. BLOCK DIAGRAM – POWER SUPPLY Section –
F1405
RECT
D1409
+6.5V
REGULATOR
IC1403
REGULATOR
CONTROL
Q1409
Q1410
T01
MAIN POWER
TRANSFORMER
T02
SUB POWER
TRANSFORMER
STBY +5V
H +6V
D +3.3V
STOP
POWER
SWITCHING
Q55, 56
V-POW
5
18
13
RY01
D56, 57
D51
RELAY DRIVE
Q52
POW-RY
AC OUTLET
J02
AC IN
J01
D61
TU +12V
RECT
D52 – 55
10
POWER KEY
17
B+ SWITCH
Q54
+5V
REGULATOR
IC51
+3.3V
REGULATOR
IC1405
D +2.5V
+2.5V
REGULATOR
Q5211
TU +3.3V
+3.3V
REGULATOR
IC2050
TU +9V
+9V
REGULATOR
IC2052
+12V
REGULATOR
IC1404
RY +24V
STBY +3.3V
+3.3V
REGULATOR
IC2053
AC DETECT
Q51
(DA3200ES: AEP)
(DA3200ES: AEP, UK)
AC OUTLET
J02
(DA3200ES: US, Canadian/DG1000)
(DA3200ES: US, Canadian, AEP/DG1000)
F02
F01
F1404
RECT
D1405 – 1408
–15V
REGULATOR
IC1402
A –15V
F1403
RECT
D1401
RECT
D1411
+15V
REGULATOR
IC1401
A +15V
A –5V
–5V
REGULATOR
IC1407
B– SWITCH
Q1404
A +9V
+9V
REGULATOR
IC1408
+5V
REGULATOR
IC1406
B+ SWITCH
Q1406, 1408
A +5V
A +3.3V
+3.3V
REGULATOR
IC6308
AMP B+
AMP B–
TEMPERETURE
SENSOR
IC1903
TEMP
PROTECT
LIMITTER
PROTECT
TEMPERETURE
SENSOR
IC1905
LIMITTER
DETECT
Q1910, 1911
LIMITTER
DETECT
Q1912, 1913
MIC +3.3V
+3.3V
REGULATOR
IC702
LIMITTER +5V
+5V
REGULATOR
IC1904
LIMITTER
IC1902
RELAY DRIVE
Q1401
PRE DRIVE B–
LIMITTER
DETECT
Q1901 – 1903
RY1402
+3.3V
REGULATOR
IC3527
+3.3V
REGULATOR
IC3514
IC3516, 3517, 3519
+3.3V
+2.5V
REGULATOR
IC3515
IC3516 +2.5V
H +1.8V
H +3.3V
+3.3V
REGULATOR
IC3513
+5V
REGULATOR
IC3511
BUS SWITCH +5V
+5.6V
REGULATOR
IC3807
XM +5.6V
IC3526
D +3.3V
IC3526
A +3.3V
+1.8V
REGULATOR
IC3510
IC3526
P +1.8V
IC3526
D +1.8V
+1.8V
REGULATOR
IC3525
+1.8V
REGULATOR
IC3524
IC3519
D +2.5V
+2.5V
REGULATOR
IC3520
IC3519
A +2.5V
+2.5V
REGULATOR
IC3521
IC3519
+1.2V
+1.2V
REGULATOR
IC3522
+5V
REGULATOR
IC3806
XM +5V
XM +3.3V
+3.3V
REGULATOR
IC3801
+3.3V
REGULATOR
IC3523
(Page 32)
(Page 36)
(Page 30)
(Page 32)
(Page 38)

Table of Contents

Other manuals for Sony STR-DA3200ES

Related product manuals