EasyManua.ls Logo

Sony STR-DA3200ES - Block Diagram - Electrical Volume and Power Amp

Sony STR-DA3200ES
168 pages
Print Icon
To Next Page IconTo Next Page
To Next Page IconTo Next Page
To Previous Page IconTo Previous Page
To Previous Page IconTo Previous Page
Loading...
STR-DA3200ES/DG1000
3535
STR-DA3200ES/DG1000
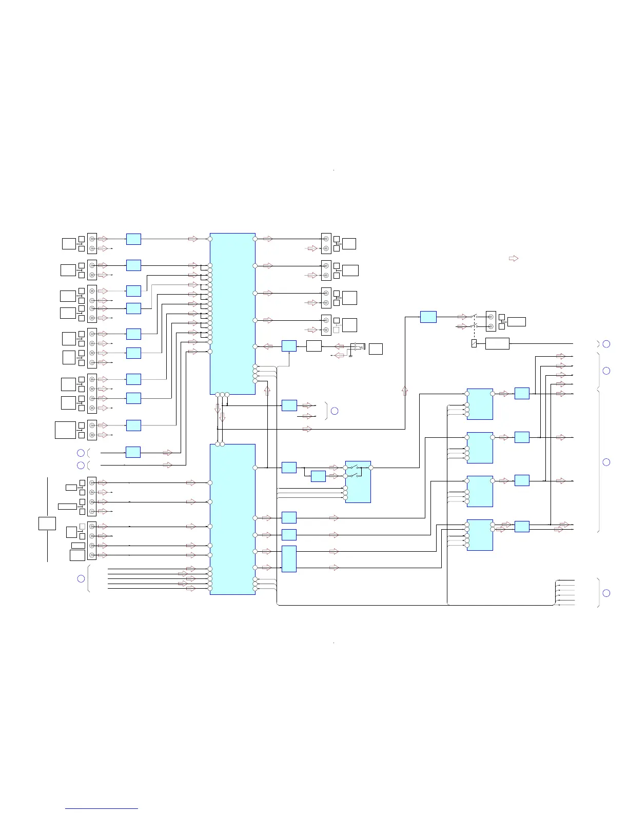
6-6. BLOCK DIAGRAM – ELECTRICAL VOLUME Section –
26
26
27
7.1-L
36 7.1-SL
40 7.1-SBL
32 7.1-C
11 7.1-SW
INPUT SELECTOR
IC1001
ELECTRICAL VOLUME
IC1301
4MD/DAT OUT
L
J604
J605 (1/2)
PHONO
IN
SA-CD/CD
IN
MD/DAT
IN
J607 (1/2)
J606 (1/2)
J608 (1/2)
J702 (1/2)
BUFFER
IC611
EQ AMP
IC301
BUFFER
IC613
BUFFER
IC616
BUFFER
IC617
BUFFER
IC619
BUFFER
IC621
R-CH
R-CH
R-CH
R-CH
R-CH
R-CH
R-CH
R-CH
17 PHONO
3 CD/SACD
40 CD/SACD
5 MD/DAT IN
38 MD/DAT IN
8 TV/SAT
35 TV/SAT
9 DVD/LD
34 DVD/LD
11 VIDEO2 IN
32 VIDEO2 IN
13 VIDEO1 IN
30 VIDEO1 IN
2 VIDEO3
41 VIDEO3
25 ATUN
24 XRD
28
2ND.OUT
15
COM
2ND-L
SCH-L
39 28
16
COM
J605 (2/2)
J701
18MIC
19MULTI
MD/DAT
OUT
AUTO
CAL MIC
R-CH
R-CH
FL
INPUT SELECTOR
IC401
10VIDEO2 OUT
J607 (2/2)
R-CH
12VIDEO1 OUT
J608 (2/2)
BUFFER
IC644
MIC AMP
IC703
24OUT-L
25
LINE AMP
IC1201
MIX
IC1302
33OUT-SL
LINE AMP
IC1221
37OUT-SBL
LINE AMP
IC1231
LINE AMP
IC2010
29OUT-C
14OUT-SW
LINE AMP
IC1211
LINE AMP
Q708
FRR-CH
R-CH
22DATA
21CLK
2
23LAT
DATA
CLK
LAT-F
MIC
7 TAPE IN
36 TAPE IN
AUCOM-DATA
AUCOM-CLK
FUNC-LAT
22DATA
21CLK
23LAT
DATA
CLK
LAT-F
22 DATA
21 CLK
23 LAT
DATA
CLK
D.MIX
DATA
PREVOL-LAT
VLAT
CLK
LAT-F
D.MIX
MIC
D.MIX
MIC
• SIGNAL PATH
• R-CH is omitted due to same as L-CH.
: AUDIO (ANALOG)
R
L
R
L
R
TAPE/
CD-R IN
BUFFER
IC615
R-CH
L
R
L
R
L
R
L
R
L
R
L
R
TV/SAT
AUDIO
IN
VIDEO 2
AUDIO
IN
DVD
AUDIO
IN
VIDEO 1
AUDIO
IN
VIDEO 3 IN/
PORTABLE
AV IN
AUDIO
VIDEO 2
AUDIO
OUT
VIDEO 1
AUDIO
OUT
L
R
6TAPE OUT
J606 (2/2)
TAPE/
CD-R OUT
R-CH
L
R
L
R
L
R
TU-L
8
SBL PREOUT
C PREOUT
W PREOUT
L PREOUT
FRONT-L
2ND-RY
SL
SBL
C
SL PREOUT
12
11
32
1
XM-L
26
9
25 D/A-L
34 D/A-SL
38 D/A-SBL
13 D/A-SW
30 D/A-C
D/A-L
D/A-SL
D/A-SBL
D/A-SW
D/A-C
MULTI
CHANNEL
INPUT
J1001
SUR
BACK
FRONT
L
R
L
R
SURROUND
L
R
J1002
CENTER
SUB
WOOFER
R-CH
R-CH
BUFFER
IC706
R-CH
20
ELECTRICAL VOLUME
IC1203
23
16 DATA
VRIN OUT
13 CLK
17 LAT
DATA
CLK
VLAT
AMP
IC1202
20
ELECTRICAL VOLUME
IC1223
23
16 DATA
VRIN OUT
13 CLK
17 LAT
DATA
CLK
VLAT
AMP
IC1222
20
ELECTRICAL VOLUME
IC1233
23
16 DATA
VRIN OUT
13 CLK
17 LAT
DATA
CLK
VLAT
AMP
IC1232
20
ELECTRICAL VOLUME
IC1213
23
16 DATA
VRIN OUT
20 23
VRIN OUT
13 CLK
17 LAT
DATA
CLK
VLAT
AMP
IC1212
R-CH
LINE AMP
IC643
J609
RY641
RELAY DRIVE
Q540
ZONE 2
AUDIO OUT
L
R
(Page 30)
(Page 31)
(Page 32)
(Page 30)
(Page 30)
(Page 36)
(Page 36)
(Page 30)

Table of Contents

Other manuals for Sony STR-DA3200ES

Related product manuals