EasyManua.ls Logo

Sony STR-DN1050 - DIGITAL Board, NETWORK Board

Sony STR-DN1050
122 pages
Print Icon
To Next Page IconTo Next Page
To Next Page IconTo Next Page
To Previous Page IconTo Previous Page
To Previous Page IconTo Previous Page
Loading...
STR-DN1050
14
D
D
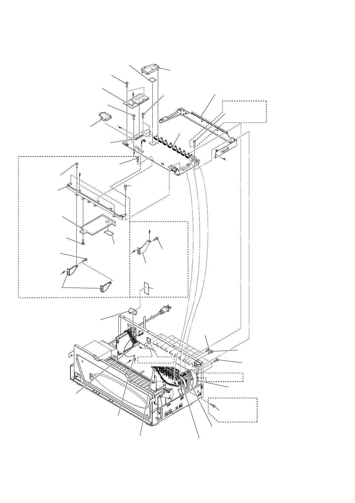
1 CON2 (1P)
2 two screws
(+BVTP 3 u 8)
3 CN7002 (120P)
4 NETWORK board
8 CN1501 (12P)
5 CN3202 (8P)
0 CN2006 (13P)
9 wire (flat type)
(22 core) (CN2008)
7 clamp,
sleeve ferrite
6 cushion (R)
qa wire (flat type)
(19 core) (CN2007)
qs eight screws
(+B 3 u 5)
qf four screws
(+BVTP 3 u 8) (AEP, UK, AUS)
two screws
(+BVTP 3 u 8) (US, CND)
qk two screws
(+BVTP 3 u 8)
qk one screw
(+BVTP 3 u 8)
qh one screw (+BVTP 3 u 8)
ql bracket, HDMI
wf heat sink, HDMI
wg sheet, radiation
qd one screw
(+BVTP 3 u 8)
qh two screws
(+BVTP 3 u 8)
qh one screw
(+BVTP 3 u 8)
wk two screws
(+BVTP 3 u 8)
wk one screw
(+BVTP 3 u 8)
wl bracket
support SQ
wl bracket
support
qj two screws
(+BVTP 3 u 8)
qg one screw
(+BVTP 3 u 8)
wh copper shield
wj DIGITAL board
wd bracket,
beam (N104)
B
B
F
F
F
C
C
(AEP, UK, AUS)
(US, CND)
(US, CND)
(AEP, UK, AUS)
(AEP, UK, AUS)
(US, CND)
E
E
H
H
H
wa tape
w; rivet (DIA. 3),
nylon
ws copper shield
(HDMI)
2-4. DIGITAL BOARD, NETWORK BOARD
• Abbreviation
AUS : Australian model
CND : Canadian model

Table of Contents

Other manuals for Sony STR-DN1050

Related product manuals