EasyManua.ls Logo

Sony STR-DN1050 - Schematic Diagram - TUNER1 Board

Sony STR-DN1050
122 pages
Print Icon
To Next Page IconTo Next Page
To Next Page IconTo Next Page
To Previous Page IconTo Previous Page
To Previous Page IconTo Previous Page
Loading...
STR-DN1050
STR-DN1050
6363
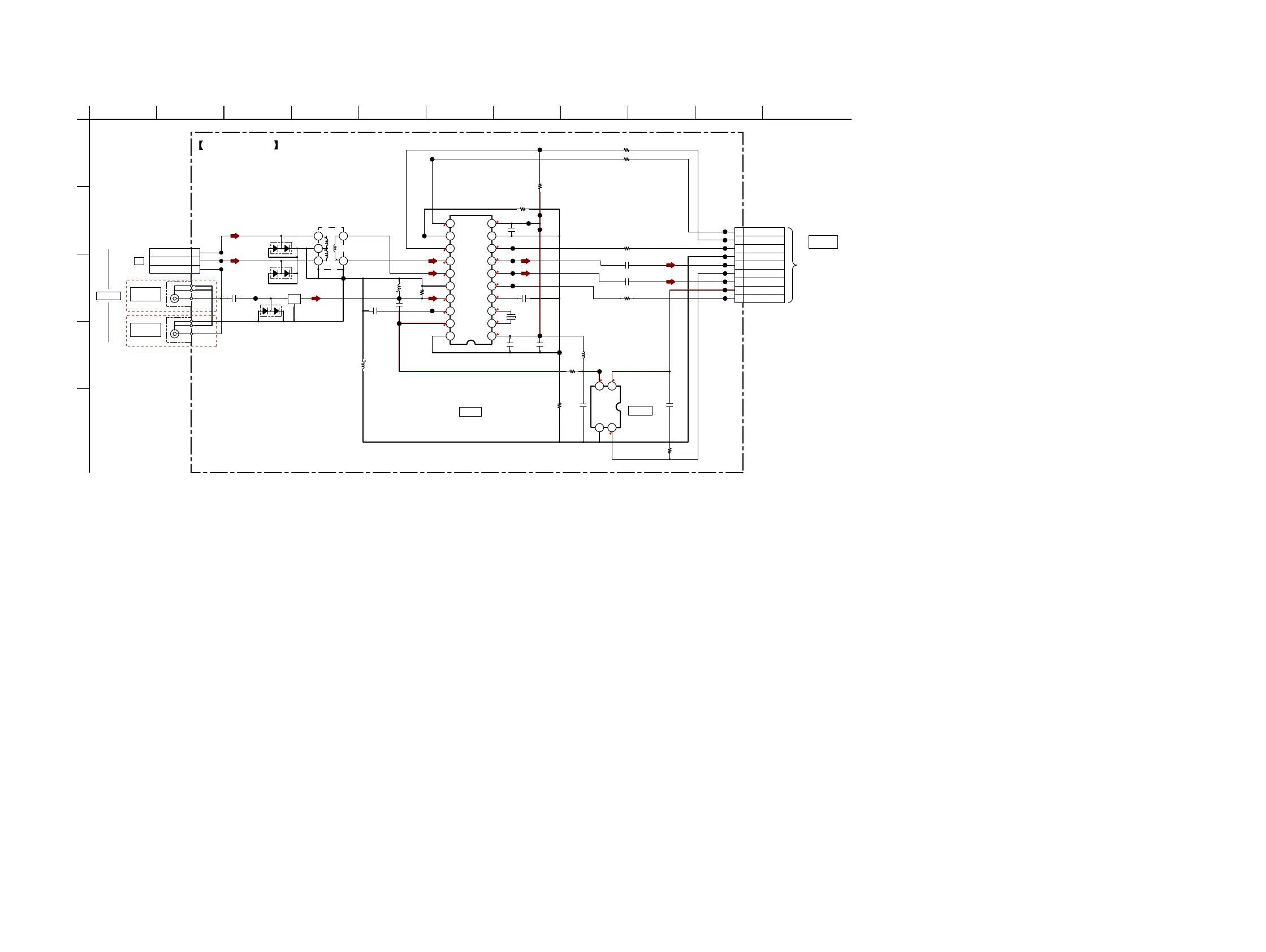
6-39. SCHEMATIC DIAGRAM – TUNER1 Board –
• See page 66 for IC Block Diagrams.
1
A
B
C
D
E
2 3 4 5 6 7 8 9 10 11
TUNER1 BOARD
3.3 5
3.3
3.3
3.3
1.6
1.6
0
0
0
0
3.3
0
0
0
0
0
0
3.3
BPF
FL101
1u
C112
1u
C111
MC2837
D103
0.1u
C109
2.2u
C108
100
R107
MC2837
D102
MC2837
D101
32.768kHz
X101
C105 1u
600uH
L101
1
2
3 4
6
0
R109
0.047u
C106
22R105
22R103
100R106
100R101
4.7uH
L105
0
R108
R110
10k
GND
1
VDDRF
2
CP2
3
FRF1
4
GNDRF
5
ARF1
6
ARF2
7
IIC/RDSI
8
LA
9
CK
10
VDD
11
GND
12
DA
13
ROUT
14
LOUT
15
IISD
16
CP1
17
X1
18
X2
19
VDD
20
JL112
JL102
JL104
JL106
JL108
JL110
JL103
JL105
JL107
JL109
JL115
JL114
JL111
JL113
0R104
1
2
3
4
5
6
7
8
9
9P
CN101
IISD (data audio)
VDD
AUDIO L/LRCK
CE (p con)
AUDIO R/BCK
GND
DA (for IIC)
IIC/RDSI
CK (for IIC)
JL118
JL117
JL116
1
2
3
3P
CN103
AM
AM
FM
10k
R113
CN102
3P
3P
1
CE
2
3
Vout
4
Vdd
MM3404A33URE
IC102
GND
0.047u
C107
C110
10u
470p
C101
1uC102
1uC103
47nH
L103
220nH
L104
JL121
JL122
JL123
JL124
JL125
JL126
JL127
JL130
JL131
JL132
JL133
JL134
JL135
ARF2
ARF1
+3.3V REG.
IC102
FM
&2$;,$/
FM
&2$;,$/
AM
ANTENNA
IC101
RZ5B801-0001E2
(US, CND)
RZ5B801-0002E2
(EXCEPT US, CND)
IC101
FM RECEIVER
CN104
EXCEPT US, CND
US, CND
>055S
MAIN BOARD
(3/4)
CN273
(Page 53)

Table of Contents

Other manuals for Sony STR-DN1050

Related product manuals