EasyManua.ls Logo

Sony STR-DN1050 - Block Diagram - DISPLAY;POWER Section

Sony STR-DN1050
122 pages
Print Icon
To Next Page IconTo Next Page
To Next Page IconTo Next Page
To Previous Page IconTo Previous Page
To Previous Page IconTo Previous Page
Loading...
STR-DN1050
STR-DN1050
3333
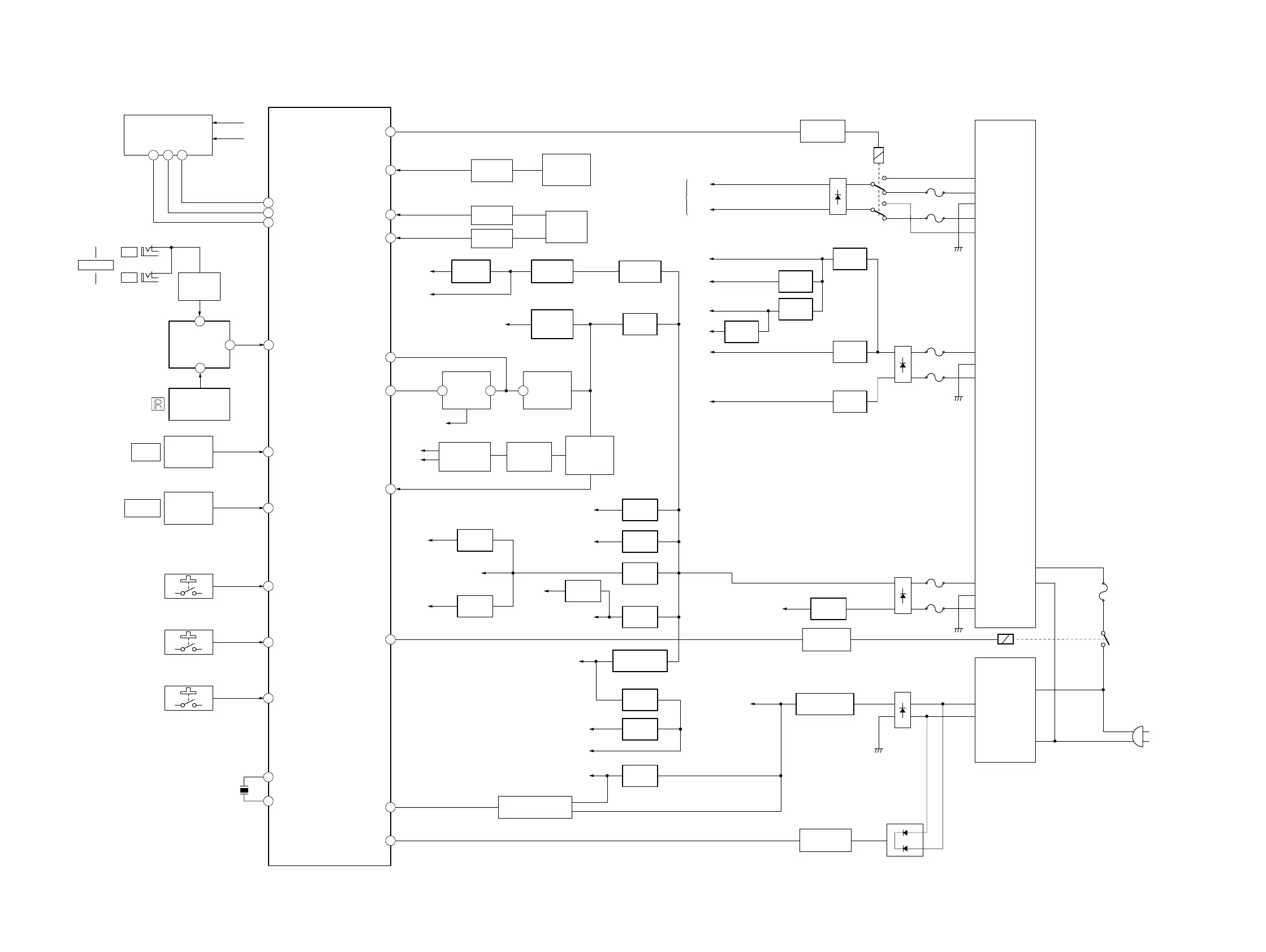
6-7. BLOCK DIAGRAM – DISPLAY/POWER Section –
+15V
RECT
D923
RECT
D910-913
SYSTEM CONTROL
IC2100 (6/6)
VACUUM FLOURESCENT
DISPLAY
ND100
MASTER
VOLUME
ROTARY
ENCODER
EN101
S115
S108 ~ S110,
S111 ~ S114
S101 ~ S105
X2100
4MHz
F910
RY951
F911
INPUT
SELECTOR
ROTARY
ENCODER
EN100
-7V
+HV
(VCC)
TO
AUDIO AMP
SECTION
-HV
(VCC)
+7V
+7V
+5V
+5V
+3.3V
F940
F941
+4.24V (DCDC)
+3.3V
+2V (DCDC)
+1.2V
+1.2V
STBY DCDC
D905
POWER
TRANSFORMER
(SUB)
T902
POWER
TRANSFORMER
(MAIN)
T901
F901
+NW_3.3V
+3.3V
AC IN
RECT
D901 ~ D904
RECT
D921
RY920
F913
F912
DCDC NW
F1
F2
+7V REG.
IC350
+7V REG.
IC351
-7V REG.
IC352
+5V REG.
IC2117
+5V REG.
IC234
+3.3V REG.
IC102
RELAY DRIVE
Q920
+3.6V REG.
IC1906
+2.5V (ADV)
+2.5V REG.
IC1910
+5V
+5V REG.
IC201
-5V
-5V REG.
IC202
POWER
CONTROL
IC4102
+1.2V REG.
IC7000
+3.3V REG.
IC7001
+3.3V REG.
IC2115
+DCDC_NW REG.
IC1909
+1.2V
+4.2V REG. (STBY)
IC902
+1.2V REG.
IC2500
+1.2V REG.
IC3508
+3.3V REG.
IC2116
F1
F2
+6V_USB
+5V (USB-VBUS)
+5V REG.
(USB-VBUS)
IC4103
+5.2V
+5V
+5.2V REG.
IC3513
+5V REG.
IC3514
+2V REG.
IC1907
+6V REG.
IC1908
+6.14V REG.
IC1905
RELAY DRIVER
Q951
DC CONVERTER
TRANSFORMER
T100
SWITCHING
TRANSISTOR
Q101
LED DRIVER
Q102
LED
(PURE DIRECT)
D108
LED DRIVER
Q110
LED DRIVER
Q111
LED
(ON/STBY)
D110
SWITCHING
TRANSISTOR
CONTROL
Q103 ~ Q104
AC OFF DETECT
Q952
98
POWER_RY
69
5
OVERLOAD
CONTROL
IC4101
4 3
FL_ENABLE
73
USB_PCONT
74
USB_OVC
64
WHITE_LED
71
FLASH_CLK/POWER_LED
82
STDBY_LED
93
AC_CUT
84
STDBY_VU_PCONT
87
BRIDGEABLE_RY
424038
53 FL_LAT
55 FL_CLK
54 FL_DATA
63 VOLUME_JOG
52 INPUT_JOG
65 POWER_KEY
57 AD_KEY1
58 AD_KEY2
48 PE2/X0
49 PE3/X1
CD0 DETECTION DRIVER
Q2107
SWITCHING
TRANSISTOR
Q2701
SIGNAL RECEIVER
CONVERTER.
(MULTIPLEXER/
DEMULTIPLEXER)
IC2703
J2701
J2702
IN
IR REMOTE
OUT
REMOTE CONTROL
SIGNAL RECEIVER
IC100
591
6
7
SIRCS_IN
CH1
COM
CH0

Table of Contents

Other manuals for Sony STR-DN1050

Related product manuals