EasyManua.ls Logo

Sony STR-DN1060 - 6-4. Block Diagram - AMP Section

Sony STR-DN1060
158 pages
Print Icon
To Next Page IconTo Next Page
To Next Page IconTo Next Page
To Previous Page IconTo Previous Page
To Previous Page IconTo Previous Page
Loading...
STR-DN860/DN1060
STR-DN860/DN1060
3838
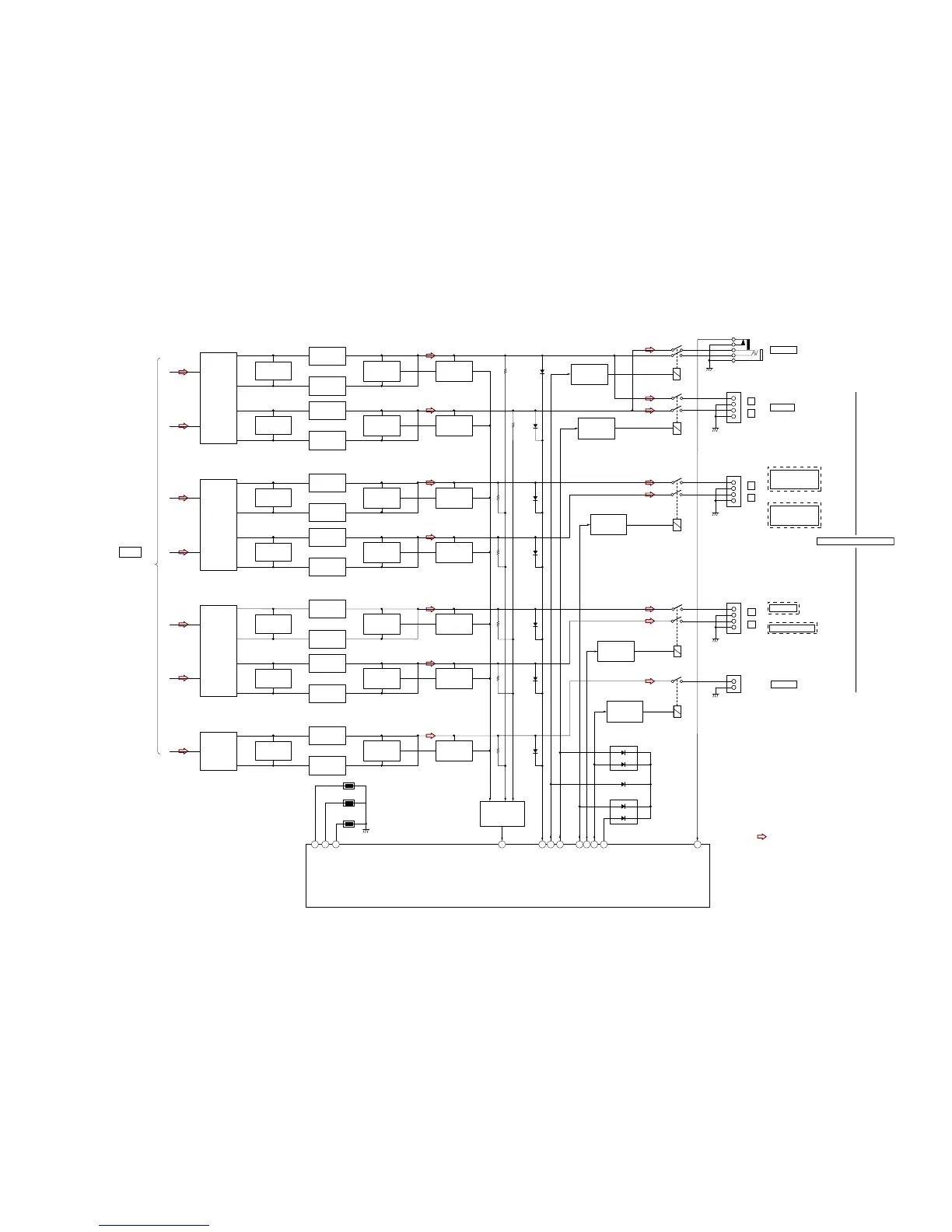
6-4. BLOCK DIAGRAM – AMP Section –
FL
POWER AMP
LIMITER
Q1702, Q1703
BOOSTER
Q1700
CURRENT
DETECT
Q1704
CURRENT
DETECT
Q1705
BOOSTER
Q1701
D1700
D1750
D1650
D1850
D1550
D1600
D1800
RY1350
RY1390
TB1501 (1/2)
TB5101 (2/2)
FRONT A
R
L
+
-
+
-
J1101
PHONES
FR
Q1720
Q1722
Q1724
Q1725
POWER AMP
Q1770
Q1772
Q1774
Q1775
Q1570
Q1572
Q1574
Q1575
POWER AMP
Q1820
Q1822
Q1824
Q1825
POWER AMP
Q1620
Q1622
Q1624
Q1625
Q1670
Q1672
Q1674
Q1675
Q1870
Q1873
Q1874
Q1875
LIMITER
Q1752, Q1753
BOOSTER
Q1750
CURRENT
DETECT
Q1754
CURRENT
DETECT
Q1755
RELA
Y
DRIVER
Q1375
BOOSTER
Q1751
SBL
LIMITER
Q1652, Q1653
BOOSTER
Q1650
CURRENT
DETECT
Q1654
CURRENT
DETECT
Q1655
BOOSTER
Q1651
LIMITER
Q1852, Q1853
CURRENT
DETECT
Q1854
CURRENT
DETECT
Q1855
SL
LIMITER
Q1552, Q1553
BOOSTER
Q1550
CURRENT
DETECT
Q1554
CURRENT
DETECT
Q1555
BOOSTER
Q1551
LIMITER
Q1602, Q1603
BOOSTER
Q1600
CURRENT
DETECT
Q1604
CURRENT
DETECT
Q1605
BOOSTER
Q1601
SYSTEM CONTROLLER
IC3002 (3/4)
C
PROTECT
TEMP_SENSOR1
TEMP_SENSOR3
LIMITTER
HP_RY
FRONT_SPK_RY
SBL_SBR_RY
C_RY
HP_DET
LIMITER
Q1802, Q1803
BOOSTER
Q1800
CURRENT
DETECT
Q1804
CURRENT
DETECT
Q1805
PROTECTOR
Q1320 ~ Q1321,
Q1323 ~ Q1325
BOOSTER
Q1801
TH1252
TH1253
TH1251
SBR
SR
RELAY
DRIVER
Q1350
RELAY
DRIVER
Q1360
RELAY
DRIVER
Q1355
RELAY
DRIVER
Q1365
RY1360
TB1503
SURROUND BACK/
BI-AMP/ FRONT HIGH/
FRONT B
R
L
+
-
+
-
63($.(56,03('$1&(86(ȍ
RY1355
TB1502
SURROUND
R
L
+
-
+
-
RY1365
D3005
D3004
D3003
CENTER
+
-
BOOSTER
Q1850
BOOSTER
Q1851
96
TEMP_SENSOR2
97 76 94 78 82 80 83
SL_SR_RY
72
ZONE2_PREOUT_SW_RY
81 47
6LJQDOSDWK
: AUDIO
5FKLVRPLWWHGGXHWR
VDPHDV/FK
>002B
ANALOG AUDIO
SECTION
(Page 35)
95
DN860
SURROUND BACK/
BI-AMP/ FRONT HIGH/
FRONT B/ ZONE 2
DN1060
DN860
SURROUND/ ZONE 3
DN1060

Table of Contents

Other manuals for Sony STR-DN1060

Related product manuals