EasyManua.ls Logo

Sony UP-20 - Collegamenti; Collegamento Apparecchiatura Video

Sony UP-20
360 pages
Print Icon
To Next Page IconTo Next Page
To Next Page IconTo Next Page
To Previous Page IconTo Previous Page
To Previous Page IconTo Previous Page
Loading...
Preparazione
Collegamenti
302
Collegamenti
Per poter procedere con l’operazione di stampa, sarà
necessario collegare l’apparecchiatura video in modo
che agisca da sorgente di segnale di ingresso e un
monitor per la visualizzazione delle immagini o dei
menu.
I seguenti schemi illustrano come eseguire i
collegamenti di ingresso, uscita e di comando a distanza.
Seguire questi schemi per il collegamento dei cavi
necessari per trasmettere segnali a/dall’apparecchiatura
utilizzata per la stampa.
Note
Spegnere tutti i dispositivi prima di effettuare
qualsiasi collegamento.
Collegare il cavo di alimentazione a rete per ultimo.
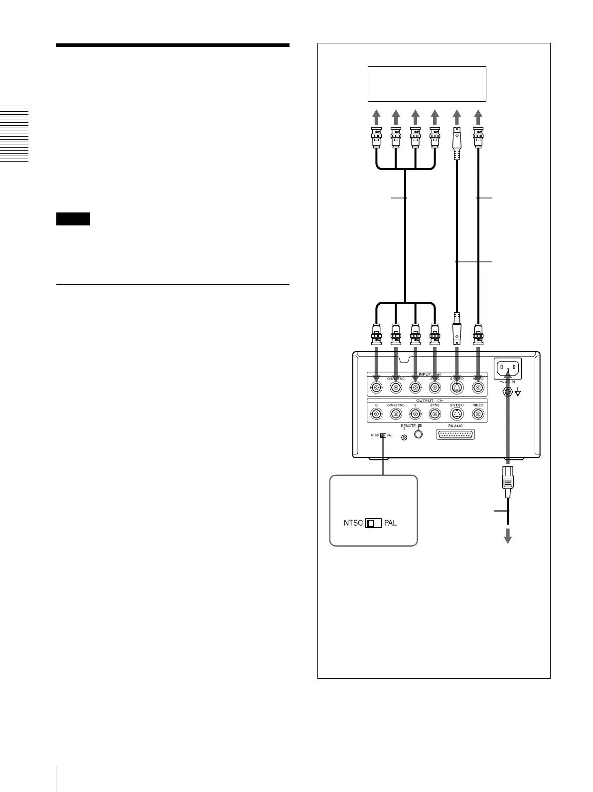
Collegamento apparecchiatura
video
Collegare l’apparecchiatura video che fornirà le
immagini video da stampare.
Collegare l’apparecchiatura video che verrà utilizzata
nell’effettiva stampa servendosi del seguente schema
come guida.
Prima di collegare l’apparecchiatura video, vedere
“Importanti avvertenze per l’uso in ambienti medicali” a
pagina 290.
Apparecchiatura video
a connettori
uscita RGB
a connettore
uscita video
composito
a
connettore
uscita
SVIDEO
cavo
coassiale da
75 ohm con
connettori
BNC
cavo
coassiale da
75 ohm con
connettori
BNC
Cavo di
collegamento
(con connettori
DIN a 4 pin)
a RGB SYNC
b)
INPUT
a
SVIDEO
INPUT
a VIDEO
INPUT
a AC IN
Cavo di
alimentazione CA
(in dotazione)
a una presa di
corrente
Selettore NTSC/PAL
a)
a) Impostare il selettore NTSC/PAL a seconda del sistema TV
usato. Prima di modificare l’impostazione del sistema TV,
disattivare l’alimentazione. Se si tenta di modificare
l’impostazione con l’alimentazione attivata, la modalità del
sistema TV non subirà alcuna variazione.
b) Solo per la UP-21MD.
UP-21MD

Table of Contents

Other manuals for Sony UP-20

Related product manuals