EasyManua.ls Logo

Sony UP-895 - Page 32

Sony UP-895
84 pages
Print Icon
To Next Page IconTo Next Page
To Next Page IconTo Next Page
To Previous Page IconTo Previous Page
To Previous Page IconTo Previous Page
Loading...
4-6
UP-895/(E)
A/D
CONVERTER
8
NEGA/POSI
FILTER
8
LINE
MEMORY
8
FRAME
MEMORY
8
8
LINE
MEMORY
8
2
21
IC503
FETCH
COPY
MODE
REGISTER
EXT. SYNC
SIGNAL
PROCESS
SERIAL TRANSFER
EDGE
ENHANCEMENT
CALCULATION
9
FRAME
MEMORY
CONTROL
8
VIDEO
CIRCUIT
167
169
.
172
176
89-92.95-98
8
99.101-104.106-110.112-114.117-120.122-125
1
2
3
4
15
18
19
FETCH
COPY
FETCHSTOP
COPYSTOP
FETCHING
COPYING
LINEPULS
21
22
135
EXTV
VF
CSYNC
SCK
RE
RLD
SI
REGSEL2
REGSEL1
REGSEL0
CLOCK
CONTROL
SYSTEM
CONTROL
IC304
CLOCK
GEN.
132
136
137
126128 7 8 9 10 11 13 14
INTOUT2
CK01B
CK01A
CLKOUT
CLK
21
8
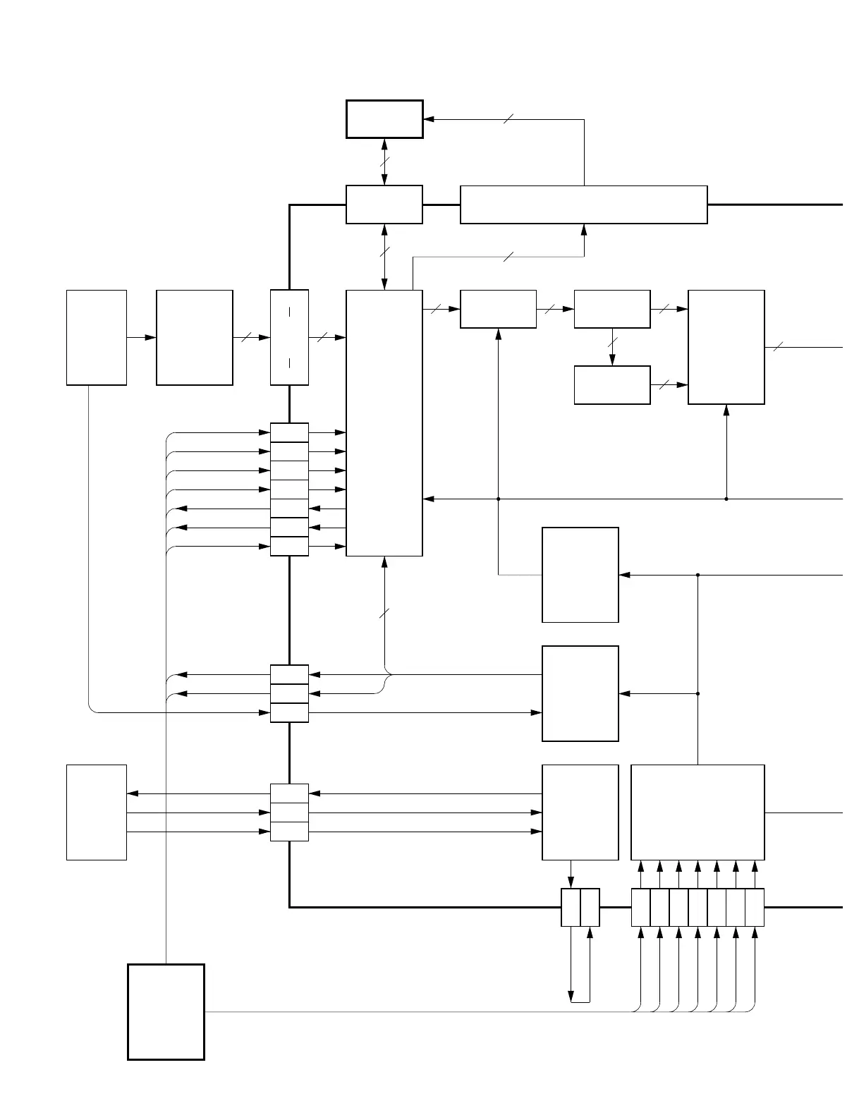
Block diagram of IC501

Table of Contents

Other manuals for Sony UP-895

Related product manuals