EasyManua.ls Logo

Sony VPL-V W100 - Vista Lateral

Sony VPL-V W100
259 pages
Print Icon
To Next Page IconTo Next Page
To Next Page IconTo Next Page
To Previous Page IconTo Previous Page
To Previous Page IconTo Previous Page
Loading...
81
ES
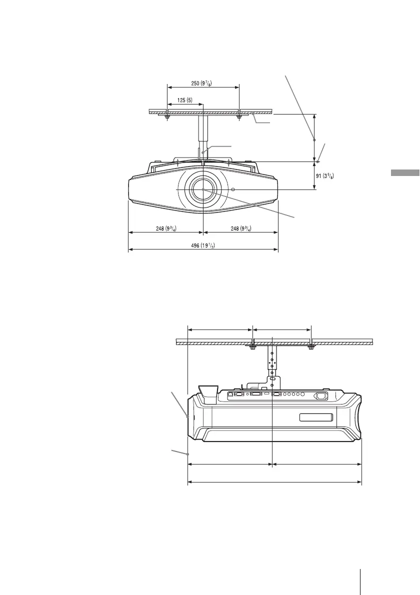
Instalación en el techo
Otros
Vista frontal
Vista lateral
Techo
Centro del mástil de
soporte
Centro del objetivo
Distancia entre el techo y la superficie de la abrazadera de montaje
Usando el tubo de ajuste (b): 150/175/200 mm (6 / 7 / 7
7
/8 pulgadas)
Usando el tubo de ajuste (c): 250/275/300 mm (9
7
/8 / 10
7
/8 / 11
7
/8 pulgadas)
Superficie
inferior de la
abrazadera de
montaje
288
(
11
3
/
8
)
216,5
(
8
5
/
8
)
216
(
8
5
/
8
)
290
(
11
1
/
2
)
578
(
22
7
/
8
)
Centro del objetivo
Frente del aparato

Table of Contents

Related product manuals