EasyManua.ls Logo

Sony VPL-V W100 - Front View; Side View

Sony VPL-V W100
259 pages
Print Icon
To Next Page IconTo Next Page
To Next Page IconTo Next Page
To Previous Page IconTo Previous Page
To Previous Page IconTo Previous Page
Loading...
79
GB
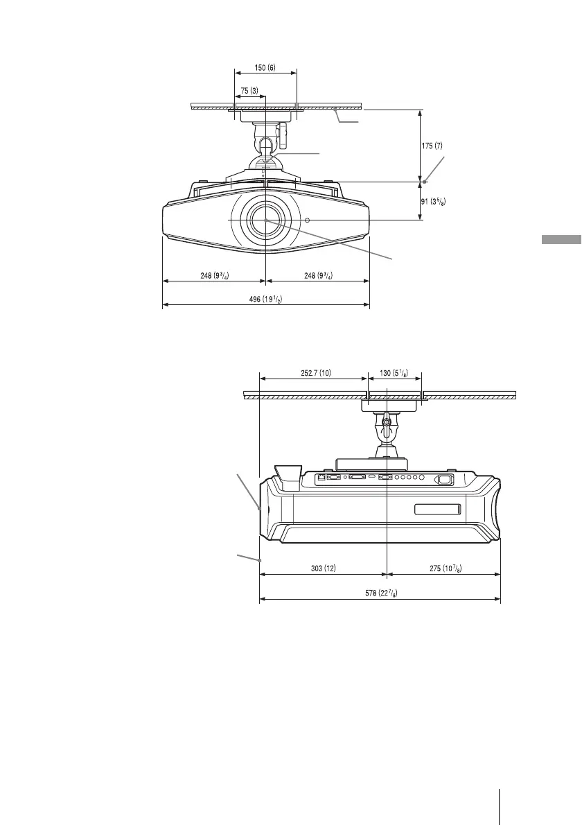
Ceiling Installation
Others
Front view
Side view
Ceiling
The bottom
surface of the
mount bracket
Center of the
supporting pole
Center of the lens
Center of the lens
Front of the cabinet

Table of Contents

Related product manuals